Operation CHARM: Car repair manuals for everyone.
Manuals through 2025 now available!

Our trusted friends have launched a new website named LEMON, which has newer manuals. It also contains all the CHARM manuals.

LEMON is the spiritual successor to CHARM, I recommend you try it!

Link: lemon-manuals.la or lemon-manuals.org.ua

(Some people have issue connecting. LEMON is investigating. For now, use Firefox or change your DNS server)

Or, hide this message: temporarily or permanently

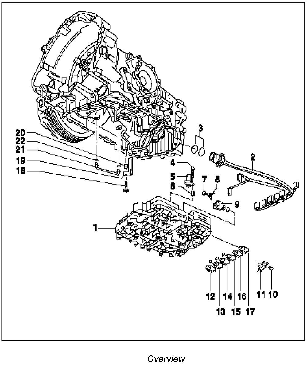
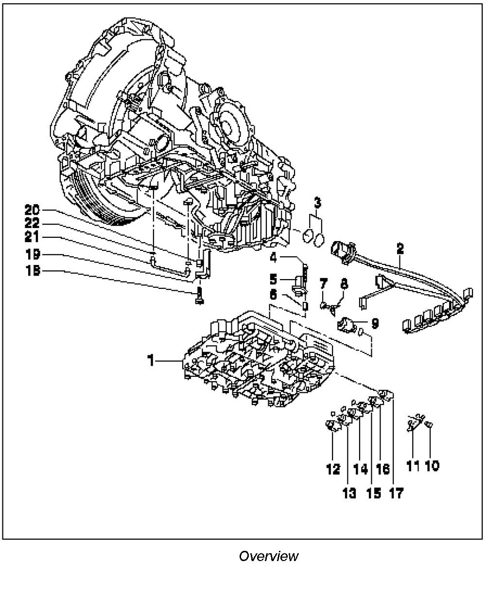
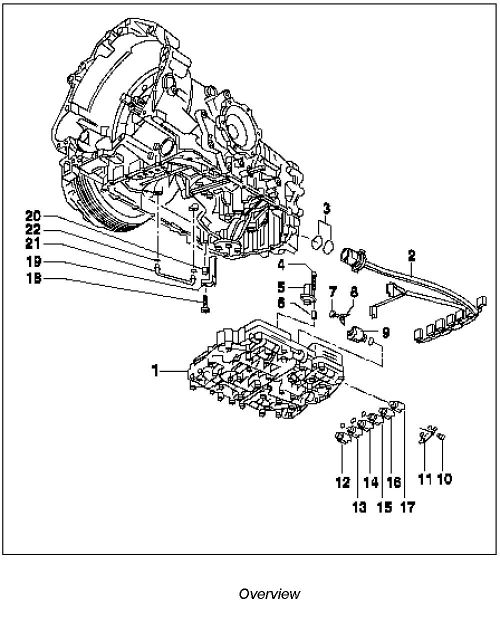
Disassembling and Assembling Control Mechanism For Transmission

Disassembling and assembling control mechanism for transmission
Tools





Preliminary work

1. Raise the vehicle at the prescribed jacking points.
2. Remove support plate.
3. Drain ATF.
4. Remove ATF pan.
5. Remove ATF filter.
6. Remove control mechanism for transmission.

Disassembling control mechanism for transmission








Assembling control mechanism for transmission








Instructions for assembling control mechanism

Note: The ATF temperature sender is integrated in the wire harness. Therefore, in the case of damage, the entire wire harness must be replaced.

Note: In the event of mechanical stress (e.g. if it falls) the transmission input speed sender or the transmission speed sender must not be reinstalled as the permanent magnet will have been destroyed.

Note:
Always replace an oil pipe that has been removed.
Always insert an oil pipe using an insertion aid 3381 as otherwise the oil pipe can be bent.





1. Coat new oil pipe -21- and new O-rings -22- lightly with Vaseline.





2. Insert oil pipe into insertion aid 3381 and drive evenly into transmission housing as far as the stop on the tool. The open side of the tool should face the outer wall of the transmission.





3. Screw in transmission speed sender -19-and spacer (8 mm)-20- and tighten screw -18-.









4. Screw in transmission input speed sender -5-and spacers (20 mm)-6- and tighten screws -4-.









5. Insert wiring harness -2- with the flat point facing the ATF pan.

Subsequent work

1. Install control mechanism for transmission.
2. Install ATF filter.
3. Install ATF pan.
4. Fill in ATF.
5. Install support plate.
6. Lower the vehicle.