Operation CHARM: Car repair manuals for everyone.
Manuals through 2025 now available!

Our trusted friends have launched a new website named LEMON, which has newer manuals. It also contains all the CHARM manuals.

LEMON is the spiritual successor to CHARM, I recommend you try it!

Link: lemon-manuals.la or lemon-manuals.org.ua

(Some people have issue connecting. LEMON is investigating. For now, use Firefox or change your DNS server)

Or, hide this message: temporarily or permanently

PCM2/CDR23 Control Module Function

PCM2/CDR23 control module function

Terminating resistors on the CAN
Terminating resistors are fitted to each end of the wiring to prevent reflection on the wiring. These terminating resistors are integrated into each control module. The interconnection prevents the resistors from being measured with the ohmmeter from the outside.

Resetting all coding / transmission counters
If unlocks or data transmission errors occur during operations, they will be identified by a counter in the individual MOST control modules and recorded by a counter. In this way the corresponding faulty section can be identified in case of problems whilst the unlock counter and the data transmission counter are read and compared with one another. If one of the MOST control modules indicates a considerably higher value, the corresponding optical wave guide and the control module in question, as well as the one positioned in front, should be checked so ascertain whether error codes have been saved in the fault memory. All counters can be reset to 0 in all MOST control modules using the function 'Reset all coding / transmission counters'.

External BOSE amplifier audiotests
The loudspeakers can be checked externally with BOSE amplifier vehicle equipment using this menu item. The following selection is available:
- Manual single selection.
- Automatic test.
- Microphone and loudspeaker.









CAN Infotainment
Communication between the 9588 Porsche System Tester II and the MOST control modules only takes place via the K lead to the instrument cluster. The data is transferred from the instrument cluster gateway to the MOST control modules via CAN Infotainment to the PCM2 gateway, via the electrical MOST in the PCM2 and via the optical MOST outside of the PCM2.

Coding CDR23
1. 9588 Connect and start the Porsche System Tester II and switch on the ignition.
2. Select 'Cayenne' in the Vehicle type menu and confirm with the [>>] key.
3. Select 'CDR23' in the Control modules menu and confirm with the [>>] key.
4. Select 'CDR23' in the Cayenne CDR23 function selection and confirm with the [>>] key
5. Select 'Coding' in the Cayenne CDR23 function selection and confirm with the [>>] key
6. Select 'free switch code' in the Cayenne CDR23 coding function selection and confirm with the [>>] key.
7. Take the free switch code from 'IPAS' and enter it in the form. Code with the [F8] key.

CD changer (CDC)
The CDC is available as an optional feature and is linked to the PCM2 via the optical waveguide. On the PCB under the cover there is a glass fuse (3 amps); if the CD changer voltage supply fails, check this and replace if necessary.

Coding table









External BOSE amplifier coding
It is possible to extract the PCM2 code and to code the PCM2 on a country-specific basis in the 'Modify coding' menu.









CDR23 coding
It is possible to code the free switch code and the PCM2 on a country- specific basis in the 'Modify coding' menu.















Gateway coding
It is possible to extract the PCM2 code and to code the PCM2 on a country-specific basis in the 'Modify coding' menu.


















MMI coding
It is possible to extract the PCM2 code and to code the PCM2 on a country-specific basis in the 'Modify coding' menu.






























Navigation coding
It is possible to extract the PCM2 code and to code the PCM2 on a country-specific basis in the 'Modify coding' menu.



























Telephone/telematics coding
The equipment PCM2 can be coded as required under the menu item 'Modify coding'.






Data transfer fault
If faults are detected when the data is decoded, this is known as a data transfer fault. The faults can arise when the data is coded, when the data is transferred through an input level that is optically too low or when the data is decoded. A fault entry is not recorded.

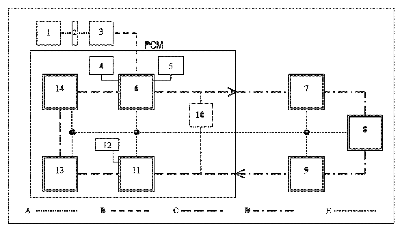
Function of the components






A - K lead
B - CAN Infotainment
C - Electrical MOST (internal)
D - Optical MOST (external)
E - Ring break diagnosis line
1 - 9588 Porsche System Tester II
2 - Diagnostic box
3 - Instrument cluster (gateway)
4 - PCM2 (internal amplifier)
5 - PCM2 (tuner)
6 - PCM2 (gateway) (MOST nodes)
7 - External amplifier (MOST nodes)
8 - CDC (CD changer) (MOST nodes)
9 - Telephone/telematics (MOST nodes)
10 - PCM2 (MOST switch)
11 - MMI (Man Machine Interface) (MOST nodes)
12 - PCM2 single CD
13 - Navigation (MOST nodes)
14 - VOCS (voice control system) (MOST nodes)


Gateway
The gateway is integrated in the PCM2. Together with the MMI, it is a fixed component of each PCM2. It provides a connection to CAN Infotainment via its nodes. Diagnostic and useful data is exchanged with the CAN via these nodes.

It creates links to the following systems:
- CAN Infotainment
- Media Oriented Systems Transport (MOST), internal (electrical)
- Voice control system (VOCS) (optional/insertion)
- Navigation (optional/insertion).
- Man Machine Interface (MMI)
- Single CD.
- Media Oriented Systems Transport (MOST), external bus (optical)
- Optional external amplifier (BOSE)
- CD changer optional
- Telephone/telematics optional

External BOSE amplifier identification
The diagnosis software number and the part numbers for the PCM2 can be read out under this menu item.
1. Connect and start the 9588 Porsche System Tester II and switch on the ignition.
2. Select 'Cayenne' in the Vehicle type menu and confirm with the [>>] key.
3. Select 'PCM2' in the Control modules menu and confirm with the [>>] key.
4. Select 'External BOSE amplifier' in the PCM2 function selection and confirm with the [>>] key
5. Select 'Identification' in the External BOSE amplifier function selection and confirm with the [>>] key
6. "Diagnosis software number; PCM2 part number." appears on the display
7. "Extended identification" can be called up on the display with the [F8] key.

Identification CDR23
The diagnosis software number and the part numbers for the CDR23 can be read out under this menu item.
1. Connect and start the 9588 Porsche System Tester II and switch on the ignition.
2. Select 'Cayenne' in the Vehicle type menu and confirm with the [>>] key.
3. Select 'CDR23' in the Control modules selection menu and confirm with the [>>] key.
4. Select 'Identification' in the CDR23 function selection and confirm with the [>>] key.
5. The message "Diagnosis software number; CDR23 part number." appears on the display.
6. "Extended identification" can be called up on the display with the [F8] key.

CD changer identification
The diagnosis software number and the part numbers for the CD changer can be read out under this menu item.
1. Connect and start the 9588 Porsche System Tester II and switch on the ignition.
2. Select 'Cayenne' in the Vehicle type menu and confirm with the [>>] key.
3. Select 'PCM2 or CDR23' in the Control units menu and confirm with the [>>] key.
4. Select 'CD changer' in the PCM2 or CDR23 function selection and confirm with the [>>] key
5. Select 'Identification' in the Cayenne PCM2 or CDR23 CD changer function selection and confirm with the [>>] key.
6. "Diagnosis software number; PCM2 part number." appears on the display
7. "Extended identification" can be called up on the display with the [F8] key.

Gateway identification
The diagnosis software number and the part number for the PCM2 can be read out under this menu item.
1. 9588 Connect and start the Porsche System Tester II and switch on the ignition.
2. Select 'Cayenne' in the Vehicle type menu and confirm with the [>>] key.
3. Select 'PCM2' in the Control modules menu and confirm with the [>>] key.
4. Select 'PCM2 GW' in the Cayenne PCM2 function selection and confirm with the [>>] key
5. Select "Identification" in the Cayenne PCM2 GW function selection and confirm with the [>>] key.
6. 'Diagnosis software number; PCM2 part number.' appears on the display
7. "Extended identification" can be called up on the display with the [F8] key.

MMI identification
The diagnosis software number and the part number for the PCM2 can be read out under this menu item.
1. Connect and start the 9588 Porsche System Tester II and switch on the ignition.
2. Select 'Cayenne' in the Vehicle type menu and confirm with the [>>] key.
3. Select 'PCM2' in the Control modules menu and confirm with the [>>] key.
4. Select 'PCM2 MMI' in the Cayenne PCM2 function selection menu and confirm with the [>>] key
5. Select 'Identification' in the Cayenne PCM2 GW function selection menu and confirm with the [>>] key.
6. "Diagnosis software number; PCM2 part number." appears on the display
7. "Extended identification" can be called up on the display with the [F8] key.

Navigation identification
The diagnosis software number and the part number for the PCM2 can be read out under this menu item.
1. Connect and start the 9588 Porsche System Tester II and switch on the ignition.
2. Select 'Cayenne' in the Vehicle type menu and confirm with the [>>] key.
3. Select 'PCM2' in the Control modules menu and confirm with the [>>] key.
4. Select 'Navigation' in the PCM2 function selection and confirm with the [>>] key.
5. Select 'Identification' in the Cayenne navigation function selection and confirm with the [>>] key.
6. "Diagnosis software number; PCM2 part number." appears on the display
7. "Extended identification" can be called up on the display with the [F8] key.

Telephone/telematics identification
The diagnosis software number and the part numbers for the PCM2 can be read out under this menu item.
1. Connect and start the 9588 Porsche System Tester II and switch on the ignition.
2. Select 'Cayenne' in the Vehicle type menu and confirm with the [>>] key.
3. Select 'PCM2' in the Control modules menu and confirm with the [>>] key.
4. Select 'Telephone/telematics' in the PCM2 function selection and confirm with the [>>] key
5. Select 'Identification' in the Cayenne telephone/telematics function selection and confirm with the [>>] key
6. "Diagnosis software number; telephone/telematics part number" appears on the display.
7. "Extended identification" can be called up on the display with the [F8] key.

External BOSE amplifier actual values
- Blower speed, air-conditioning.
- MOST unlock counter.
- MOST transmission error.
- Supply voltage.









CDR23 actual values
It is possible to read out the following values under the 'Actual values' menu item:
- MOST transmission error
- MOST unlock counter
- Traffic broadcast loudspeaker boost
- Supply voltage









CD changer actual values
It is possible to read out the sum of the following counters under the 'Actual values' menu item.
MOST transmission error
MOST unlock counter






Gateway actual values
It is possible to read out the following values under the 'Actual values' menu item:
- MOST unlock counter
- Voltage supply






MMI actual values
It is possible to read out the unlock counter under the 'Actual values' menu item.









Navigation actual values
It is possible to read out the following values under the 'Actual values' menu item:
- ABS signal
- MOST transmission error
- MOST unlock counter
- Gradient
- Wheel pulse counter
- Rotation












Telephone/telematics actual values
It is possible to read out the following values under the 'Actual values' menu item:
- MOST transmission error
- MOST unlock counter
- Signal strength
- Supply voltage









Man Machine Interface (MMI)
The MMI is part of the PCM2 (on the mainboard). It runs the gateway commands via the wake-up signal line and the distribution line diagnosis.

MOST actual installed components list/required installed components list
All MOST control modules that are connected to the PCM2 are entered in the 'required installed components list'. An actual installed components list is written and saved when the PCM2 is started.

MOST lock/unlock
There is a lock present when the MOST signal sent by the MMI (electronically or optically via the optical waveguide) can be recognised by the connected MOST control units.

MOST component check

NOTE: When there is a customer complaint or identifiable problems but no fault code entries, firstly the 'MOST component check' is to be selected in the PCM2 function selection menu and then the 'MOST system check' is to be carried out.

NOTE: The 'Reset all coding/transmission counters' function can be used to reset all fault counters that were set for all components to '0'.

The MOST component check can be reached via the menu PCM2 or CDR23 function selection. This comprises a summary of the following check processes:
- Data transmission check.
- MOST system check.
- Ring break diagnosis.

The MOST components check 'MOST system check' is to be carried out when the display indicates 'unavailable MOST control modules'. If no fault code is stored, the '*' symbol indicates a 'varying required and actual installed components list' in the Control modules menu in front of the 'PCM2' system and in the 'PCM2 MMI function selection' in front of the selection 'MOST required installed components list'. A comparison of these two lists can determine missing components.

Data transmission check
Using this menu item, the quality of the data transmission can be assessed. This is a counter which leads to an increase in the value if faults occur within a certain time period. The check is carried out continuously at predetermined intervals.






MOST system check






Ring break diagnosis






MOST - optical/electrical
MOST signals are transferred electrically within the PCM2 and optically outside of the PCM2. Internally, the PCM2 consists of at least 2 nodes (GW and MMI), which are installed in the device and can also be expanded to four nodes by adding the navigation and VOCS nodes.

The data is transferred outside of the PCM2 via the optical waveguide, which creates a connection to the nodes in the external MOST control modules such as external amplifiers, CD changers, and/or telephone/telematics (depending on the equipment). The gateway node constitutes the connection to CAN Infotainment.

MOST switch
The MOST switch is part of the PCM2. It keeps the electrical MOST closed if no other MOST control module is optically connected to the MOST. The MOST switch is opened when a light signal is received from the connected MOST control modules.

NOTE:
- When the PCM2 is replaced, the coding must be performed in accordance with the connected MOST control modules.
- When the 'Switch closed' parameter is set, the switch remains closed even in existing MOST control modules. Communication is then not possible.

Navigation
The navigation module is designed as a module box, which can be inserted in the PCM2 as an option. After the insertion, an electronic switch is opened automatically and the module is integrated into the MOST ring.

Ring break diagnosis line
The ring break diagnosis is an electrical lead, which, as a stub cable, connects the individual MOST control modules in the system with one another. The existing MOST control modules are checked at regular intervals during communication with the control modules via the electrical/optical MOST.

CDR23 input signals
The following queries can be run using this menu item:
- Key code
- Status of the optical performance check
- GAL (NLB)

NOTE: Deactivate the 'automatic traffic announcement' before performing the diagnosis on the CDR23. If this is not done, the system will crash (applies only to software version < 03).









Gateway input signals
The following queries can be run using this menu item:
- Available registry startup status.
- Internal ring lock startup status.
- External ring lock startup status.

NOTE: Deactivate the 'automatic traffic announcement' before performing the diagnosis on the PCM2. If this is not done, the diagnosis will abort (applies only to software version < 03).









MMI input signals
The following queries can be run using this menu item:
- left/right rotation indicator
- Key code

NOTE: Deactivate the 'automatic traffic announcement' before performing the diagnosis on the PCM2. If this is not done, the diagnosis will abort (applies only to software version number < 03).









Navigation input signals
The following queries can be run using this menu item:
- Count CD sectors.
- Signal, reverse gear-navigation unit

NOTE: Deactivate the 'automatic traffic announcement' before performing the diagnosis on the PCM2. If this is not done, the diagnosis will abort.






Telephone/telematics input signals
The following queries can be run using this menu item:
- Signal strength

NOTE: Deactivate the 'automatic traffic announcement' before performing the diagnosis on the PCM2. If this is not done, the diagnosis will abort.






Single CD
The CD player is part of the PCM2. It is used to update the navigation system.

Voice control system (VOCS)
The VOCS is designed as a module box which can be pushed into the PCM2 (optional). After the insertion, an electronic switch is opened and the module is integrated into the MOST ring.

CDR23 actuators
Drive links of the PCM2 can be activated with this menu item. This allows the function of the drive links to be assessed very quickly.

The following drive links can be activated with the 9588 Porsche System Tester II:
- Display Test 'ALL ON'

NOTE: The activated drive link is automatically switched off after approximately 20 seconds.






MMI actuators
Drive links of the PCM2 can be activated with this menu item. This allows the function of the drive links to be assessed very quickly.

The following drive links can be activated with the 9588 Porsche System Tester II:
- Display colour black
- Display colour "coloured bars"
- Display colour blue
- Display colour red
- Display colour green
- Display colour white

NOTE: The activated drive link is automatically switched off after approximately 20 seconds.






CDR23 control module
The CDR23 is installed in the vehicle with and without amplifier (internal).

The CDR23 with amplifier (internal) is used if no external amplifier (BOSE) is installed.

The CDR23 without amplifier (internal) is used if a sound package is installed.

NOTE: If no external amplifier (BOSE) is installed on the CDR23, am LWL bridge must be installed on the LWL bushindg (only valid for CDR23 with index < 03).

The CDR23 control module includes the following components:

Internal:
CDR23 GW
Internal amplifier (optional, depending on the equipment)
Tuner
Single CD
Controller Area Network (CAN) Comfort

External:
(Optional) external amplifier (BOSE)
CD changer (CDC), (optional)

PCM2 exchange control module (head unit).

The PCM2 control unit (head unit) includes the following components:

Internal:
PCM2 gateway.
PCM2 Man Machine Interface (MMI).
Internal amplifier (optional, depending on the equipment).
Tuner.
Single CD.
Navigation (optional/insertion).
VOCS (voice control system) (optional/insertion).
Controller Area Network (CAN) Infotainment
MOST switch.

External:
(Optional) external amplifier (BOSE).
CD changer (CDC), (optional).
Telephone/telematics (optional).

The PCM2 consists of at least two but a maximum of four MOST nodes, (Gateway, MMI and Navigation and VOCS (optional)), which communicate with each other electronically via the MOST. Data is transferred outside of the PCM2 via the optical MOST.

Replacing CDR23 control modules
The CDR23 is provided in 'active production mode' in new vehicles and as a spare part. Each time the vehicle is started, the model range code that is stored is compared with the code in the instrument cluster. If no match is found, the device switches off after 30 seconds and the 'PROTECTED' message appears in the display.

If a match is found, the device is operational. No further checks are made while the device is connected to the vehicle electrical system.

Telephone/telematics
The telephone/telematics feature is available as an option and is linked to the PCM2 via the optical waveguide.

Tuner
The optional tuner is part of the PCM2 (installed on the main board).

External amplifier
The external amplifier is optional with an external BOSE amplifier and is connected via the optical waveguide with the PCM2 or CRD23.

Internal amplifier
The internal amplifier is an optimal part of the PCM2 (installed on the main board).

Wake-up function
In an idle state, all control modules that are connected to the PCM2 are in sleep mode. When the PCM2 is switched on, 'the light' which is reinforced by the connected MOST control modules and forwarded is switched on via the gateway.