Electrical Diagrams
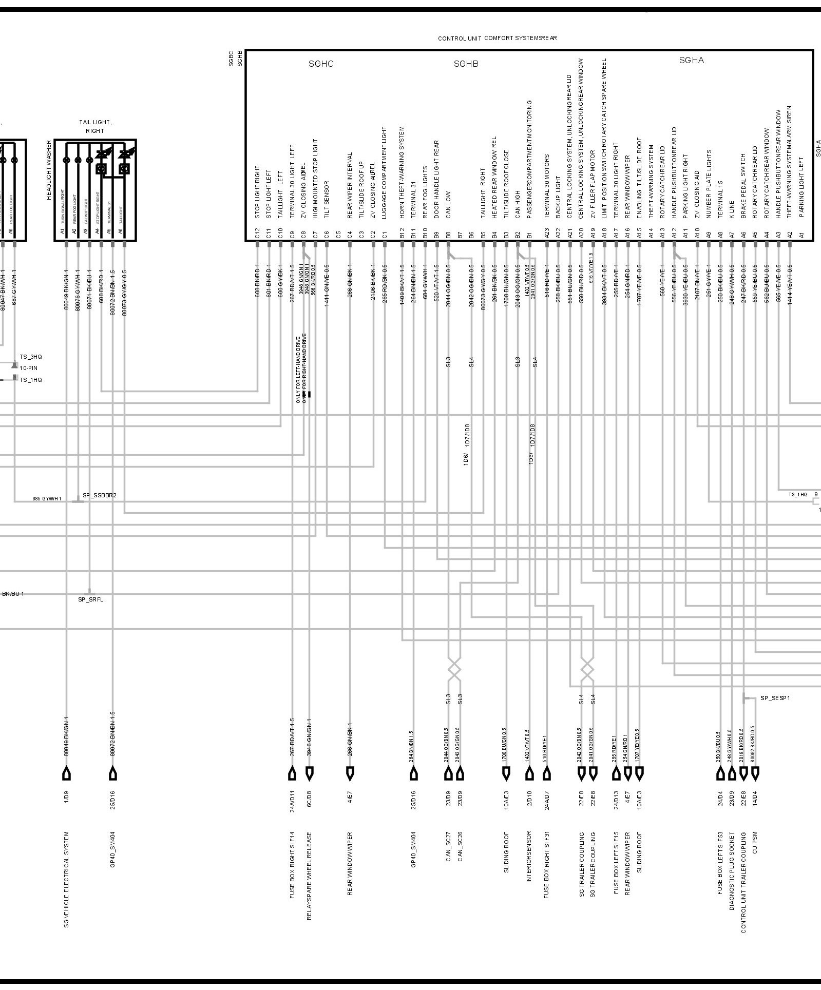
Control Unit Comfort Systems Rear And Alarm Central Locking System - Sheet 8
Control Unit Comfort Systems Rear And Alarm Central Locking System - Sheet 8 (Part 1):
Control Unit Comfort Systems Rear And Alarm Central Locking System - Sheet 8 (Part 2):
Control Unit Comfort Systems Rear And Alarm Central Locking System - Sheet 8 (Part 3):
Control Unit Comfort Systems Rear And Alarm Central Locking System - Sheet 8 (Part 4):
Control Unit Comfort Systems Rear And Alarm Central Locking System - Sheet 8 (Part 5):
Control Unit Comfort Systems Rear And Alarm Central Locking System - Sheet 8 (Part 6):
Diagrams: Other diagrams referred to by name and sheet number/coordinate (i.e. "Instrument Cluster 3/C5") within these diagrams can be found at the vehicle level under Diagrams By Name. Diagrams By Name