Operation CHARM: Car repair manuals for everyone.
Manuals through 2025 now available!

Our trusted friends have launched a new website named LEMON, which has newer manuals. It also contains all the CHARM manuals.

LEMON is the spiritual successor to CHARM, I recommend you try it!

Link: lemon-manuals.la or lemon-manuals.org.ua

(Some people have issue connecting. LEMON is investigating. For now, use Firefox or change your DNS server)

Or, hide this message: temporarily or permanently

Part 2

WM 1001IN Tightening torques, tightening sequences, assembly overviews for V8 4.8 liter DFI naturally aspirated and turbo engines (continued)

Group 15





Valves (cylinder bank 5 to 8)

1 - Intake valve
2 - Valve seat ring (intake)
3 - Valve guide
4 - Lower valve spring plate (intake)
5 - Valve stem seal
6 - Set of valve springs (intake)
7 - Upper valve spring plate (intake)
8 - Valve collet
9 - Upper valve spring plate (outlet)
10 - Set of valve springs (M48/51 outlet); outlet valve spring (M48/01)
11 - Lower valve spring plate (outlet)
12 - Valve seat ring (outlet)
13 - Outlet valve





Cylinder head 1 to 4

1 - Cylinder head 1 to 4
2 - Cylinder head gasket 1 to 4
3 - Screw, M8 - Tightening torque: 23 Nm (17 ftlb.)
4 - Lid
5 - Stopper
6 - Stopper
7 - Restrictor for valve lift control - Tightening torque: 1.5 Nm (1.0 ftlb.)
8 - Cylinder head screws
9 - Spark plug; for refitting - Tightening torque: 25 Nm (19 ftlb.)+3 Nm (+2 ftlb.); if fitting new spark plugs - Tightening torque: 30 Nm (22 ftlb.)+3 Nm (+2 ftlb.)





Cylinder head 5 to 8

1 - Cylinder head 5 to 8
2 - Screw plug - Tightening torque: 5 Nm (3.5 ftlb.)
3 - Spark plug; for refitting - Tightening torque: 25 Nm (19 ftlb.)+3 Nm (+2 ftlb.); if fitting new spark plugs - Tightening torque: 30 Nm (22 ftlb.)+3 Nm (+2 ftlb.)
4 - Cylinder head gasket 5 to 8
5 - Stopper
6 - Restrictor for valve lift control - Tightening torque: 1.5 Nm (1.0 ftlb.)
7 - Stopper
8 - Lid
9 - Cylinder-head screws





Tightening sequence for cylinder head

Bolts 1 to 10
- 1st initial tightening - Tightening torque: 30 Nm (22 ftlb.); 2nd initial tightening - Tightening torque: 50 Nm (37 ftlb.); loosen by 2 turns - Torque angle: 72°; 1st turn - Tightening torque: 10 30 Nm (22 ftlb.); 2nd turn - Tightening torque: 30 Nm (22 ftlb.); 3rd turn and final tightening (torque angle) - Torque angle: 110°






Studs for cylinders 1 to 4, catches

1 - Screw plug - Tightening torque: 5 Nm (3.5 ftlb.)
2 - Threaded bolt - Fit with medium strength securing liquid! For details of visible length/screw-in depth, see below
3 - Sealing ring
4 - Screw plug - Tightening torque: 15 Nm (11 ftlb.)
5 - Stopper
24-1.0 - Visible length on turbo engine: 24 mm; visible length on naturally aspirated engine: 17 mm

Pfeile - Oil bearing surfaces on camshafts with engine oil

- Screw plug (not shown) - instead of turbocharger oil line on naturally aspirated engine - Tightening torque: 15 Nm (11 ftlb.)





Studs for cylinders 5 to 8, catches

1 - Stopper
2 - Screw plug - Tightening torque: 15 Nm (11 ftlb.)
3 - Sealing ring
4 - Threaded bolt - Fit with medium strength securing liquid! For details of visible length/screw in depth, see below
24-1.0 - Visible length on turbo engine: 24 mm; visible length on naturally aspirated engine: 17 mm

Pfeile - Oil bearing surfaces on camshafts with engine oil





Valve cover seals, cylinders 1 to 4

1 - Valve cover for cylinders 1 to 4 (align over bar ignition modules)
2 - Oil cap
3 - Screw, M6 x 16 - Tightening torque: 10 Nm (7.5 ftlb.)
4 - Hall sender
5 - O-ring
6 - Valve cover seal
7 - Valve cover seal, inner
8 - Seal for hydraulic valve for camshaft control





Valve cover seals, cylinders 5 to 8

1 - Valve cover for cylinders 5 to 8 (align over bar ignition modules)
2 - Hall sender
3 - Screw, M6 x 16 - Tightening torque: 10 Nm (7.5 ftlb.)
4 - O-ring
5 - Valve cover seal
6 - Valve cover seal, inner
7 - Seal for hydraulic valve for camshaft control





Tightening sequence for valve cover for cylinders 1 to 4





Tightening sequence for valve cover for cylinders 5 to 8





Bar ignition modules and valve cover, cylinder bank 1 to 4

1 - Valve cover for cylinder bank 1 to 4 (align over bar ignition modules)
2 - Bar ignition module
3 - Bar ignition module screw - Tightening torque: 10 Nm (7.5 ftlb.)
4 - Screw, M6 - Tightening torque: 13 Nm (9.5 ftlb.)
5 - Cap
6 - Screw, M8; (two on eyelet and two on torque support) - Tightening torque: 23 Nm (17 ftlb.)
7 - Eyelet - Tightening torque: 23 Nm (17 ftlb.)
8 - Sheetmetal holder
A - Direction of travel
- Not shown; design cover on bar ignition modules - Tightening torque: 4.4 Nm (3.0 ftlb.)





Bar ignition modules and valve cover, cylinder bank 5 to 8

1 - Valve cover for cylinder bank 5 to 8 (align over bar ignition modules)
2 - Eyelet
3 - Screw, M8; (two on eyelet) - Tightening torque: 23 Nm (17 ftlb.)
4 - Screw, M6 - Tightening torque: 13 Nm (9.5 ftlb.)
5 - Bar ignition module
6 - Bar ignition module screw - Tightening torque: 10 Nm (7.5 ftlb.)
7 - Sheetmetal holder
8 - Cap
A - Direction of travel
- Not shown; design cover on bar ignition modules - Tightening torque: 4.4 Nm (3.0 ftlb.)





Camshafts, cylinder bank 1 to 4

1 - Camshaft (outlet)
2 - Camshaft (intake)
3 - Hydraulic valve for variable valve lift control
4 - Screw, M5 x 12 - Tightening torque: 6 Nm (4.5 ftlb.)
5 - Switching tappet (oil with engine oil)
6 - Flat-base tappet (oil with engine oil)
7 - Stopper
8 - Mounting saddle 1 to 4
9 - Stopper
10 - Bearing locations (oil with engine oil)
A - Direction of travel





Camshaft mount, cylinder bank 1 to 4

1 - Screw, M6 x 35 - Tightening torque: 13 Nm (9.5 ftlb.)
2 - Bearing cover
3 - Dowel sleeve
4 - Bearing cover (intake)
5 - Bearing cover (outlet)
6 - Screw, M6 x 70 - Tightening torque: 13 Nm (9.5 ftlb.)
7 - Bearing surfaces (oil with engine oil)
A - Direction of travel





Camshafts, cylinders 5 to 8

1 - Switching tappet (oil with engine oil)
2 - Flat-base tappet (oil with engine oil)
3 - Camshaft (intake)
4 - Hydraulic valve for variable valve lift control
5 - Screw, M5 x 12 - Tightening torque: 6 Nm (4.5 ftlb.)
6 - Camshaft (outlet)
7 - Stopper
8 - Mounting saddle, cylinders 5 to 8
9 - Stopper
10 - Bearing surfaces (oil with engine oil)
A - Direction of travel





Camshaft mount, cylinders 5 to 8

1 - Dowel sleeves
2 - Bearing cover (intake)
3 - Screw, M6 x 70 - Tightening torque: 13 Nm (9.5 ftlb.)
4 - Bearing cover
5 - Screw, M6 x 35 - Tightening torque: 13 Nm (9.5 ftlb.)
6 - Bearing cover (outlet)
7 - Bearing surfaces (oil with engine oil)
A - Direction of travel





Camshaft control

1 - Screw, M12 Tighten completely after setting timing!; 1st turn - Tightening torque: 10 Nm (7.5 ftlb.); 2nd turn - Tightening torque: 50 Nm (37 ftlb.); final tightening (torque angle) - Torque angle: 135°
2 - Hexagon sleeve
3 - Camshaft controller
4 - Washer (reusable); replace if disassembled completely
5 - Hydraulic valve for camshaft control
6 - Screw, M5 x 12 - Tightening torque: 6 Nm (4.5 ftlb.)
A - Direction of travel





Camshaft identification on V8 turbo engine M48/51

A - Cylinders 1 to 4
B - Cylinders 5 to 8
1 - Outlet camshaft identification (green)
2 - Intake camshaft identification (blue)
3 - Intake camshaft identification (blue)
4 - Outlet camshaft identification (green)





Camshaft identification on V8 naturally aspirated engine M48/01

A - Cylinders 1 to 4
B - Cylinders 5 to 8
1 - Outlet camshaft identification (green)
2 - Intake camshaft identification (white)
3 - Intake camshaft identification (white)
4 - Outlet camshaft identification (green)





Camshaft bearing cover identification

- All markings can be read from the exhaust side/main diagram applies symmetrically for both cylinder heads

1 - Matching number for cylinder head/intake camshaft bearing cover, cylinder 1 (E1)
2 - Matching number for cylinder head/intake camshaft bearing cover, cylinder 2 (E2)
3 - Matching number for cylinder head/intake camshaft bearing cover, cylinder 3 (E3)
4 - Matching number for cylinder head/intake camshaft bearing cover, cylinder 4 (E4)
5 - Matching number for cylinder head/outlet camshaft bearing cover, cylinder 1 (A1)
6 - Matching number for cylinder head/outlet camshaft bearing cover, cylinder 2 (A2)
7 - Matching number for cylinder head/outlet camshaft bearing cover, cylinder 3 (A3)
8 - Matching number for cylinder head/outlet camshaft bearing cover, cylinder 4 (A4)
Pfeil - Direction of travel





Timing chain and sprockets

1 - Double chain camshaft drive
2 - Camshaft sprocket
3 - Screw, M12 x 140 Tighten completely after setting timing!; 1st turn - Tightening torque: 10 Nm (7.5 ftlb.); 2nd turn - Tightening torque: 50 Nm (37 ftlb.); final tightening (torque angle) - Torque angle: 90°
4 - Deflector rail
5 - Screw, M8 x 35 - Tightening torque: 32 Nm (24 ftlb.)
6 - Camshaft-to camshaft guide pad
A - Direction of travel





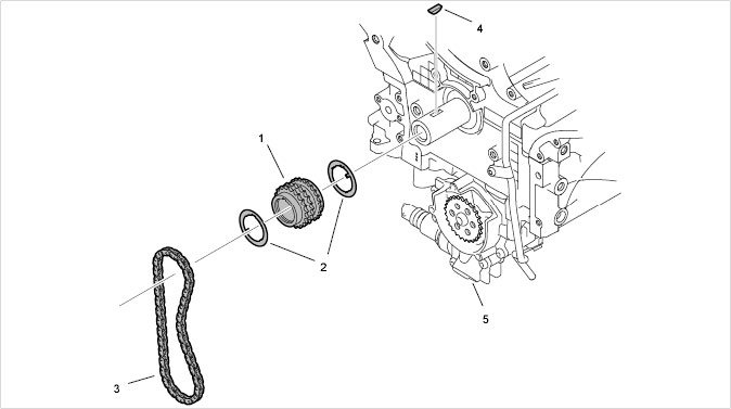
Oil pump chain drive

1 - Crankshaft sprocket
2 - Friction plates/diamond washers; reusable
3 - Oil pump drive chain
4 - Drive in spring wedge with a plastic hammer
5 - Oil pump





Timing chain and chain guide

1 - Threaded peg - Tightening torque: 35 Nm (26 ftlb.)
2 - Threaded peg - Tightening torque: 20 Nm (15 ftlb.)
3 - Guide rail
4 - Tensioning rail
5 - Chain tensioner with seal - Tightening torque: 60 Nm (44 ftlb.)
6 - Pin (for locking the oil pump tensioning rail)
A - Direction of travel





Timing-case cover seals

1 - Timing case cover
2 - Timing case cover seal, outer right (fill openings with sealing compound, see 6)
3 - Timing case cover seal, inner
4 - Timing case cover seal, rib
5 - Timing case cover seal, outer left (fill openings with sealing compound, see 6)
6 - Applying sealant to timing chain housing; Loctite 5900 (000.043.204.35 status 04/07)
A - Direction of travel





Applying sealing compound (fill openings in sheetmetal seal with sealing compound)





Tightening sequence for timing case cover

A - Screw, M6 x 25 - Tightening torque: 13 Nm (9.5 ftlb.)
B - Screw, M6 x 50; inner timing case cover to upper part of crankcase and cylinder head - Tightening torque: 13 Nm (9.5 ftlb.); timing case cover to cylinder head - Tightening torque: 13 Nm (9.5 ftlb.)
C - Screw, M8 x 50; timing case cover (chain tensioner position) to upper part of crankcase and cylinder head - Tightening torque: 23 Nm (17 ftlb.)
D - The timing case cover must be level with the lower part of the crankcase (use steel rule or dial gauge)





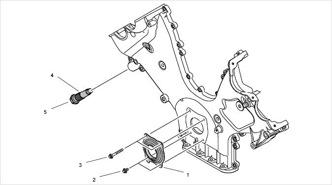
Chain tensioner, sealing flange

1 - Joint flange (oil sealing lip with engine oil); align with sleeve or vibration balancer
2 - Screw, M6 x 12 - Tightening torque: 10 Nm (7.5 ftlb.)
3 - Screw, M6 x 50 - Tightening torque: 10 Nm (7.5 ftlb.)
4 - Sealing ring
5 - Chain tensioner - Tightening torque: 60 Nm (44 ftlb.)

Group 17





Oil/coolant heat exchanger, oil filter

1 - Oil guide housing
2 - Oil-filter housing - Tightening torque: 25 Nm (19 ftlb.)
3 - Oil filter
4 - Oil filter sealing ring
5 - Oil duct adapter (cannot be replaced)
6 - Heat exchanger seal
7 - Oil/coolant heat exchanger
8 - Screw, M6 x 20; self tapping screws ex works; metric screws can also be used - Tightening torque: 10 Nm (7.5 ftlb.)
A - Direction of travel





Applying sealant to oil guide housing

1 - Sealant application (geometry, 1-mm bead of sealant)
2 - Dreibond Silikon FD 2210 sealing compound
A - Direction of travel





Oil guide housing with accessories

1 - Guide tube
2 - O ring
3 - Screw, M6 x 16 - Tightening torque: 10 Nm (7.5 ftlb.)
4 - Oil dipstick
5 - O ring
6 - Screw, M6 x 25; timing case cover to oil guide housing - Tightening torque: 12 Nm (9 ftlb.); oil level sensor to oil guide housing - Tightening torque: 12 Nm (9 ftlb.); oil guide housing to lower part of crankcase - Tightening torque: 13 Nm (9.5 ftlb.)
7 - Oil level sensor
8 - O ring
9 - Sealing flange
10 - Screw, M6 x 20 - Tightening torque: 10 Nm (7.5 ftlb.)
11 - Screw, M6 x 16 - Tightening torque: 10 Nm (7.5 ftlb.)
A - Direction of travel





Oil pressure sensor and oil pressure measuring point

1 - Oil-pressure sensor adapter
2 - O-ring
3 - Oil-pressure sender with temperature sensor
4 - Screw, M6 x 40 - Tightening torque: 10 Nm (7.5 ftlb.)
5 - Stopper - Tightening torque: 15 Nm (11 ftlb.)
6 - Sealing ring
A - Direction of travel





Oil level measurement

1 - Oil dipstick
2 - Correct area for engine oil fill level; the following measuring conditions must be observed: Surface must be level, oil temperature between 80 and 90°C, drip time of 3 to 4 minutes after stopping the engine, measuring tongue on oil dipstick must be clean, leave oil dipstick in guide tube for 5 seconds
3 - Upper tolerance limit (max. + 5 mm)
4 - Lower tolerance limit (max. - 5 mm)
- Oil filling quantity between Min and Max marking is 1.5 liters





Oil lines on turbo engine (M48/51)

1 - Oil extraction line for turbocharger, cylinders 1 to 4
2 - Oil extraction line for turbocharger, cylinders 5 to 8
3 - Intake manifold on oil pump
4 - O-ring
5 - Oil pressure pipe
6 - O ring
7 - O ring, 22 x 3
8 - Oil control line
9 - O ring
10 - O ring
11 - Screw, M6 x 16; oil pressure pipe to oil pump and oil guide housing - Tightening torque: 12 Nm (9 ftlb.); oil control line to oil pump and oil guide housing - Tightening torque: 12 Nm (9 ftlb.); turbocharger extraction line to oil pump - Tightening torque: 12 Nm (9 ftlb.)
12 - Screw, M6 x 20 - Tightening torque: 12 Nm (9 ftlb.)
A - For arrangement of oil lines, see other illustrations
B - Direction of travel





Oil lines on naturally aspirated engine (M48/01)

1 - Oil pump intake manifold
2 - O-ring
3 - Oil pressure pipe
4 - O ring
5 - O ring
6 - Oil regulating line
7 - O ring
8 - O ring
9 - Screw, M6 x 16; oil pressure pipe to oil pump and oil guide housing - Tightening torque: 12 Nm (9 ftlb.); oil control line to oil pump and oil guide housing - Tightening torque: 12 Nm (9 ftlb.)
10 - Screw, M6 x 20 - Tightening torque: 12 Nm (9 ftlb.)





Oil lines, intake manifold on turbo engine M48/51

1 - Mount for oil extraction line for turbocharger, cylinders 1 to 4
2 - Mount for oil extraction line for turbocharger, cylinders 5 to 8
3 - Mount for oil separator vent line, cylinders 5 to 8
4 - Mount for oil pump intake manifold
6 - Mount for oil pressure pipe
9 - Mount for oil regulating line
A - Direction of travel





Oil lines, intake manifold on naturally aspirated engine M48/01

1 - Mount for oil pump intake manifold
2 - Mount for oil separator vent line, cylinders 5 to 8
3 - Mount for oil pressure pipe
4 - Mount for oil regulating line





Oil pan

1 - Oil pan with reusable seal inserted
2 - Sealing ring
3 - Oil drain plug, M18 x 1.5 - Tightening torque: 50 Nm (37 ftlb.)
4 - Screw, M6 x 20 - Tightening torque: 10 Nm (7.5 ftlb.)
A - Direction of travel





Oil guide (oil plate)

1 - Oil guide (oil plate)
2 - Oil return seal
3 - Screw, M6 x 20 - Tightening torque: 10 Nm (7.5 ftlb.)
4 - Bulkhead seal
5 - Joining socket
6 - O ring
7 - Assembly depth until locking lug engages
A - Direction of travel





Oil pump on turbo engine M48/51 with oil extraction stage

1 - Oil pump with extraction stage
2 - Screw, M8 x 22; replace; 1st turn - Initial tightening: 20 Nm (15 ftlb.); final tightening (torque angle) - Torque angle: 90°
3 - Oil pump sprocket
4 - Cap screw, M36 x 1.5 x 12 - Tightening torque: 40 Nm (30 ftlb.)
5 - Solenoid valve
6 - O ring (grease before fitting)
7 - Dowel sleeve
8 - Screw, M6 x 45 - Tightening torque: 13 Nm (9.5 ftlb.)
9 - Sprocket cover
10 - Screw, M6 x 16 - Tightening torque: 10 Nm (7.5 ftlb.)
11 - Drive chain
12 - Connection for intake manifold joining socket
A - Direction of travel





Oil pump on naturally aspirated engine M48/01

1 - Oil pump
2 - Screw, M8 x 22; replace; 1st turn - Initial tightening: 20 Nm (15 ftlb.); final tightening (torque angle) - Torque angle: 90°
3 - Oil pump sprocket
4 - Cap screw, M36 x 1.5 x 12 - Tightening torque: 40 Nm (30 ftlb.)
5 - Solenoid valve
6 - O-ring (grease before fitting)
7 - Dowel sleeve
8 - Screw, M6 x 45 - Tightening torque: 13 Nm (9.5 ftlb.)
9 - Sprocket cover
10 - Screw, M6 x 16 - Tightening torque: 10 Nm (7.5 ftlb.)
11 - Drive chain