Operation CHARM: Car repair manuals for everyone.
Manuals through 2025 now available!

Our trusted friends have launched a new website named LEMON, which has newer manuals. It also contains all the CHARM manuals.

LEMON is the spiritual successor to CHARM, I recommend you try it!

Link: lemon-manuals.la or lemon-manuals.org.ua

(Some people have issue connecting. LEMON is investigating. For now, use Firefox or change your DNS server)

Or, hide this message: temporarily or permanently

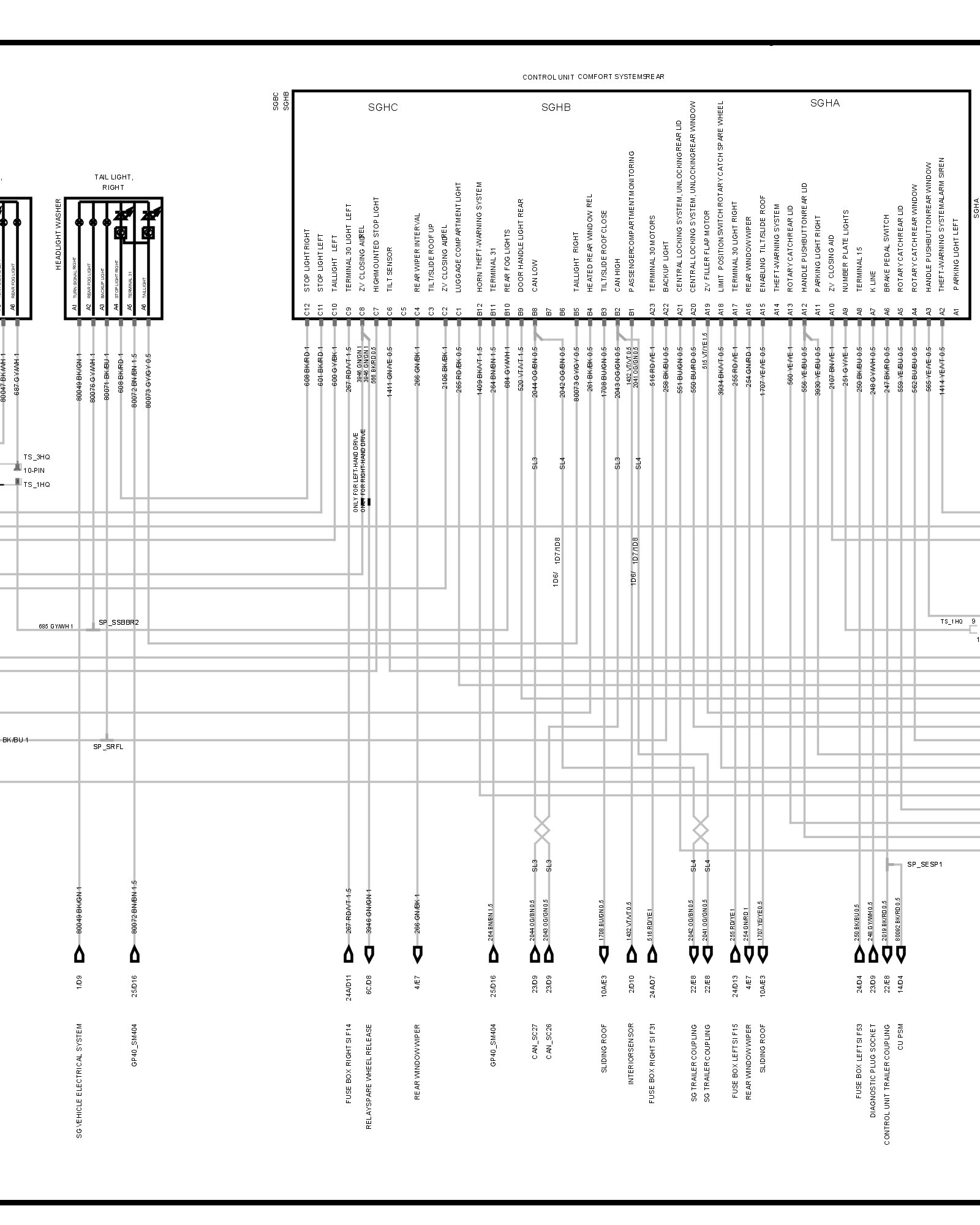
Body Control Module



Control Unit Comfort Systems Rear Alarm Central Locking System - Sheet 8


Control Unit Comfort Systems Rear Alarm Central Locking System - Sheet 8 (Part 1):





Control Unit Comfort Systems Rear Alarm Central Locking System - Sheet 8 (Part 2):





Control Unit Comfort Systems Rear Alarm Central Locking System - Sheet 8 (Part 3):





Control Unit Comfort Systems Rear Alarm Central Locking System - Sheet 8 (Part 4):





Control Unit Comfort Systems Rear Alarm Central Locking System - Sheet 8 (Part 5):





Control Unit Comfort Systems Rear Alarm Central Locking System - Sheet 8 (Part 6):






Diagrams: Other diagrams referred to by name and sheet number/coordinate (i.e. "Instrument Cluster 3/C5") within these diagrams can be found at the vehicle level under Diagrams By Name. Diagrams By Name