Operation CHARM: Car repair manuals for everyone.
Manuals through 2025 now available!

Our trusted friends have launched a new website named LEMON, which has newer manuals. It also contains all the CHARM manuals.

LEMON is the spiritual successor to CHARM, I recommend you try it!

Link: lemon-manuals.la or lemon-manuals.org.ua

(Some people have issue connecting. LEMON is investigating. For now, use Firefox or change your DNS server)

Or, hide this message: temporarily or permanently

PCM3.0(R) - Voice Control System Installation/Conversion

PCM3.0 - Voice Control System (l-no. 671)

Information:
Retrofitting

Model Year:
As of 2009

Restriction:
Only for vehicles with navigation system (l-no. 672).

NOTE:
Virtually all PCM3.0 functions can be controlled via the latest generation of the voice control system.

Each menu item can generally be spoken exactly as it appears on the screen. The voice control system recognizes commands or number sequences, irrespective of who says them. It provides acoustic feedback and guides the user through the functions. The system does not need to be taught. Phone book entries can be called, radio stations can be set or a navigation destination can be entered directly by speaking whole words.

For more information on operation and the various functions available, refer to the "PCM" operating instructions.

After ordering, i.e. entering the part number and Vehicle Identification Number (VIN) in POLARIS Lock/Key parts order screen, the enabling code should be displayed within one day once the VIN is entered in the Vehicle code information column in the PIWIS information system.





Parts Info:
997.044.902.36 - Voice control system, set

Part List:





Materials:
--- -- Wrapping tape (commercially available)

Tools:
PIWIS Tester 9718
Press-out tool set Nr.155 Pos.1

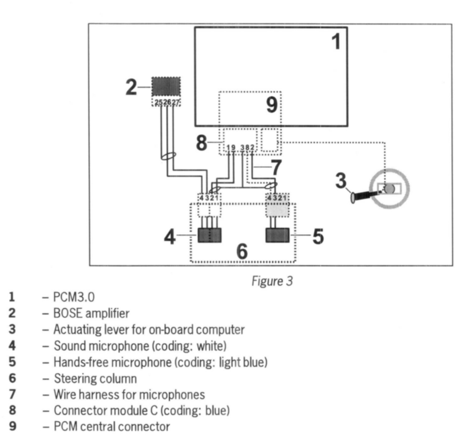
Component diagram:

INFORMATION For a better understanding of the system layout, see system diagram, Figure 3.





Work Procedure:
1 Preparatory work.
1.1 Disconnect the battery.-->Workshop Manual '2XOO1NO2 Work instructions after disconnecting the battery
1.2 Remove steering column switch.-->Workshop Manual '94501900 Removing and installing Steering column switch'
1.3 Only for vehicles on which the microphone wire harness must be installed (see Step 2.1)
1.3.1 Remove trim panel under dashboard (driver's side).-->Workshop Manual '701919 Removing and installing trim panel under dashboard'
1.3.2 Remove PCM3.0.-->Workshop Manual '9110191 Removing and installing display and operator control unit PCM 3.0'

2 Install microphone wire harness.

INFORMATION The table shows whether a microphone wire harness needs to be retrofitted.

2.1 Overview of installing microphone wire harness:

Vehicle equipment Microphone wire harness Installation
BOSE sound package (l-no. 680) Yes
ASK sound package (l-no. 490) Yes
Telephone module (l-no. 666) No
Mobile Phone hands-free facility (ln-no. 619) No
BOSE sound package (l-no. 680)
and telephone module (l-no. 666) No
BOSE sound package (l-no. 680)
and mobile Phone hands-free facility (ln-no. 619) No
ASK sound package (l-no. 490) and
telephone module (l-no. 666) No
ASK sound package (l-no. 490) and
hands-free facility (ln-no. 619) No

2.2 Prepare wire harness for microphone.





2.2.1 Open lock on white connector housings -->Figure 4-1-.

INFORMATION Ensure socket contact is seated securely.

2.2.2 Insert socket contact of line BU 0.35sq. into chamber 1 of the white connector housing. Insert socket contact of line YE 0.35(squared) into chamber 2 of the white connector housing.
2.2.3 Close lock on white connector housing.





2.2.4 Lift up locking mechanism -->Figure 5 -arrow A- on wire harness for microphones and pull the plug socket --> Figure 5 -1- out of the plug carrier --> Figure 5 -arrow B-.





2.3 Open wiring duct -->Figure 6-1-.





2.4 Route wire harness for microphones --> Figure 7-1- and secure with a tie-wrap or wrapping tape.
Steering column --> Figure 7-2- > into wiring duct --> Figure 7-3- > main wire harness --> Figure 7-4- > PCM installation slot





The microphone wire harness must project 260 mm out of the wiring duct --> Figure 8 -1-in order to secure it. Dimension X = 260 mm





2.5 Close wiring duct --> Figure 9-1-

INFORMATION
Socket contacts also need to be changed, depending on the vehicle equipment.

2.6 Only for vehicles with BOSE sound system (l-no. 680) or ASK sound package (l-no. 490) or TV tuner (l-no. 676):
Change socket contacts.





2.6.1 Overview of socket contacts to be changed.





2.6.2 Press locking mechanism down --> Figure 10 -arrow A- and pull standard connector module C (coding: blue) =>Figure 10-1-out of the PCM central connector --> Figure 10 -2- [=> Figure 10 -arrow B-).





2.6.3 Lift up locking mechanism --> Figure 11 -arrow A- and pull the plug socket --> Figure 11-1- out of the plug carrier --> Figure 11 -arrow B-.

INFORMATION Ensure socket contact is seated securely.





2.6.4 Press socket contact of WH/RD line (chamber C4), for example, out of the standard connector housing --> Figure 12-1-using a press-out tool and insert it into the connector housing (retrofit kit) --> Figure 12 -2-.





2.7 Insert plug socket --> Figure J 3-1-into plug carrier --> Figure 13 -2-.





2.8 Insert connector module C (coding: blue) --> Figure 14 -arrow- from the microphone wire harness into the PCM central connector.
2.9 Only for vehicles with BOSE sound package (l-no. 680):





2.9.1 Open lock on microphone connector housing --> Figure 16 -1-.
2.9.2 Press socket contacts out of the connector housing using press-out tool 88089.

INFORMATION Ensure socket contact is seated securely.





2.9.3 Insert socket contact of line RD 0.5sq. into chamber 3 of the white connector housing.
Insert socket contact of line RD/BN 0.5sq. into chamber 4 of the white connector housing.
2.9.4 Close lock on white connector housing.





2.10 Insert connector module C (coding: blue) -->Figure 17-arrow- from the microphone wire harness into the PCM central connector.

3 Install microphones.

INFORMATION Either two microphones or no microphones must be retrofitted, depending on the vehicle equipment.

3.1 Overview of microphone fixture

Vehicle equipment Microphone Installation
BOSE sound package (l-no. 680) Yes
ASK sound package (l-no. 490) Yes
Telephone module (l-no. 666) No
Mobile Phone hands-free facility (ln-no. 619) No
BOSE sound package (l-no. 680)
and telephone module (l-no. 666) No
BOSE sound package (l-no. 680)
and mobile Phone hands-free facility (ln-no. 619) No
ASK sound package (l-no. 490) and
telephone module (l-no. 666) No
ASK sound package (l-no. 490) and
hands-free facility (ln-no. 619) No

3.2 Install microphone. 3.2.1





3.2.1 Unclip the standard microphone (e.g. BOSE sound system, coding: black) -->Figure 18-1-from the trim panel.





3.2.2 Clip sound microphone/hands-free microphone (coding: white)--> Figure 19 -2- and hands-free microphone (coding: light blue) --> Figure 19-1- into the trim panel.

4 Install actuating lever for on-board computer (retrofit kit).
4.1 Remove contact unit and electronic unit.-->Workshop Manual '94503700 Disassembling assembling steering column switch'





4.2 Pull standard actuating lever for on-board computer --> Figure 20-1- down and disengage it.
Engage actuating lever for on-board computer (retrofit kit) --> Figure 20 -2- and bend it up.
4.3 Fit electronic unit and contact unit.-->Workshop Manual '94501900 Disassembling assembling steering column switch'

5 Concluding work
5.1 Install steering column switch.





5.2 Insert new tie-wraps --> Figure 21-1-into the trim panel under the dashboard.
5.3 Install trim panel under dashboard (driver's side).-->Workshop Manual '701919 Removing and installing trim panel under dashboard'
5.4 Install PCM3.0.-->Workshop Manual '911019 Removing and installing PCM 3.0 display and operator control unit'
5.5 Connect the battery.-->Workshop Manual '2XOO1NO2 Work instructions after disconnecting the battery
5.6 Connect battery charger.-->Workshop Manual '2XOO1NO3 Battery trickle charging'

NOTICE
Voltage drop
- Risk of irreparable damage to control unit
- Risk of damage to control unit
- Fault entries in the control unit
- Coding in the control unit is aborted
- Malfunctions in control unit, even during programming

- Switch off the ignition and remove the ignition key before disconnecting the control unit.
- Ensure that the power supply is not interrupted during programming.
- Connect a battery charger with a current rating of at least Nominal value 40 A to the vehicle battery.

INFORMATION
- The PIWIS Tester 9718 instructions take precedence and in the event of a discrepancy these are the instructions that must be followed. Deviations may occur with later software versions.
- The procedure described here has been structured in general terms; different text or additions may appear in the PIWIS Tester 9718.

5.7 Code the control switch.
5.7.1 PIWIS Tester 9718 must be connected and ignition switched on.
5.7.2 Select vehicle and run control unit search.
5.7.3 Select Gateway control unit.
5.7.4 Select Coding in the Gateway function selection menu. Press F12 to continue.
5.7.5 Select Required installed components lists in the Gateway/Coding menu. Press F12 to continue.
5.7.6 Select SBS in the Gateway/Coding menu. Press F12 to continue.
5.7.7 Select the option installed in the Gateway/Change coding menu and press F8 to change the coding to 'installed'. Press F11 to return to the control unit selection screen.
5.7.8 Select Steering wheel electronics control unit.
5.7.9 Select Coding in the Steering wheel electronics function selection menu. Press IF121 to continue.
5.7.10 Select Push to Talk in the Steering wheel electronics/Coding menu. Press F12 to continue.
5.7.11 Select the option installed in the Steering wheel electronics/Coding menu and press F81 to change the coding to 'installed'. Press F11 to return to the control unit selection screen.
5.7.12 Select PCM3 control unit.
5.7.13 Select PCM3 in the PCM3 function selection menu. Press F12 to continue.
5.7.14 Select Coding in the PCM3 function selection menu. Press F12 to continue.
5.7.15 Select Enabling code in the PCM3/Coding menu. Press F12 to continue.
5.7.16 Select Enabling code for voice control in the PCM/Enabling code menu. Press F12 to continue.
5.7.17 Enter the enabling code and press F8 to start coding
5.7.18 Press F11 to return to the main menu. The system is initialized.
5.7.19 Once coding is complete, read out the fault memories of all systems, correct any existing faults and erase the fault memories.
5.7.20 Switch off ignition and disconnect PIWIS Tester 9718.

5.8 Disconnect battery charger.-->Workshop Manual '2XOO1NO3 Battery trickle charging'





Working Time:





Disclaimer