Operation CHARM: Car repair manuals for everyone.
Manuals through 2025 now available!

Our trusted friends have launched a new website named LEMON, which has newer manuals. It also contains all the CHARM manuals.

LEMON is the spiritual successor to CHARM, I recommend you try it!

Link: lemon-manuals.la or lemon-manuals.org.ua

(Some people have issue connecting. LEMON is investigating. For now, use Firefox or change your DNS server)

Or, hide this message: temporarily or permanently

Variable Valve Timing Solenoid: Service and Repair


WM 155519 Removing and installing hydraulic valve for valve lift switchover (variable valve lift adjustment)

Technical values





Preliminary work

Information

Guided Fault Finding using the PIWIS Tester as well as the DME short test "Valve lift" must be performed before replacing the hydraulic valve. This is essential in order to avoid replacing the hydraulic valve unnecessarily.

The hydraulic valves lie on the rear side of the cylinder heads facing the plenum panel (under vacuum pump and fuel high-pressure pump).
1. Remove cross panel -> 508119 Removing and installing cross panel (disassembling plenum panel) - section on "Removing" Service and Repair.
2. Cylinder bank 1 to 4:
Remove vacuum pump -> 477619 Removing and installing vacuum pump - section on "Removing" Service and Repair.
3. Cylinder bank 5 to 8:
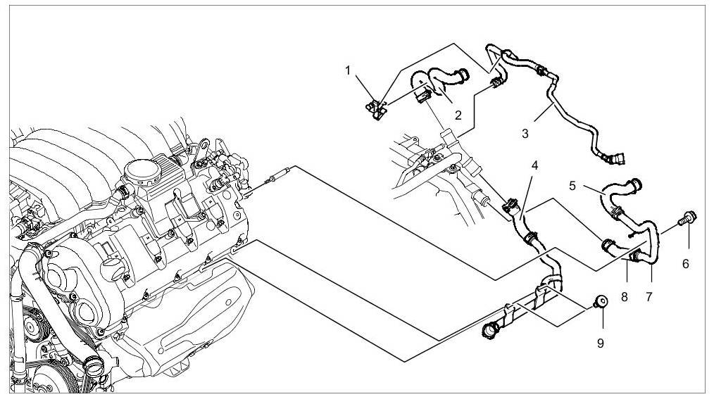
Detach water tube.
4. Remove support for cooling water tube -7-. To do this, remove hexagon-head bolt -6-.





Peripheral engine cooling water tubes

Removing hydraulic valve for valve lift switchover

1. Pull off cable plug for hydraulic valve and remove both screws.





Camshafts, cylinder bank 1 to 4









Camshafts, cylinders 5 to 8





2. Pull hydraulic valve out of cylinder head. Make sure that the sealing ring is also removed. If it is not, look for the sealing ring using a mirror and a torch.
3. Clean front strainer of hydraulic valve with solvent naphtha. Replace the hydraulic valve if damaged or heavily soiled.

Installing hydraulic valve for valve lift switchover

Information

The tightening specifications for the basic engine are stored centrally. -> 1001IN Tightening torques, tightening sequences, assembly overviews [1][2]Specifications. Tightening torques and assembly instructions for other affected assemblies (e.g. chassis, electrics, transmission or body) or for peripheral engine equipment can be found in the corresponding documents.

Cylinder bank 1 to 4:
1. Install hydraulic valve -4- with new sealing ring in correct position.
Sealing ring must not slip out of place. Fit and tighten screws -3-.





Camshafts, cylinder bank 1 to 4





Cylinder bank 5 to 8:
2. Install hydraulic valve -4- with new sealing ring in correct position.
Sealing ring must not slip out of place. Fit and tighten screws -5-.





Camshafts, cylinder bank 5 to 8





3. Connect cable plug for hydraulic valve.

Subsequent work

1. Cylinder bank 1 to 4:
Install vacuum pump -> 477619 Removing and installing vacuum pump - section on "Installing" Service and Repair.
2. Cylinder bank 5 to 8:
Secure water tube.
3. Fit support for cooling water tube -7-. To do this, fit a hexagon-head bolt -6-. => Tightening torque: 10 Nm (7.5 ftlb.)





Peripheral engine cooling water tubes

4. Install cross panel -> 508119 Removing and installing cross panel (disassembling plenum panel) - section on "Installing" Service and Repair.