Operation CHARM: Car repair manuals for everyone.
Manuals through 2025 now available!

Our trusted friends have launched a new website named LEMON, which has newer manuals. It also contains all the CHARM manuals.

LEMON is the spiritual successor to CHARM, I recommend you try it!

Link: lemon-manuals.la or lemon-manuals.org.ua

(Some people have issue connecting. LEMON is investigating. For now, use Firefox or change your DNS server)

Or, hide this message: temporarily or permanently

Part 1


WM 1001IN Tightening torques, tightening sequences and assembly overviews

Technical values













































Information

Information on aluminium screws and magnesium components

Information

Always follow the instructions in the central information -> when using aluminium screws and magnesium components. -> 1001IN Information on working with aluminium screws and magnesium components - IMPORTANT! Procedures

Technical values

General overview

Information

- The tightening steps in the tightening sequences relate to tightening screws uniformly, i.e. all affected screws must first be tightened uniformly to the first torque value, then all screws are tightened one stage further, and so on.

- Replace all O- rings following removal!

Information

- A differentiation between the all-wheel engine and the rear-wheel drive engine is identified by the terms 4WD and 2WD.

The torques in the table below generally apply to screws that are not specifically listed =>

The bolt quality is indicated on the screw head at the top as a decimal number, e.g. "8.8" or "12.9".





Aluminium screws




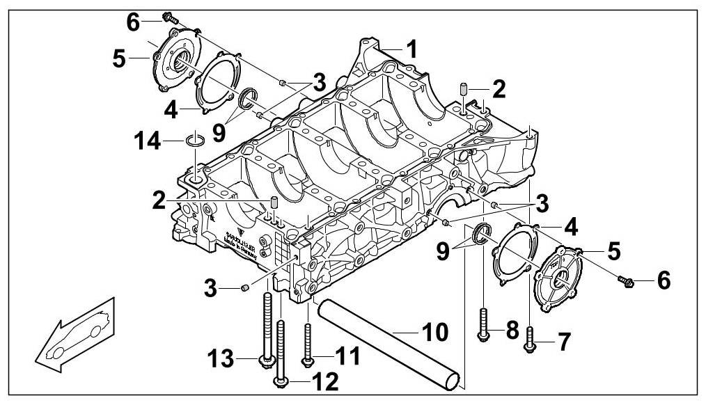
Group 10, Crankcase

Information

- The main bearing screws (4WD) for the fourth main bearing (feeding through all-wheel cross tube) are shorter than those for the 2WD engine.

- Do not confuse main bearing screws!





Upper part of crankcase









Lower part of crankcase V8 2WD









Lower part of crankcase V8 4WD