Operation CHARM: Car repair manuals for everyone.
Manuals through 2025 now available!

Our trusted friends have launched a new website named LEMON, which has newer manuals. It also contains all the CHARM manuals.

LEMON is the spiritual successor to CHARM, I recommend you try it!

Link: lemon-manuals.la or lemon-manuals.org.ua

(Some people have issue connecting. LEMON is investigating. For now, use Firefox or change your DNS server)

Or, hide this message: temporarily or permanently

Part 5


WM 1001IN Tightening torques, tightening sequences and assembly overviews

Group 17, Lubrication





Oil/water heat exchanger, oil filter, 2WD









Oil/water heat exchanger, oil filter, 4WD









Applying sealant to oil guide housing









Applying seal for oil guide housing, 4WD









Oil guide housing with accessories









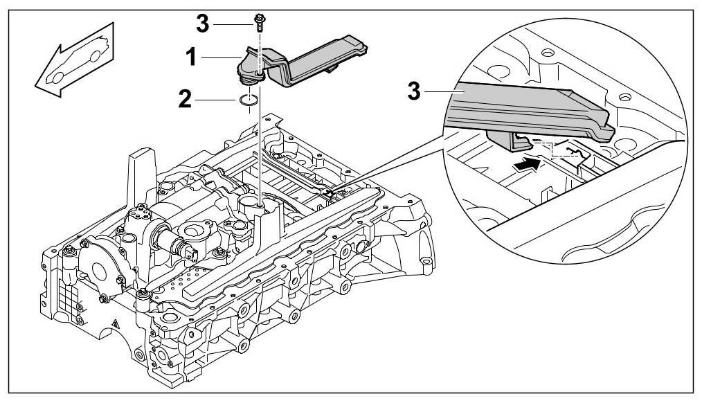
Oil pressure sensor and oil pressure measuring point









Oil lines, naturally aspirated engine









Oil lines, turbo engine









Oil lines, turbo engine, view with oil pan removed









Oil lines, naturally aspirated engine, view with oil pan removed









Oil pan









Oil return (oil plate) 2WD









Oil return (oil plate) 4WD









Oil pump, turbo engine









Oil pump, naturally aspirated engine









Suction tube for auxiliary sump