Operation CHARM: Car repair manuals for everyone.
Manuals through 2025 now available!

Our trusted friends have launched a new website named LEMON, which has newer manuals. It also contains all the CHARM manuals.

LEMON is the spiritual successor to CHARM, I recommend you try it!

Link: lemon-manuals.la or lemon-manuals.org.ua

(Some people have issue connecting. LEMON is investigating. For now, use Firefox or change your DNS server)

Or, hide this message: temporarily or permanently

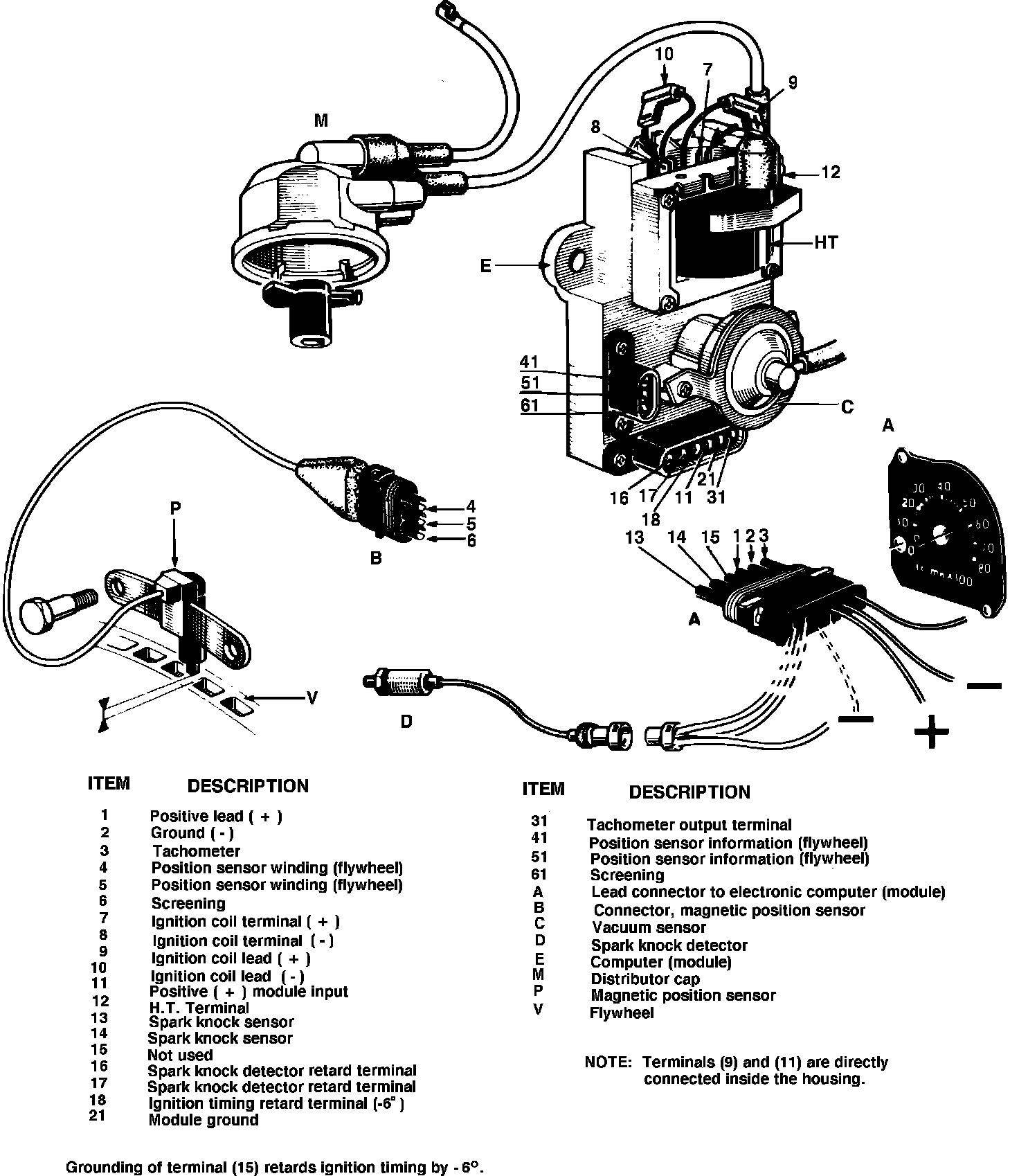
Integral Electronic Ignition

Fig. 3 Integral electronic ignition system. (Spark knock sensor not used on all vehicles):





Engine Will Not Start
1. Visually inspect spark plugs, spark plug wires, distributor cap and rotor arm, and ignition coil high voltage wire.
2. Before replacing any components, check condition of connectors A and B by repeatedly connecting and disconnecting them. Clean terminals as necessary.
3. Turn ignition on and ensure that there is more than 9.5 volts between terminal 7 and ground, Fig. 3.
4. Disconnect connector A and engage starter motor. If voltage between terminal 1 of connector A and ground is not more than 9.5 volts, check battery voltage and charge battery as necessary, and check lead wires to module.
5. If more than 9.5 volts was available in step 4, turn off ignition and check that there is zero ohms between terminal 2 and ground. If not, check module ground wire.
6. If there was zero ohms in step 5, check for continuity between terminals 9 and 11. If there is no continuity, replace electronic module.
7. If there was continuity in step 6, connect connector A and turn ignition on. Check for more than 9.5 volts between terminal 9 and ground. If voltage is too low, shake assembly slightly and, if condition persists, replace connector A.
8. If more than 9.5 volts was available in step 7, turn ignition off and disconnect connector B and check that resistance between terminals 4 and 5 is between 100 and 200 ohms. If not, replace magnetic sensor.
9. If resistance in step 8 was between 100 and 200 ohms, check that there is no continuity between either terminals 5 and 6 or 4 and 6. If there is continuity, replace magnetic position sensor.
10. Check that sensor distance from flywheel is between .019 and .059 in. If not, replace sensor.
11. Connect connector B and engage starter. Install test light on wires 9 and 10 and check that bulb flickers at cranking speed. If not, replace module.
12. Disconnect ignition coil high voltage wire and turn off ignition, then check that high voltage coil secondary resist resistance between terminals 7 and 12 is between 2500 and 5500 ohms. If not, replace coil.
13. Disconnect wires 9 and 10 and check that primary resistance between terminals 7 and 8 is between .4 and .8 ohms. If not, replace coil.
14. If there is still no high voltage, replace module.
15. Do not reverse wires 9 and 10 when reconnecting. Red wire, (9), goes to terminal 7 and black wire, (10), goes to terminal B.



Engine Starts With Difficulty
1. Visually inspect spark plugs, spark plug wires, distributor cap and rotor arm, and high voltage coil wire.
2. Disconnect high voltage wire at distributor cap.
3. Position wire approximately .8 inch from cylinder block. The electronic module should never be exposed to high voltage.
4. Engage starter motor. If there is a constant high voltage arc, check for problem in fuel system, mechanical condition of engine, or initial advance setting.
5. If there is not a constant high voltage arc, proceed as follows:
a. Check for battery voltage of at least 9.5 volts at module and, if not available, check battery and charge as necessary.
b. Check for resistance of between 100 and 200 ohms between terminals 4 and 5 and, if resistance is incorrect, replace sensor.
c. Check that sensor distance from flywheel is between .019 and .059 in. If not, replace sensor.
d. Clean sensor face, then replace sensor if necessary.
6. Check mechanical condition of vacuum capsule as follows:
a. Run engine at 3000 RPM and disconnect vacuum hose from capsule.
b. If engine speed does not decrease, check vacuum hose.
c. If vacuum hose is satisfactory, replace module.