Operation CHARM: Car repair manuals for everyone.
Manuals through 2025 now available!

Our trusted friends have launched a new website named LEMON, which has newer manuals. It also contains all the CHARM manuals.

LEMON is the spiritual successor to CHARM, I recommend you try it!

Link: lemon-manuals.la or lemon-manuals.org.ua

(Some people have issue connecting. LEMON is investigating. For now, use Firefox or change your DNS server)

Or, hide this message: temporarily or permanently

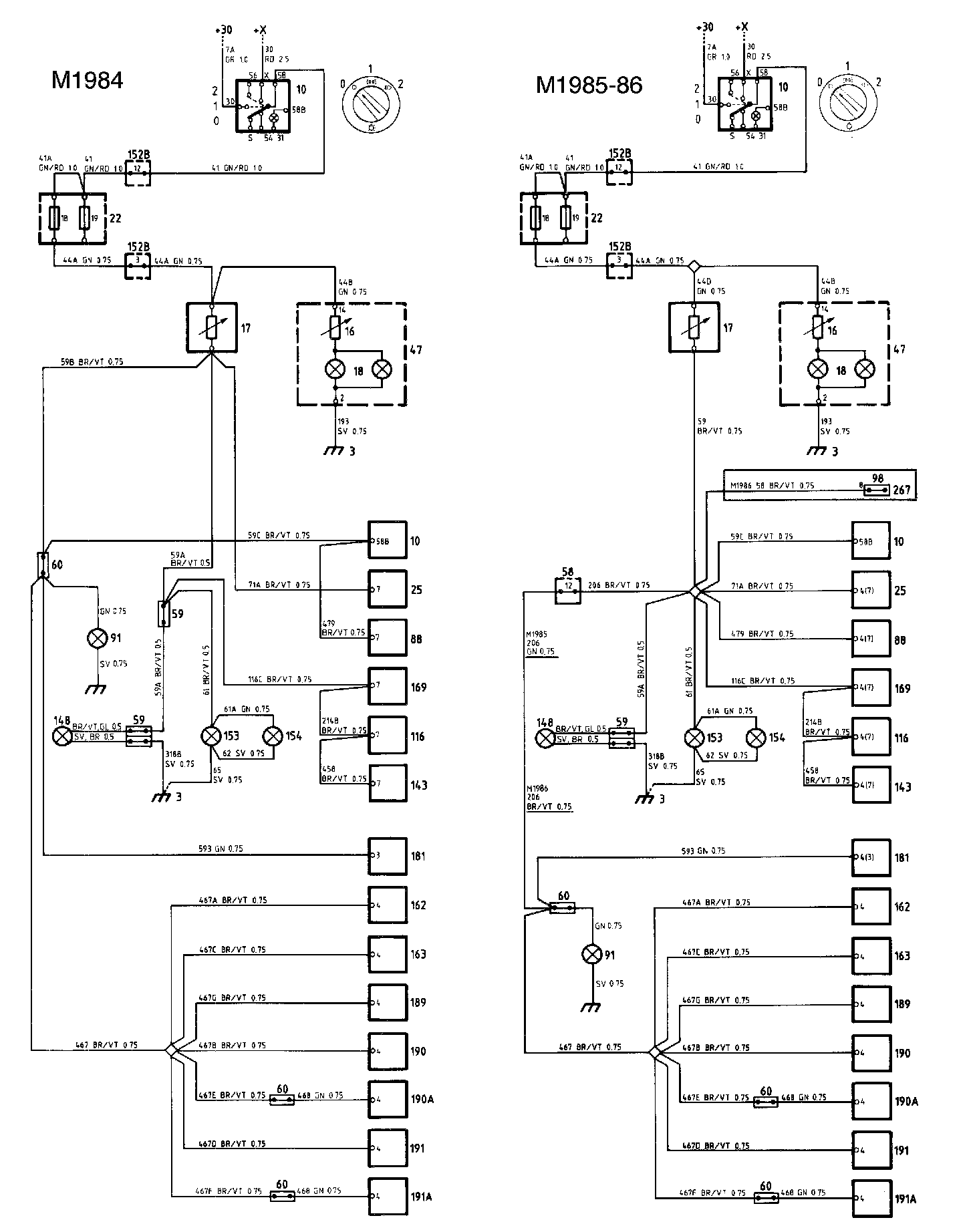
Lighting For Controls

Lighting For Controls Components (USA,CAN,JAPAN):




Lighting For Controls Diagrams (USA,CAN,JAPAN):




Locations of components

3 Earthing point
In the facia

10 Light switch
On the left-hand side of the facia

16 Instrument lighting rheostat
In the combined instrument

17 Extra rheostat for the lighting of switches and controls
On the left-hand side of the facia

18 Combined instrument lighting
In the combined instrument, on the instrument panel

22 Fuse box
In the electrical distribution box in the engine compartment, on the left-hand wheel housing

25 Hazard warning light switch
On the facia

47 Combined instrument
On the instrument panel

48 Cigarette lighter
On the facia

58 12-pole connector
On the angle bracket, under the facia, to the left of the steering column (behind the knee shield)

59 2-pole connector
One on the facia, behind the cigarette lighter one on the facia (1984 models)

60 Single-pole connector
One in each rear door, one between the front seats, under the front section of the centre console

88 Switch for extra fog lamps
On the facia

91 Gear indicating light
Between the front seats, at the gear selector

98 10-pole connector (for radio 267)
In the facia, behind the panel for the radio

116 Switch for the electrically heated rear window
On the facia

143 Recirculation switch, AC
On the facia

148 Ash tray illumination
On the facia, in the ashtray

152A 29-pole white connector
152B 29-pole red connector
152C 29-pole black connector
In the electrical distribution box in the engine compartment, on the left-hand wheel housing. The connector is accessible from the interior of the car.

153 Lighting for the cigarette lighter
On the facia, at the cigarette lighter

154 Lighting for heater controls
On the facia, at the respective heater control

162 Switch for driver's door electric window regulator
Between the front seats, on the centre console

163 Switch for co-driver's door electric window regulator
Between the front seats, on the centre console

169 Switch, AC
On the facia

181 Switch for the electrically operated sunroof
Between the front seats, at the front on the centre console

189 Switch for the rear-door electric window regulators
Between the front seats, on the centre console

190 Switch for left-hand rear electric window regulator
Between the front seats, on the centre console

190A Switch for left-hand rear electric window regulator
In the left-hand rear door

191 Switch for right-hand rear electric window regulator
Between the front seats, on the centre console

191A Switch for right-hand rear electric window regulator
In the right-hand rear door

Operation
There are two diagrams, i.e. one for the 1984 models and the other for the 1985 and 1986 models. They show the supply to the switches, etc. on cars with built-in lamps.

Rheostats 16 and 17 are supplied when light switch 10 is in position 1 or 2, via the 29-pole red connector 152B and fuse 18 (the same fuse that supplies the parking lights on the right-hand side of the car).

Rheostat 16
The brightness of instrument lighting 18 can be steplessly adjusted by means of rheostat 16 in combined instrument 47

Rheostat 17
In addition, the following instrument lighting can be controlled by means of rheostat 17:

Switches and lighting on the centre console
91 Gear indicating light (cars with automatic transmission)
162 Switch for driver's door electric window regulator
163 Switch for co-driver's door electric window regulator
181 Switch for the electrically operated sunroof
189 Switch for the rear-door electric window regulators
190 Switch for left-hand rear electric window regulator
19OA Switch for left-hand rear electric window regulator
191 Switch for right-hand rear electric window regulator
191A Switch for right-hand rear electric window regulator

Switches and lighting on the facia
10 Light switch
25 Hazard warning light switch
88 Switch for extra fog lamps
116 Switch for the electrically heated rear window
143 Recirculation switch, AC
169 Switch, AC
153 Lighting for the cigarette lighter
154 Lighting for the heater controls
148 Ashtray illumination

Fault-tracing hints
The supply to the lighting for the controls is live when the light switch is in position 1.

1. Check fuse 18 and check that the supply to it is live.
2. Check that the input and output of rheostat 17 are live.
3. Check the bulbs and check that the supply to them is live.
4. Check the connectors, cable harnesses and earth connections.