Operation CHARM: Car repair manuals for everyone.
Manuals through 2025 now available!

Our trusted friends have launched a new website named LEMON, which has newer manuals. It also contains all the CHARM manuals.

LEMON is the spiritual successor to CHARM, I recommend you try it!

Link: lemon-manuals.la or lemon-manuals.org.ua

(Some people have issue connecting. LEMON is investigating. For now, use Firefox or change your DNS server)

Or, hide this message: temporarily or permanently

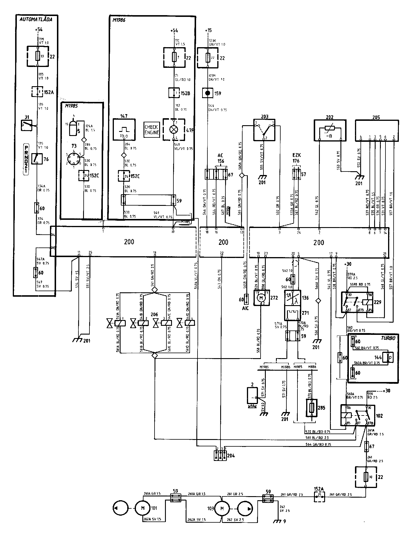
LH Fuel System

LH Fuel System Components:




LH Fuel System Diagrams:




Locations of components

2 Alternator
On the left-hand side of the engine

5 Ignition coil
On the cross-member above the radiator

9 Earthing point
In the luggage compartment

22 Fuse box
In the electrical distribution box in the engine compartment, on the left-hand wheel housing

31 Reversing light switch
Under the centre console, at the selector lever

47P CHECK ENGINE warning lamp
In the combined instrument in the instrument panel

57 3-pole connector
In the engine compartment, on the right-hand side at the air intake

59 2-pole connector
At the fuel pump, under the luggage compartment floor
One in the engine compartment, on the right- hand side at the air intake
One (for the Lambda sensor) in the engine compartment, on the right-hand wheel housing, next to the distribution block for the positive supply from the battery

60 Single-pole connector
One (for the Lambda sensor) in the engine compartment, on the right-hand wheel housing, next to the distribution block for the positive supply from the battery
One (AIC test connector) in the engine compartment, behind the right-hand wheel housing
Two (for boost pressure switch 144) and two (for the automatic transmission) at the control unit, forward of the right-hand front door, below the facia (behind the trim)

67 6-pole connector
In the engine compartment, on the right-hand side at the air intake

76 Switch for raising the idling speed (auto)
Under the centre console, at the selector lever

101 Fuel feed pump
In the fuel tank, under the luggage compartment floor

102 Fuel pump relay
At the control unit, forward of the right-hand front door, below the facia (behind the trim)

103 Fuel pump
In the fuel tank, under the luggage compartment floor

144 Boost pressure switch (Turbo only)
Under the facia, to the left of the steering wheel, behind the knee shield (behind the flasher relay holder)

136 Lambda sensor
On the exhaust manifold, beside the turbocharger

147 Ignition pulse amplifier (1986 models)
In the electrical distribution box in the engine compartment, on the left-hand wheel housing

152A 29-pole white connector
152B 29-pole red connector
152C 29-pole black connector
In the electrical distribution box in the engine compartment, on the left-hand wheel housing. The connector is accessible from the interior of the car

159 Distribution terminal +15
In the electrical distribution box in the engine compartment, on the left-hand wheel housing

200 Control unit for the LH system
Forward of the right-hand front door, below the facia (behind the trim)

201 Engine earthing point
At the engine lifting lug

202 Engine temperature transmitter
On the intake manifold flange, between cylinders 2 and 3

203 Throttle angle transmitter
On the throttle housing

204 Test connector
In the engine compartment, behind the right-hand wheel housing

205 Air mass meter
On the air hose at the air cleaner

206 Fuel injection valves
On the engine intake manifold

229 Main relay for the fuel injection system
Forward of the right-hand front door, below the facia (behind the trim)

271 Preheater
In the Lambda sensor, on the exhaust manifold

272 Idling speed adjustment motor
At the extreme front, on the left-hand side of the cylinder head

285 Fuse for Lambda sensor (1986 models)
In the engine compartment, on the right-hand side, at the air intake

Operation
The Bosch LH Jetronic fuel injection system is used for cars with the 16-valve engine. LH is an abbreviation of Luftmassenmesser Hitzdraht (Air mass meter with hot filament). The fuel injection system is controlled and supervised by control unit 200, which also contains a microprocessor.

The system receives a positive supply from fuse 22 when the ignition switch is in the start or drive position, and a constant supply from +30 to relays 229 and 102.

On the basis of the data stored in the control unit and the incoming information from various sensors, the control unit calculates and controls the opening times of the electrically operated fuel injection valves (206).

On the 1985 models, the control unit receives information on the engine speed by sensing the ignition pulses from ignition coil 5. On the 1986 models, these pulses are supplied from the ignition pulse amplifier 147.

Throttle valve angle transmitter 203 provides information on the throttle valve angle, i.e. the engine load. The transmitter has two contact positions, i.e. 0 CC (idling speed) and 72 CC throttle angle.

Temperature transmitter 202 is of Negative Temperature Coefficient (NTC) type and provides continuous information to the control unit on the engine temperature. In the event of loss of this signal,the control unit will simulate, by default, an engine temperature of+20°C.

Air mass meter 205 includes a platinum filament known as the hot filament. Regardless of the composition of the air and the airflow, the temperature of the filament is maintained constant at about 100 °C above the temperature of the intake air.

The current necessary for maintaining the temperature of the filament constant is controlled by means of a bridge circuit and a sensing resistor, the voltage variation of which is directly proportional to the intake air mass flow.

Since the filament is located in the intake air, it will gradually become fouled, which affects the measurement results. To keep the filament clean, its temperature is raised to about 1000 °C for one second. This takes place four seconds after the engine has been stopped, provided that the engine speed has earlier been in excess r/min00 r/min. This process is controlled by the control unit.

In the event of a loss of signal from the air mass meter, e.g. if the filament should fail, an emergency system known as the "Limp-home" function in the control unit Will come into operation. The car can then be driven, although its driveability will be limited. The 1986 models include warning lamp 47P, CHECK ENGINE, in the combined instrument. When the "Limp- home" function is operative, the lamp will be energized from fuse 7 and will light up. (The lamp can also be activated from the type EZK ignition system.)

The engine is supplied with fuel by the electrically driven fuel pump 103 and feed pump 101 drawing fuel from the fuel tank and building up a pressure in the fuel system. Boost pressure switch 144 is fitted on cars equipped with a turbocharger and will trip the fuel pumps if the boost pressure should exceed a predetermined value.

The idling speed is controlled by motor 272 for automatic idle control (AIC). The AIC test connector is used for the basic setting of the engine idling speed.

Test connector 204 has the following terminals:
1 Voltage to the test connector
2 "Limp-home" (CHECK ENGINE)
3 Timing, Lambda

The control unit is connected to the air-conditioning system via pin 16, "AC 156". When the AC compressor is running, the control unit will compensate for the increased load applied by the compressor at engine idling speed. On 1986 models, the signal (earth) is applied from pin 12 at full throttle.

If the engine is equipped with the EZK ignition system, pins 3 and 24, "EZK 176", are connected to the ignition system control unit. The ignition system receives information on the engine load via these pins.

Exhaust gas emission control, Lambda
Components for precision control of the fuel/air mixture have been added to the fuel system. Lambda sensor 136 continually measures the oxygen content of the exhaust gases, thus permitting the control unit to adjust the mixture to the most beneficial ratio. The sensor is heated by preheater 271 (protected on 1986 models by a fuse in the wiring).

Automatic transmission
Cars with automatic transmission are also equipped with switch 76. The switch will close when the selector lever is set to "Drive", and the control unit will then compensate for the increased load applied by the automatic transmission when the engine is running at idling speed.

Fault-tracing hints
When fault-tracing in the wiring for the fuel system, always observe the following:

1. Always disconnect the 25-pole connector on the control unit and the connector on the air mass meter. N.B. These two components can easily be seriously damaged if measurements are carried out on their terminal pins.

2. Always disconnect the connection to the suspected component.

3. Use an ohmmeter - not a buzzer - for checking the wiring.

Before checking the wiring, always start by checking fuse 22 and checking that the supply to it is live. On the 1986 models, also check fuse 7 and the fuse in the wiring for the Lambda sensor preheater.

For comprehensive fault-tracing instructions for the system, see the Service Manual, Group 2, Engine.

Earthing point 201 on the engine lifting lug is important for correct operation of the fuel system. If the location of the earthing point is altered, such as when other work is being carried out on the engine, the performance of the system may be disturbed.