Operation CHARM: Car repair manuals for everyone.
Manuals through 2025 now available!

Our trusted friends have launched a new website named LEMON, which has newer manuals. It also contains all the CHARM manuals.

LEMON is the spiritual successor to CHARM, I recommend you try it!

Link: lemon-manuals.la or lemon-manuals.org.ua

(Some people have issue connecting. LEMON is investigating. For now, use Firefox or change your DNS server)

Or, hide this message: temporarily or permanently

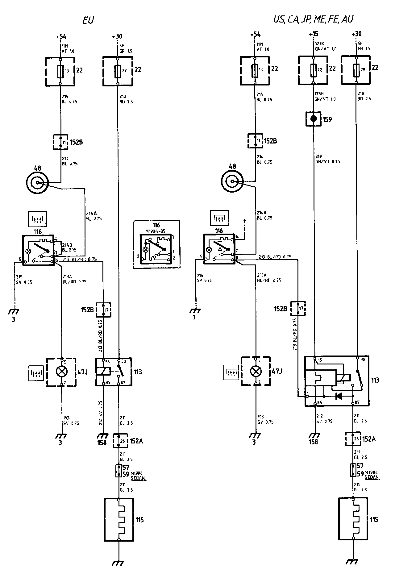
Rear Defogger: Locations

Electric Heating Rear Window Components:




Electric Heating Rear Window Diagrams:




Locations of components

3 Earthing point
In the facia

22 Fuse box
In the electrical distribution box in the engine compartment, on the left-hand wheel housing

47J Rear window heater warning lamp
In the combined instrument

48 Cigarette lighter
On the facia

57 3-pole connector
In the luggage compartment, at the left-hand air outlet

59 2-pole connector (1984 Sedan)
In the luggage compartment, at the left-hand air outlet

113 Relay for the electrically heated rear window
In the electrical distribution box in the engine compartment, on the left-hand wheel housing

115 Electric heater for the rear window

116 Switch for the electrically heated rear window
In the centre of the facia

152A 29-pole white connector
152B 29-pole red connector
In the electrical distribution box in the engine compartment, on the left-hand wheel housing. The connectors are accessible from the interior of the car

158 Negative distribution terminal

159 Distribution terminal +15
In the electrical distribution box in the engine compartment, on the left-hand wheel housing

Operation
The electric heating of the rear window can be switched on and off by means of switch 116.

The switch is supplied from fuse 13, via the 29-pole red connector 152B (when the ignition switch is in the drive position).

When the switch is depressed, relay 113 is energized and the lamp built into the switch lights up with full intensity. Warning lamp 47J in the combined instrument also lights up. (The pin numbering is different on the 1986 models.)

Electric heater 115 for the rear window is supplied from fuse 29, via the relay contacts.

On the Combi Coupe', the electric heating of the rear window is earthed to the tailgate, which, in turn, is earthed to earthing point 9 (cable 211A black).

Time delay relay
On the following markets, relay 113 has been replaced by a time delay relay and spring-loaded switch 116.

U.S.A., Canada, Japan, Middle East, Far East and Australia.

After the switch has been depressed and the relay energized, the time circuit in the relay will be supplied (terminal 15) from fuse 22. After around 10 minutes, the relay will switch off the supply to the electric heating for the rear window.

When the electric heating for the rear window is switched on, warning lamp 47J will be supplied from terminal E of the relay.

If the ignition is switched off while the electric heating for the rear window is switched on, the supply to terminal 15 will be opened, and the relay will immediately switch off the supply to the heating element for the rear window.

Fault-tracing hints
The electric heating for the rear window will be operative when the ignition switch is in the drive position.

1. Check fuses 13 and 29 and check that the supply to them is live. (On certain markets, also fuse 22.)

2. Check that the supply to the switch and terminal 30 of the relay is live.

3. Check the relay: Press the switch and check that the supply to the electric heating for the rear window is live.

4. Check the connectors, cable harnesses and earth connections.