Operation CHARM: Car repair manuals for everyone.
Manuals through 2025 now available!

Our trusted friends have launched a new website named LEMON, which has newer manuals. It also contains all the CHARM manuals.

LEMON is the spiritual successor to CHARM, I recommend you try it!

Link: lemon-manuals.la or lemon-manuals.org.ua

(Some people have issue connecting. LEMON is investigating. For now, use Firefox or change your DNS server)

Or, hide this message: temporarily or permanently

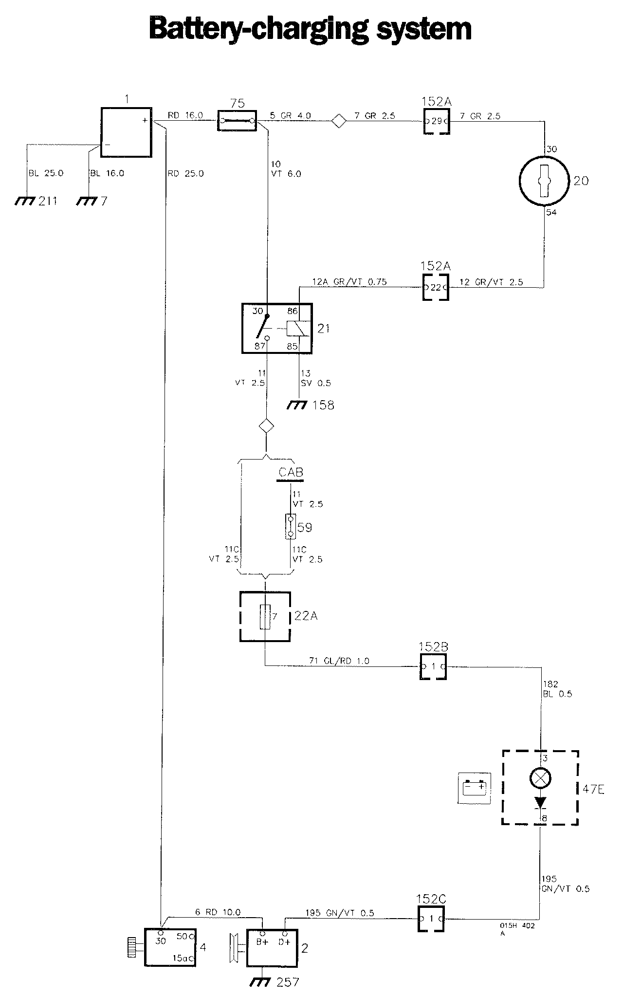
Charging System: Locations

Charging System Components:




Charging System Diagrams:




Locations of components

1 Battery
On the right-hand side of the engine compartment

2 Alternator
On the left-hand side of the engine

4 Starter motor
On the left-hand side of the engine (intake side)

7 Earthing point
On the radiator cross-member

20 Ignition switch
On the centre console between the front seats

21 Ignition switch relay
In the electrical distribution box, in the engine compartment, relay position E

22A Fuse holder
In the electrical distribution box, in the engine compartment, on the left-hand wheel housing

47E Charging warning lamp
In the combined instrument

59 2-pole connector (CAB)
In the electrical distribution box in the engine compartment, on the left-hand wheel housing

75 Distribution block
In the engine compartment, on the right-hand side

152A 29-pole white connector
152B 29-pole red connector
152C 29-pole black connector
In the electrical distribution box in the engine compartment, on the left-hand wheel housing. The connectors are accessible from the interior of the car.

158 Negative distribution terminal
In the electrical distribution box in the engine compartment, on the left-hand wheel housing

211 Earthing point
On the gearbox

257 Earthing point
On the alternator bracket

Operation
The charging warning lamp informs the driver of whether or not the alternator is charging.

When the ignition switch is in the drive position, a positive voltage will be supplied across fuse 7 and red 29-pole connector 152B to charging warning lamp 47E in the combined instrument. The other side of the lamp is connected to alternator 2.

When the alternator is not rotating or if it is not charging the battery for any other reason, the circuit for the charging warning lamp will be earthed through terminal D+ on the alternator, and the lamp will light up.

When the alternator is charging, terminal D+ will be at the same voltage as the supply from the fuse. The same voltage will then be applied to both terminals of the warning lamp, and the lamp will therefore be extinguished.

Fault-tracing hints
1. Check the battery voltage at terminal B+ of the alternator.
2. Check fuse 7 and check that the supply to it is live.
3. Check that the bulb in the warning lamp is intact.
4. Check the connectors, cable harnesses and the earth connection of the alternator.
5. Check that terminal D+ of the alternator is live.
6. Start the engine and measure the voltage between B+ on the alternator and earth. Also measure the voltage between D+ on the alternator and earth. The difference between these two voltages should not be greater than 0.7V.

NOTE
If the charging warning lamp bulb should blow, the alternator will cease charging.