Operation CHARM: Car repair manuals for everyone.
Manuals through 2025 now available!

Our trusted friends have launched a new website named LEMON, which has newer manuals. It also contains all the CHARM manuals.

LEMON is the spiritual successor to CHARM, I recommend you try it!

Link: lemon-manuals.la or lemon-manuals.org.ua

(Some people have issue connecting. LEMON is investigating. For now, use Firefox or change your DNS server)

Or, hide this message: temporarily or permanently

Air Flow Meter/Sensor: Description and Operation

Mass Air Flow Sensors





General

There are three types of mass air flow sensor. They are not interchangeable.

Mass air flow meters in both aluminium and plastic versions with a CO adjusting screw occur in the LH 2.2 system.

Only mass air flow meters of plastic without a CO adjusting screw occur in the LH 2.4, 2.4.1 and 2.4.2 (cars with catalytic converter) systems.

The LH 2.4.2 system (cars without a catalytic converter) features a mass air flow meter of plastic with a CO adjusting screw.

Important
A mass air flow meter of plastic must never be replaced by a mass air flow sensor of aluminium or vice versa. If this is done the LH system will be rendered unserviceable.






Description

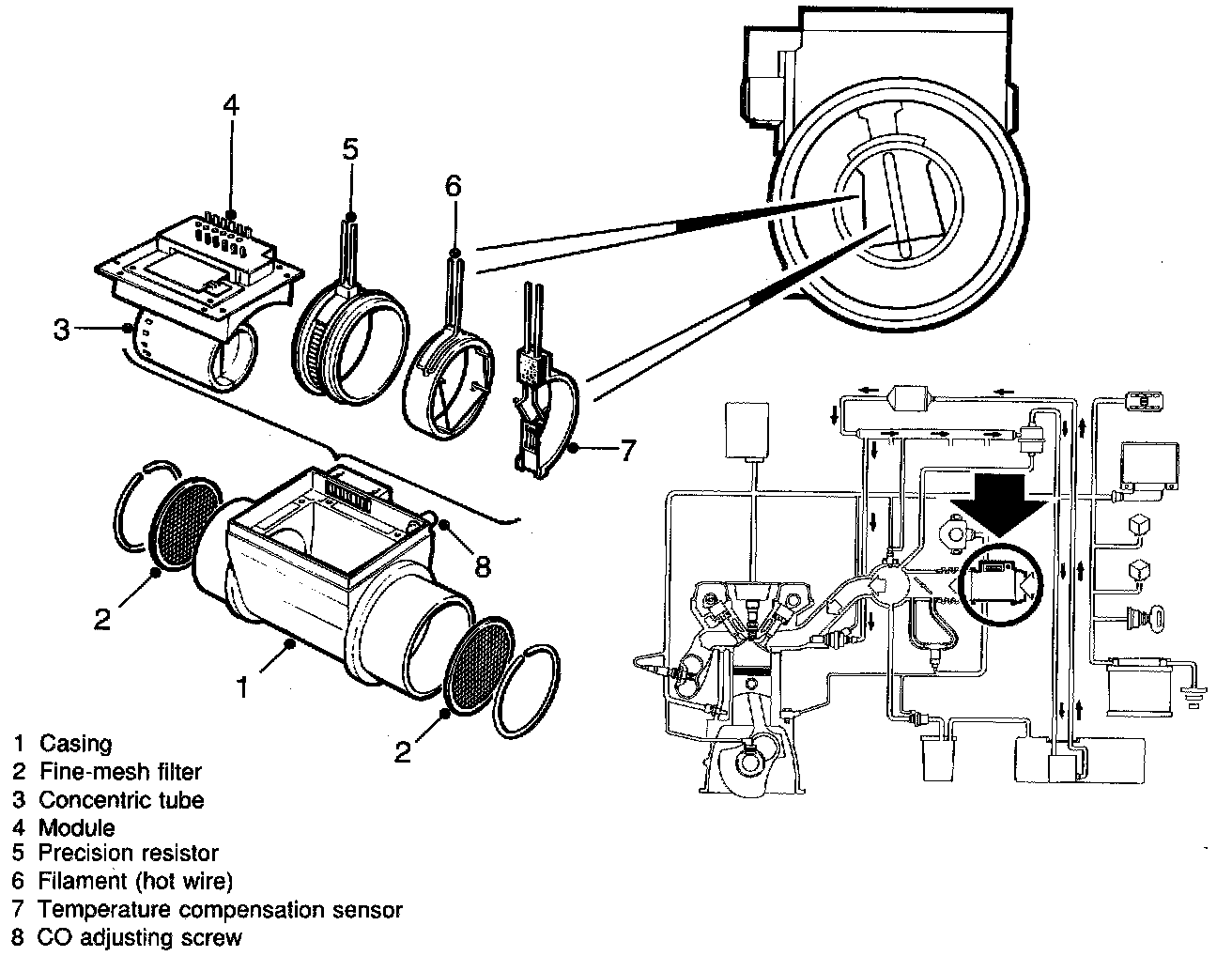
The mass air flow sensor, located between the air cleaner and intake manifold, measures the air mass passing through it. In air mass measurement (and not air volume measurement), the changes in air density which occur with every change in air temperature and air pressure are taken into account.

Since the mass air flow sensor measures the mass of the air and not just the flow, it is important to ensure that no air leakage occurs after it on the downstream side.

The most important parts of the mass air flow sensor are a thin filament (hot wire) of platinum and a temperature-dependent resistor. The temperature of the filament is maintained at a constant 1 00°C (212°F) above the temperature of the inlet air (aluminium mass air flow sensors). In mass air flow sensors of plastic the temperature difference is 120°C.

In the LH 2.4.1 and 2.4.2 systems the temperature difference is increased to 155°C (310°F) for higher measurement accuracy.

Control of the current needed to maintain the filament at a constant temperature is effected by a bridge circuit and a detector resistor. The voltage variations are directly proportional to the mass of the inlet air.

The electrical components are grouped in a module on the mass air flow sensor casing. This module also contains a potentiometer for adjusting the CO content at idling speed (only LH 2.2 and LH 2.4.2 on cars without a catalytic converter).

Note: The components shown in the illustration are not available as spare parts.






The mass air flow sensor maintains the temperature of the filament at a constant number of degrees above the temperature of the inlet air.
LH 2.2, aluminium: 100°C
LH 2.2 and LH 2.4, plastic: 120°C
LH 2.4.1 and 2.4.2, plastic: 155°C

The power needed to maintain the temperature of the filament at a constant level depends on the cooling effect of the air flowing past it. This cooling effect varies with the air mass passing through the mass air flow sensor.

The variations in voltage, which are determined by the mass of the inlet air, are transmitted to the LH control module from the mass air flow sensor as follows:
-M1987 fuel injection and -M1988 Turbo from pin 5 to pin 7
M1988- fuel injection and M1989- Turbo from pin 3 to pin 7.






Burn-off

Due to the location of the filament in the inlet duct, it is liable to become soiled and so lose its sensitivity, which will affect measurement accuracy. To obviate this and keep the filament clean, it is heated to about 1000°C.

This "burn-off" function starts 20 seconds (4 seconds for the LH 2.2) after the engine has been switched off and continues for about 1 second. However, a condition for burn-off is that the engine has attained a temperature of 61°C and has been run at a speed above 2100 rpm.