Operation CHARM: Car repair manuals for everyone.
Manuals through 2025 now available!

Our trusted friends have launched a new website named LEMON, which has newer manuals. It also contains all the CHARM manuals.

LEMON is the spiritual successor to CHARM, I recommend you try it!

Link: lemon-manuals.la or lemon-manuals.org.ua

(Some people have issue connecting. LEMON is investigating. For now, use Firefox or change your DNS server)

Or, hide this message: temporarily or permanently

Component Tests and General Diagnostics

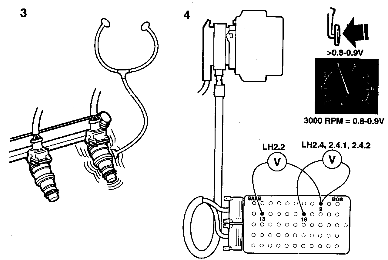
Checking Control Module Signals To Injectors

Tools:
- Screwdriver or stethoscope
- Multimeter
- Breakout box 86 11 006





1 Connect the Breakout Box to the LH control module.

2 Start the engine and take voltage readings as in the table below.
LH 2.2
across pin 9 (positive) and pin 13 (negative)
LH 2.4, 2.4.1, 2.4.2
across pin 9 (positive) and pin 18 (negative)



The above figures are only approximate.




3 During the warm-up period, check (in the event of uneven idling) that all injectors are in proper working order. Hold a screwdriver or a stethoscope against the black metal part of the injector. A clicking sound should be heard in the injectors.

a If a clicking sound is not heard in one or more of the injectors: See "Checking the injectors". Checking the Injectors

b The injectors make a clicking sound but the engine still runs unevenly at idling speed:
Unplug one connector at a time from the injectors. Engine rpm should drop.

c If engine speed does not drop, continue with a complete inspection of the following systems:
- Fuel system
- Induction system
- Electrical system

4 When the engine has reached its normal working temperature, increase engine speed slowly to 3,000 rpm. Take a voltage reading across the injector. The voltage should rise to 0.8 - 0.9 V. Allow the engine to drop to idling speed and then quickly accelerate it to 3,000 rpm. The voltage should now rise temporarily above 0.8 - 0.9 V and then drop back to 0.8 - 0.9 V.