Operation CHARM: Car repair manuals for everyone.
Manuals through 2025 now available!

Our trusted friends have launched a new website named LEMON, which has newer manuals. It also contains all the CHARM manuals.

LEMON is the spiritual successor to CHARM, I recommend you try it!

Link: lemon-manuals.la or lemon-manuals.org.ua

(Some people have issue connecting. LEMON is investigating. For now, use Firefox or change your DNS server)

Or, hide this message: temporarily or permanently

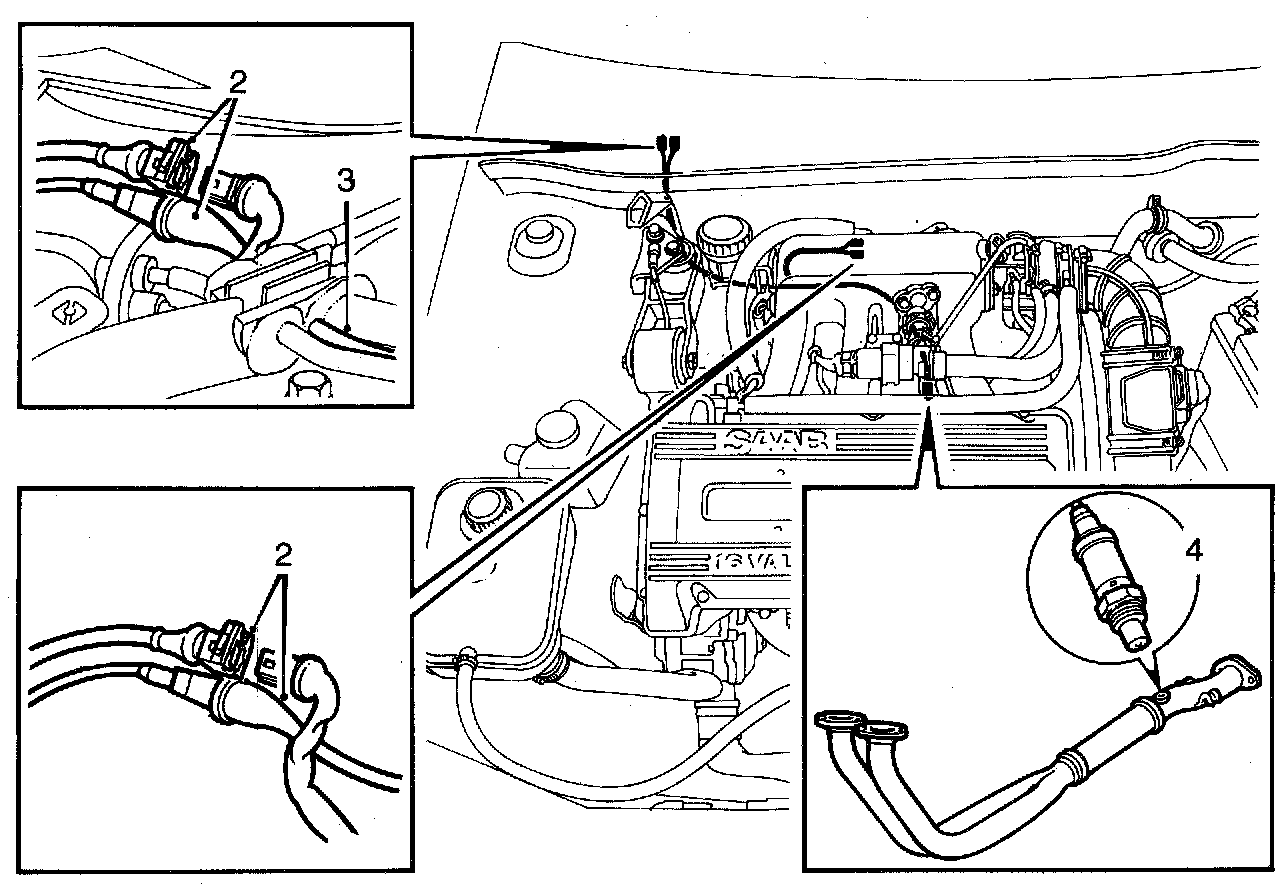
Replacement

Oxygen sensor (fuel injection engine)

Removal





Important: The electrical connector may be located either under the cover panel over the false bulkhead space or under the intake manifold.

1 Remove the cover panel.

2 Unplug the oxygen sensor connector.

3 Withdraw the oxygen sensor's leads. To do this, it may be necessary to raise the A/C pipes slightly.

4 Remove the oxygen sensor.

Important: The leads must not be twisted. The oxygen sensor is sensitive to impacts and jolts and should therefore be handled with care.


Fitting





1 Before fitting the oxygen sensor, lubricate the threads with Molycote 1000.

2 Fit the oxygen sensor.
Tightening torque: 55 Nm (41 lb ft).

3 Introduce the oxygen sensor's leads. To do this, it may be necessary to raise the A/C pipes slightly.

4 Plug the connector into the oxygen sensor and secure the wiring.

5 Fit the cover panel in place and secure the sealing strip on the bulkhead partition.