Operation CHARM: Car repair manuals for everyone.
Manuals through 2025 now available!

Our trusted friends have launched a new website named LEMON, which has newer manuals. It also contains all the CHARM manuals.

LEMON is the spiritual successor to CHARM, I recommend you try it!

Link: lemon-manuals.la or lemon-manuals.org.ua

(Some people have issue connecting. LEMON is investigating. For now, use Firefox or change your DNS server)

Or, hide this message: temporarily or permanently

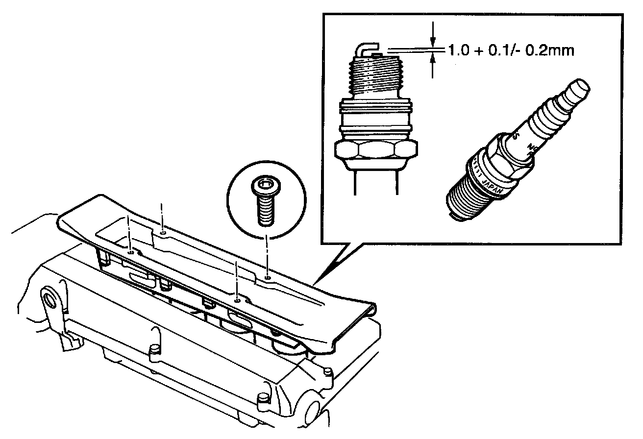
Spark Plug: Testing and Inspection

Checking the spark plugs





1 Check that the spark plugs are of recommended type or the equivalent, see "Specifications".

2 Check that the spark plugs are in good condition.

3 Change any spark plugs that are defective or in poor condition.