Operation CHARM: Car repair manuals for everyone.
Manuals through 2025 now available!

Our trusted friends have launched a new website named LEMON, which has newer manuals. It also contains all the CHARM manuals.

LEMON is the spiritual successor to CHARM, I recommend you try it!

Link: lemon-manuals.la or lemon-manuals.org.ua

(Some people have issue connecting. LEMON is investigating. For now, use Firefox or change your DNS server)

Or, hide this message: temporarily or permanently

Refrigerant: Service and Repair





CAUTION: Draining and charging equipment for R134a refrigerant must, under no circumstances, be used for R12 refrigerant or vice versa.

Special Equipment
1. Robinair 10324 Smart Cart (vacuum pumping and charging)
2. Robinair 17234 (draining)
3. Robinair 17644 (draining)
4. Robinair 10094 (vacuum pumping)
5. 1 litre refrigerant bottle (charging)

This equipment has been developed for handling R134a refrigerant. For information about the equipment, consult the manufacturer's manuals.

Remember to drain compressor oil from the draining stations at regular intervals (after every fourth draining is about right).





Snap-on Couplings
Specially developed snap-on couplings are used to connect the draining and charging equipment hoses to the compressor's service connections. These snap-on connections are designed as so called Schrader valves and are therefore connected in two stages:
1. Press the snap-on coupling onto the compressor's service connection.

2. Turn the knob clockwise to open the valve and let the refrigerant pass through the connection.

To remove the snap on coupling, first turn the knob (2) anti-clockwise to close the valve. Then remove the snap on coupling by pressing the spring-loaded catch (3), so that the locking sleeve (4) can be pulled up.

When the valve is pressed in, a hissing sound is heard as the valve also evacuates the refrigerant inside the snap-on coupling.

The connections for the low-pressure side and high-pressure side are differant sizes so that they cannot be mixed up.





Measuring Pressure With The Robinair 10324 Smart Cart
1. Check that the cock on the blue low-pressure hose and the cock on the red high-pressure hose on the pressure gauge stand are both closed.

2. Connect the blue low-pressure hose, using a snap-on coupling to the low-pressure side of the compressor.

3. Connect the red high-pressure hose, using a snap-on coupling, to the high-pressure side of the compressor.

4. Open the valves on both snap-on couplings by screwing in the knobs.

5. Start the engine. At an engine speed of 1500-2000 rpm and when air temperature is 20 °C (68 °F), it should be possible to read the following pressure on the pressure gauge when the compressor is working:
- Low-pressure side: 1 - 3 bar
- High-pressure side: 12 - 16.5 bar





NOTE: The system should be drained on both the low-pressure and high-pressure sides at the same time. A non-return valve in the intake to the compressor's low-pressure side makes it impossible to empty one side only.

Draining Using Robinair 10324 Smart Cart And Robinair 17234 Draining Station
1. Check that only the black cock under the pressure gauge set is open. Other cocks should be closed.

2. Connect the blue low-pressure hose, using a snap-on coupling, to the low-pressure side of the compressor.

3. Connect the red high-pressure hose, using a snap-on coupling, to the high-pressure side of the compressor.

4. Open the valves on both snap-on couplings by screwing in the knobs.

5. Using the yellow hose, connect the pressure gauge stand's middle outlet to the draining station.

6. Open the cocks on the blue low-pressure hose and the red high-pressure hose and the cock on the yellow hose connected to the pressure gauge stand's middle outlet.

7. Open the blue cock ("Liquid") for liquid refrigerant and the red cock ("Gas") for gaseous refrigerant on the draining station's container.

8. Start the draining station. When draining is completed, the draining station automatically switches off or the pressure gauge shows 0 mbar.

9. Close the cocks on the blue low-pressure hose, the red high-pressure hose and the yellow hose connected to the pressure gauge stand's middle outlet.

10. Remove the yellow hose from the draining station. Draining is now completed and work on the A/C system can commence.





NOTE: Vacuum pumping should be carried out on both the low-pressure and high-pressure sides at the same time. A non-return valve in the intake to the low-pressure side of the compressor makes it impossible to vacuum pump one side only.

Vacuum Pumping And Topping Up
Make sure that the quantity of refrigeration oil in the A/C system is correct before vacuum pumping or charging is started. Refer to "Oil Charge".
1. Connect the blue low-pressure hose, using a snap-on coupling to the low-pressure side of the compressor.

2. Connect the red high-pressure hose, using a snap-on coupling, to the high-pressure side of the compressor.

3. Open the valves on both snap-on couplings by screwing in the knobs.

4. Open the cocks on the blue low-pressure hose and red high-pressure hose on the pressure gauge stand.

5. Open the blue cock ("Liquid") for liquid refrigerant on the container on the Smart Cart.

6. Check that the cock on the yellow hose on the pressure gauge stand's middle outlet is closed.





7. Program vacuum pumping for 30 minutes by pressing "30" on the control panel in the "Vacuum minutes" position. Acknowledge the selection by pressing "ENTER".

8. Press "REV. PROG".

9. Press "0.95" to specify the number of kilograms of refrigerant to be charged. Acknowledge the selection by pressing "ENTER".

10. Press "REV. PROG".

11. Press "START" to start vacuum pumping.

12. Close the black cock under the pressure gauges as soon as vacuum pumping switches off after 30 minutes. Pressure must not exceed 10 mbar.

13. Move the A/C hoses slightly and make sure that there are no leaks in the system. The pressure must not increase by more than 10 mbar in 5 minutes.





WARNING: When using a 1 litre refrigerant bottle, refrigerant must only be filled on the low-pressure side of the compressor. If the bottle is connected to the high-pressure side, there is a risk of it exploding when the car's engine is started.

14. Open the black cock under the pressure gauges and close the cock to the blue low-pressure hose on the pressure gauges.

15. Press "START" to start charging of refrigerant.

16. Stop the charging process by pressing "HOLD" when about 200 grammes of refrigerant has been tilled.

17. Move the A/C hoses slightly and check with a leakage detector designed for R134a that the system is not leaking.

18. Continue the charging process by pressing "START". When charging is complete, the display on the control panel shows "CPL".

19. Close the cock to the red high-pressure hose to the pressure gauge.

20. Start the car and wait until the compressor starts working. Rev the engine so that the pump vanes in the compressor rotor are forced out. Pressure on the low-pressure side should be between 1.0 - 3.0 bar. The radiator fan should switch on at 12.5 - 16.5 bar on the high-pressure side.

21. Close the snap-on coupling valves on the compressor by undoing the knobs.

22. Remove the connections on the compressor and refit the protective plugs over the service valves.





Robinair 17644 Draining Equipment And Robinair 10094 Vacuum Pump

CAUTION: Draining and charging equipment for R134a refrigerant must, under no circumstances, be used for R12 refrigerant or vice versa. Only small amounts of the wrong refrigerant or the wrong compressor oil will give rise to chemical reactions which will eventually ruin both the equipment and the car's A/C system.

NOTE: The system must be drained on both the low-pressure and high-pressure sides at the same time. A non-return valve in the intake to the low-pressure side of the compressor makes it impossible to drain one side only.

1. Open the red cock ("Gas") for gaseous refrigerant on the draining station's container.

2. Connect the yellow hose on the pressure gauge stand's middle outlet to the inlet side of the draining station.

3. Connect the blue low-pressure hose, using a snap-on coupling, to the low-pressure side of the compressor.

4. Connect the red high-pressure hose, using a snap-on coupling, to the high-pressure side of the compressor.

5. Open the valves on both snap-on couplings by screwing in the knobs.





6. Open the cocks on the blue low-pressure hose and red high-pressure hose on the pressure gauge stand.

7. Start the draining station.

8. If the draining station operates correctly, it should show negative pressure when the draining valve is closed.

9. Open the draining valve and drain the A/C system of refrigerant.

10. Close the draining valve when the gauge on the draining station shows a partial vacuum (approx. 10 mm Hg).

11. Turn off the draining station.

12. Close the cocks on the blue low-pressure hose and red high-pressure hose on the pressure gauge stand.

13. Remove the yellow hose from the draining station. Draining is now completed and work on the A/C system can commence.





Vacuum Pumping
Make sure that the amount of compressor oil in the A/C system is correct before starting vacuum pumping and charging. Service and Repair

NOTE: The system should be vacuumed pumped on both the low-pressure and high-pressure sides at the same time. The non-return valve in the intake to the low-pressure side of the compressor makes it impossible to vacuum pump one side only.

1. Connect the blue tow-pressure hose, using a snap-on coupling, to the low-pressure side of the compressor.

2. Connect the red high-pressure hose, using a snap-on coupling, to the high-pressure side of the compressor.

3. Open the valves on both snap-on couplings by screwing in the knobs

4. Connect the yellow hose on the pressure gauge stands middle outlet to the refrigerant bottle.

5. Open the cocks on the blue low-pressure hose and red high-pressure hose on the pressure gauge stand.

6. Start the vacuum pump.

7. Open the vacuum valve and let the pump run for 30 minutes.

8. Close the vacuum valve when vacuum pumping is finished after about 30 minutes. The pressure should then be 0 - 10 mbar.

9. Switch off the pump.

10. Move the A/C hoses slightly and make sure that there are no leaks in the system. Pressure may not increase by more than 10 mbar during 5 minutes.





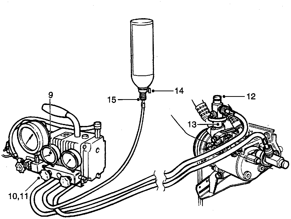
Filling From 1 Litre Refrigerant Bottle

1. Close the cocks on the blue low-pressure hose and red high-pressure hose on the pressure gauge stand.

WARNING: Only the low-pressure side of the compressor may be filled with refrigerant from a 1 litre refrigerant bottle. If the bottle is connected to the high-pressure side, there is a danger of it exploding when the car's engine is started.

2. Close the valve in the red high-pressure hose snap on coupling on the compressor by unscrewing the knob.

3. Then remove the red high-pressure hose snap on coupling from the compressor and refit the protective plug over the connection.





4. Place the bottle with refrigerant upside~own and open the cock on the bottle.

NOTE: The refrigerant bottle must be inverted so that it may be fully emptied.

5. Charge with 200 grammes of refrigerant by carefully opening the cock on the blue low-pressure hose on the pressure gauge stand for about 5 seconds. 200 grammes of refrigerant corresponds to a pressure of 45 bar.

6. Move the A/C hoses slightly and check with a leakage detector designed for R134a that there are no leaks in the system.

7. Open the blue low-pressure hose cock on the pressure gauges and continue charging until pressure has stabilized.

8. Close the cock on the blue low-pressure hose on the pressure gauge stand.





9. Start the car and wait until the compressor starts to work. Rev the engine so that the pump vanes in the compressor rotor are forced out (this can be seen as the pressure drops below 3 bar on the gauge beside the blue low-pressure hose on the pressure gauges).

10. Open the cock on the blue low-pressure hose on the pressure gauge stand when the compressor starts working so that the remaining amount of refrigerant is sucked into the compressor.

11. Close the cock to the blue low-pressure hose on the pressure gauges when the bottle with refrigerant is emptied.

12. Close the valve on the blue low-pressure hose snap-on coupling on the compressor by unscrewing the knob.

13. Remove the blue low-pressure hose snap-on coupling from the compressor and refit the protective plug over the service valve.

14. Close the cock on the refrigerant bottle.

15. Remove the yellow hose from the refrigerant bottle.