Operation CHARM: Car repair manuals for everyone.
Manuals through 2025 now available!

Our trusted friends have launched a new website named LEMON, which has newer manuals. It also contains all the CHARM manuals.

LEMON is the spiritual successor to CHARM, I recommend you try it!

Link: lemon-manuals.la or lemon-manuals.org.ua

(Some people have issue connecting. LEMON is investigating. For now, use Firefox or change your DNS server)

Or, hide this message: temporarily or permanently

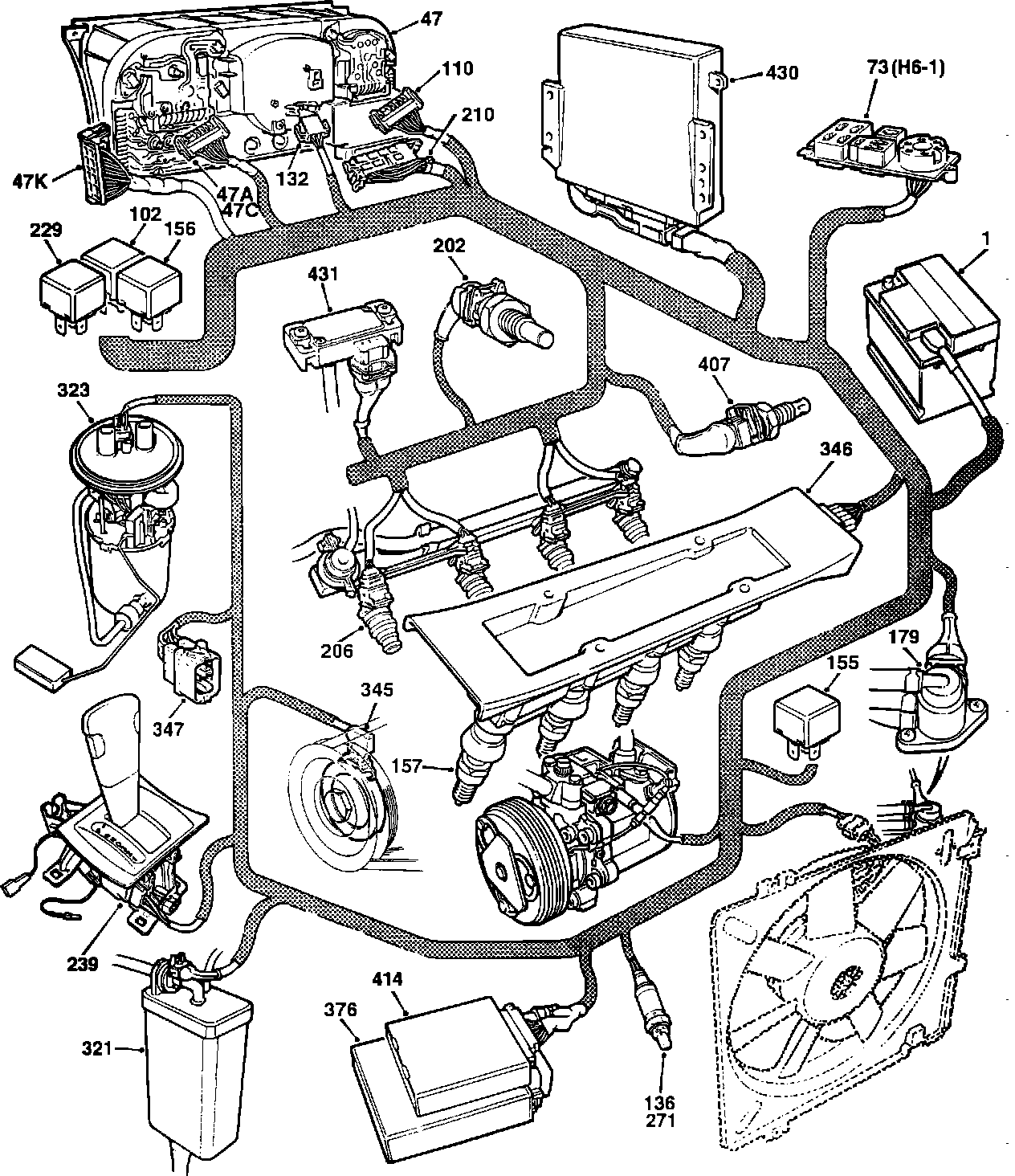
Computers and Control Systems: Description and Operation

TRIONIC Engine Management System:





DESCRIPTION
TRIONIC Engine Management is a sequential multiport fuel injection (SFI) system which integrates fuel injection and ignition timing funtions into a single control unit.

FEATURES
1. Utilizes only one computer, thus eliminating connectors and wiring harnesses needed to link the various control units in older systems.

2. Injectors trigger sequentially on the Trionic system, allowing more precise fuel metering and allowing the fuel flow to individual cylinders to vary as the need occurs.

3. Injectors are a new "twin-jet" design which aims an individual spray pattern at each intake valve. The resulting effect is similar to having eight individual injectors.

4. Air Mass Meter has been replaced by a Manifold Pressure Sensor. This simplified hardware accomplishes the same results because of "smarter" electronics in the computer.

5. Knock detector is eliminated due to improved DI cassette design which utilizes an enhanced ionization signal circuit to calculate when detonation takes place.

6. To reduce cranking time, a "BEFORE-START" function has been programmed into the Trionic Engine Control Module (ECM) to spray a small, temperature-dependent quantity of fuel at all cylinders as the ignition key is turned on but prior to starter engagement.