Operation CHARM: Car repair manuals for everyone.
Manuals through 2025 now available!

Our trusted friends have launched a new website named LEMON, which has newer manuals. It also contains all the CHARM manuals.

LEMON is the spiritual successor to CHARM, I recommend you try it!

Link: lemon-manuals.la or lemon-manuals.org.ua

(Some people have issue connecting. LEMON is investigating. For now, use Firefox or change your DNS server)

Or, hide this message: temporarily or permanently

High Boost Pressure





FAULT DIAGNOSIS, HIGH BOOST PRESSURE

Prior Condition

No diagnostic trouble codes


Fault Symptom.
Pressure switch opens at wide open throttle. The Turbo/APC gauge needle swings far into the red zone.

DIAGNOSTIC PROCEDURE

1. Checking For The Cause Of The Fault
Whether the fault is a control fault or a basic engine/turbo fault will be determined in the following.
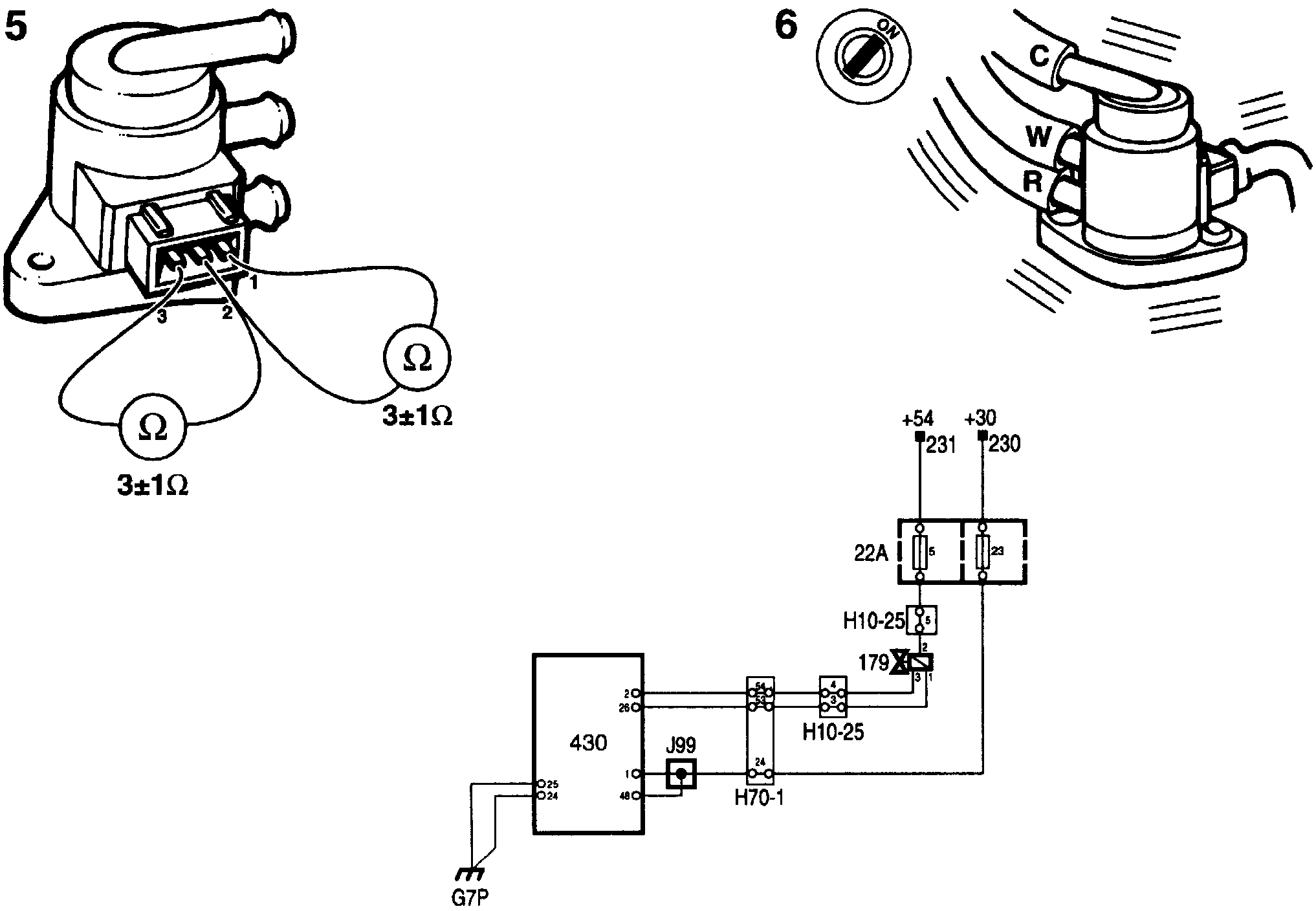
Disconnect the air hoses marked "W" and "C" from the boost pressure control valve and connect them together by means of a length of pipe or tubing. Drive the car.
When the throttle is opened wide from low engine rpm and if opened abruptly at higher rpm, only basic charging pressure should be obtained.

If only basic charging pressure is obtained, continue with point 2.

If boost pressure above basic charging pressure is obtained, check and if necessary rectify the following:
- Binding wastegate
- Defective diaphragm unit
- Defective or incorrectly connected control hoses





2. Checking Fuse 5
If the fuse is OK, continue with point 4.

If the fuse is not OK, continue with point 6.

3. Checking Of Air Hoses
Check that the valve's three control hoses are in good condition and correctly connected.

If the air hoses are OK, continue with point 4.

If the air hoses are not OK, rectify the fault.

4. Checking The Voltage Supply
Check that the valve receives a +54 supply by connecting a test lamp to pin 2 of the valve connector and a good ground.
The test lamp should light up.

If the test lamp lights up, continue with point 5.

If the test lamp does not light up, check the lead between pin 2 of the connector and fuse 5.





5. Checking The Resistance Of The Valve
Take a resistance reading at the valve's connector across:
- Pins 1 and 2
- Pins 2 and 3
Nominal resistance is 3 ±1 ohms in both circuits.

If the readings are OK, continue with point 6.

If any reading is not OK, change the boost pressure control valve.

NOTE: If any winding has a short circuit, the control module will probably also be damaged. If a new valve is then fitted, it will automatically be rendered unserviceable. Accordingly, in the event of a short circuit the control module must be changed.

If necessary, change fuse 5.

6. Checking The Valve
Ignition switch in the ON position. Plug in the valve's connector. A slight buzzing sound should then be heard.

If the valve buzzes, continue with point 8.

If the valve does not buzz, check the lead between pin 3 of the valve's connector and pin 2 of the control module and take remedial action if necessary.

If the lead is OK, continue with point 10.





7. Checking The Valve's Electrical Connection
Unplug the valve's 3-pin connector. Connect a test lamp to pins 1 and 2 of the connector.
The test lamp should not light up.
Select "ACTIVATE".
Select "BOOST PRESS. VALVE".
The test lamp should light up.

If the test lamp lights up, continue with point 8.

If the test lamp does not light up, check the lead between pin 1 of the valve's connector and pin 26 of the control module and take remedial action if necessary.

If the lead is OK, continue with point 10.

8. Checking The Valve's Air Passages
Disconnect the valve and check visually that its ports are not obstructed.

If the valve is obstructed, change the boost pressure control valve.

If the valve is not obstructed, continue with point 9.

9. Checking Valve Operation
Fit another valve that is known to be OK.

If boost pressure is OK, change the boost pressure control valve. If boost pressure is not OK, continue with point 10.





10. Checking Valve Operation
Drive the car on test and check whether the fault symptoms persist.

If the symptoms persist, refer to Before Replacing A Control Module.

If the symptoms have gone, the action taken to rectify the fault was correct otherwise the fault is of intermittent nature.