Operation CHARM: Car repair manuals for everyone.
Manuals through 2025 now available!

Our trusted friends have launched a new website named LEMON, which has newer manuals. It also contains all the CHARM manuals.

LEMON is the spiritual successor to CHARM, I recommend you try it!

Link: lemon-manuals.la or lemon-manuals.org.ua

(Some people have issue connecting. LEMON is investigating. For now, use Firefox or change your DNS server)

Or, hide this message: temporarily or permanently

Injectors





FAULT DIAGNOSIS, INJECTORS

Fault Symptom
.
Engine not running on all cylinders.

DIAGNOSTIC PROCEDURE

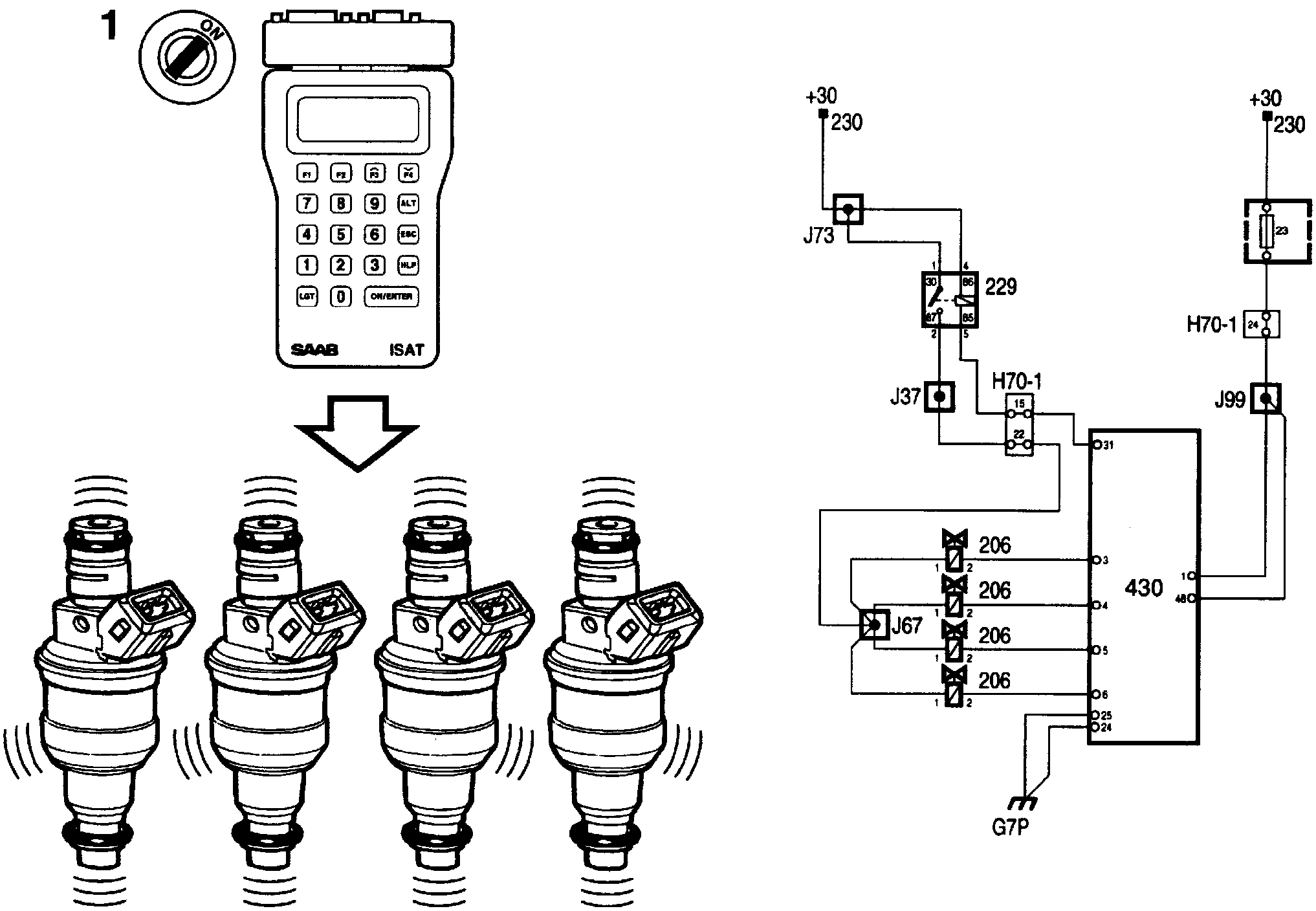
1. Checking Injector Operation
Connect the Scan Toot.
Ignition switch in the ON position.
Select "ACTIVATE".
Select "INJECTORS".
Select INJECTOR CYL1", "CYL2", "CYL3"and "CYL4".
Select each individual injector separately.
An injector is activated for 10 seconds at 10 Hz. For longer activation the command must be repeated.
Listen for the sound of each injector working.

If all the injectors are working, continue with point 5.

If any injector is not working, continue with point 2.





2. Checking Injector Operation
Unplug the relevant injector connector. Connect a test lamp to pins 1 and 2 of the injector connector.
Activate the injector by means of the Scan Tool and activation command INJECTOR CYL1", "CYL 2", "CYL3" or "CYL4".
The test lamp should flash at a frequency of 10 Hz for 10 seconds. If there is any uncertainty, repeat the command.

If the test lamp flashes, continue with point 4.

If the test lamp does not flash, continue with point 3.

3. Checking The Injector's 12 V Supply
Check the voltage supply by connecting the test lamp to pin 1 of the injector connector and battery negative.
Activate the injector by means of the Scan Tool and activation command " INJECTOR CYL1", "CYL 2", "CYL3" or "CYL4".
The test lamp should light up.

If the lamp lights up, check the lead between pin 2 and the control module output in question.

If the lamp does not light up, the fault is in the lead between pin 1 and crimped connection J67.





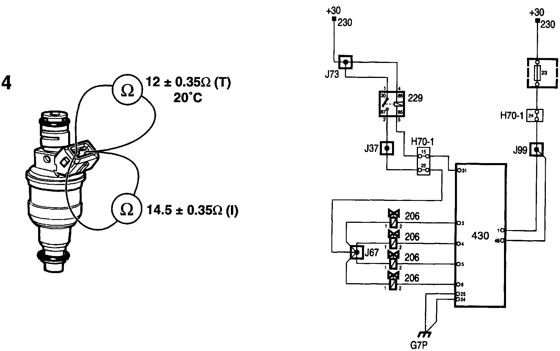
4. Checking Injector Resistance
Take a resistance reading across pins 1 and 2 of the relevant injector connector.
Nominal resistance is:
12 ±0.35 ohms at 20°C (turbo engine).

If the reading is OK, continue with point 5.

If the reading is not OK, change the injector.

5. Checking The Fuel Flow
Measure the fuel flow rate. See section "Adjustment/replacement of components".

If the flow rate is OK, continue with point 6.

If the flow rate is not OK, change the injector.

6. Final Check
Drive the car on test and check whether the fault symptoms persist.

If the symptoms persist, refer to Before Replacing A Control Module.

If the fault symptoms have gone, the action taken to rectify the fault was correct, otherwise the fault is of intermittent nature.