Operation CHARM: Car repair manuals for everyone.
Manuals through 2025 now available!

Our trusted friends have launched a new website named LEMON, which has newer manuals. It also contains all the CHARM manuals.

LEMON is the spiritual successor to CHARM, I recommend you try it!

Link: lemon-manuals.la or lemon-manuals.org.ua

(Some people have issue connecting. LEMON is investigating. For now, use Firefox or change your DNS server)

Or, hide this message: temporarily or permanently

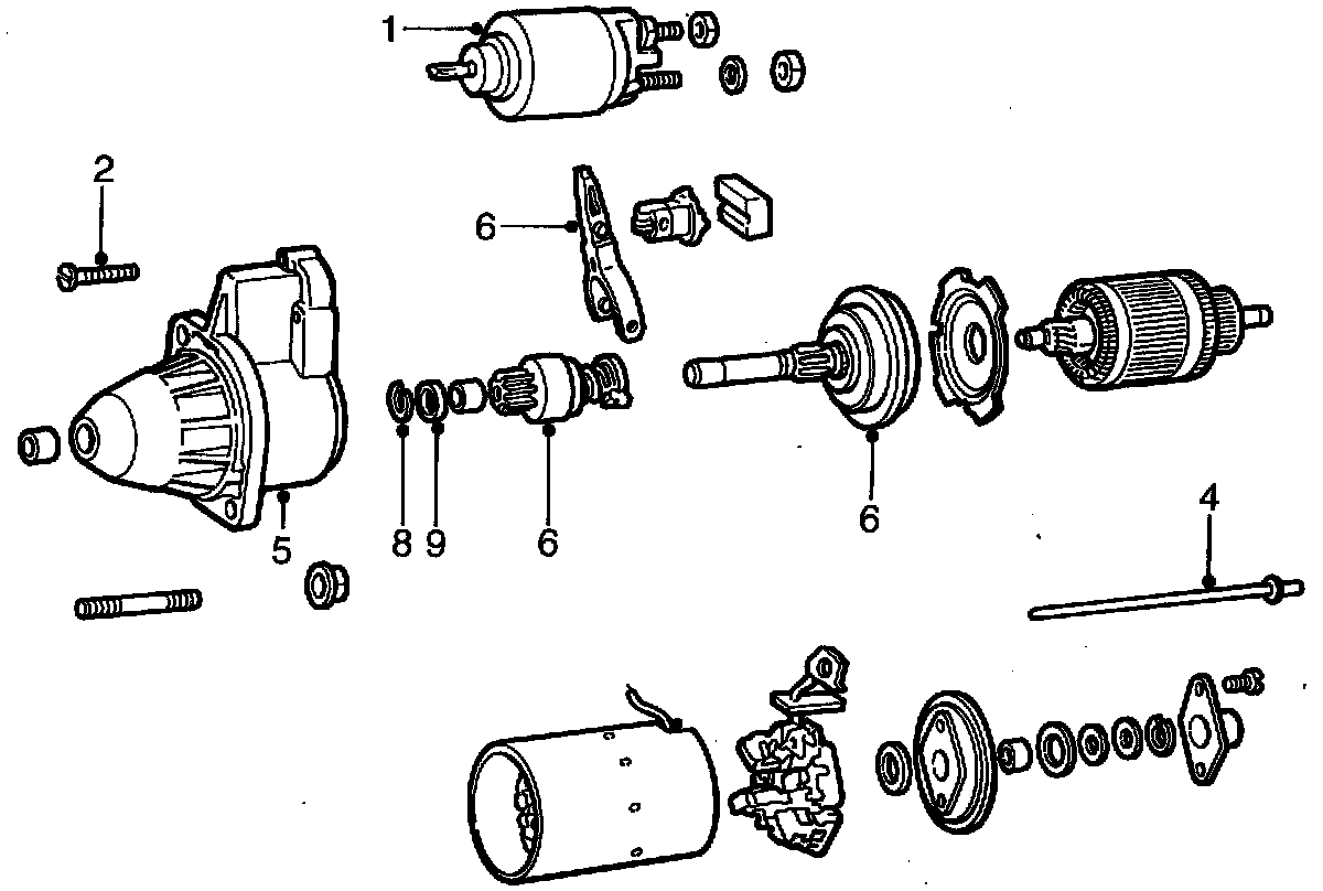
Assembly






Important : Inspect all parts and change any that are damaged. Soak the bushings in warm oil before installation them.

1 Insert the planetary gearing into the planetary gear housing. Install the washer and circlip.
2 Lubricate the helical gear and starter pinion engagement ring with silicone grease.
3 Slide the starter pinion and stop ring onto the motor shaft.
4 Use circlip pliers to install the circlip into its groove.
5 Press the stop ring up against the circlip by means of a jaw puller.
6 Slide the planetary gearing, pinion engaging lever and starter pinion into the pinion bracket and install the bearing bracket seal and planetary gearing cover in place.
7 Install the brush holder assembly onto the armature shaft.
The easiest way to do this is to slide the brush plate, without the brush holders, partially onto the armature shaft. The brushes can then be properly centered, after which the brush holders and springs can be installed over the brushes and pressed into their correct positions.
8 Install the commutator end bracket, shim and spring washer onto the armature.

Important : Before installation the commutator end bracket, make sure that the seal between the bracket and the armature is in good and undamaged condition and that it has been correctly installed.

9 Install the armature complete with brush holders and commutator end bracket in the starter motor housing.
10 Assemble the starter motor housing and pinion bracket assembly, and install the long through-bolts.
11 Check the end float of the armature shaft, which should be 0.05-0.40 mm (0.002-0.016 in).
12 Install the seal and end cover over the end of the armature shaft on the commutator end bracket.
13 Install the solenoid and connect the supply cable.






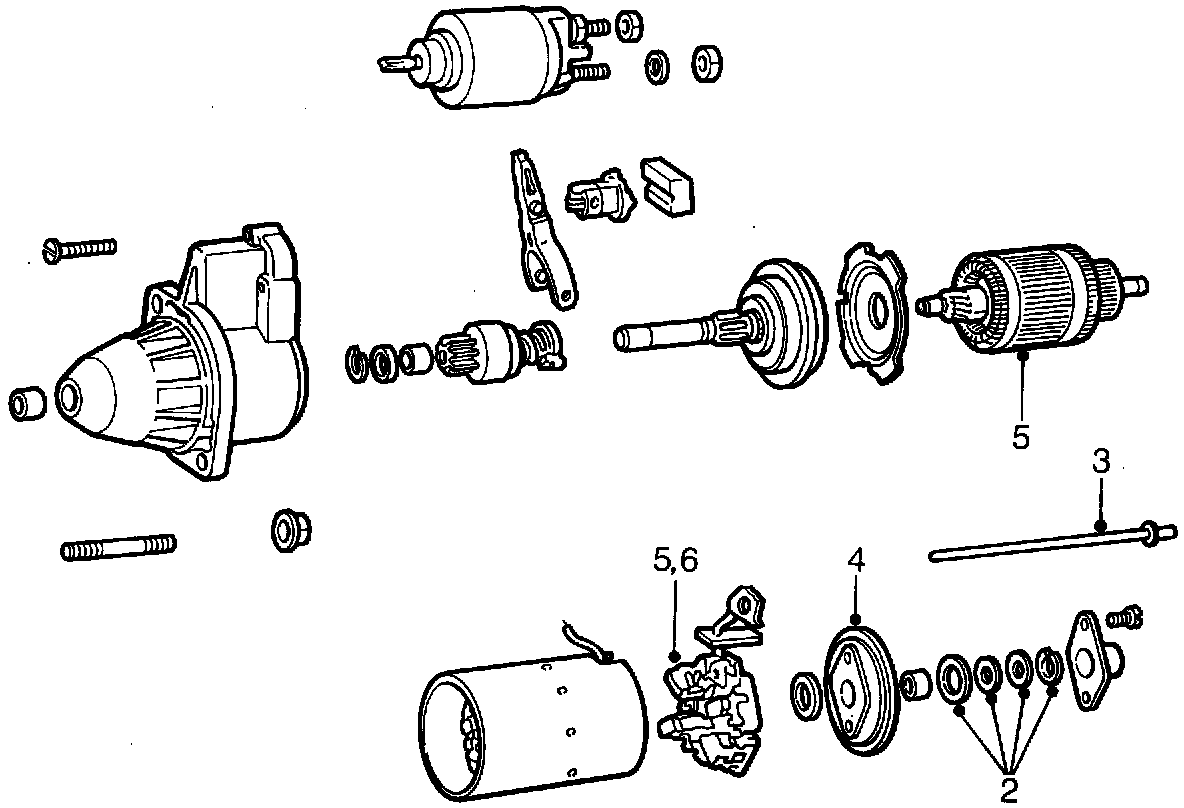
To Remove the brush-holder assembly
1 Remove the two end-cover retaining screws.
2 Remove the spring washer, shim and seal.
3 Remove the commutator end bracket screws.
4 Remove the commutator end bracket.
5 Withdraw the armature and brush-holder assembly through the rear of the starter motor housing.
6 Remove the brush holder assembly from the armature.

To Install the brush-holder assembly
1 Install the brush holder assembly onto the armature shaft.
The easiest way to do this is to slide the brush plate, without the brush holders, partially onto the armature shaft. The brushes can then be properly centered, after which the brush holders and springs can be installed over the brushes and pressed into their correct positions.
2 Install the commutator end bracket, shim and spring washer onto the armature.

Important : Before installation the commutator end bracket, make sure that the seal between the bracket and the armature is in good and undamaged condition and that it has been correctly installed.

3 Install the armature with brush holder assembly and commutator end bracket into the starter motor housing.
4 Install the seal and end cover.






To Remove the starter pinion
1 Disconnect the supply cable from the solenoid.
2 Remove the solenoid retaining screws.
3 Unhook and remove the solenoid.
4 Remove the commutator end bracket screws.
5 Pull off the pinion bracket assembly and remove the bearing bracket seal.
6 Withdraw the planetary gearing, pinion engaging lever and starter pinion from the pinion bracket assembly.
7 Drive the stop ring down onto the pinion, using a length of pipe.

Important : Exercise care when handling the planetary gear housing to avoid damaging its plastic legs, which are fragile and can easily break.

8 Use circlip pliers to remove the circlip and pull oft the pinion.
9 Remove the stop ring and starter pinion.
10 Check for any burrs on the armature shaft's helical gear for the starter pinion. File off any that are present.

To Install the starter pinion
1 Lubricate the armature shaft's helical gear and engagement ring with silicone grease.
2 Slide the starter pinion and stop ring onto the armature shaft.
3 Use circlip pliers to install the circlip into its groove.
4 Press the stop ring up against the circlip by means of a jaw puller.
5 Insert the planetary gearing, pinion engaging lever and starter pinion into the pinion bracket and install the bearing bracket seal and planetary gearing cover in place.
6 Install the commutator end bracket through-bolts in place and tighten them.
7 Hook the solenoid onto the pinion-engaging lever and tighten the screws.
8 Connect the supply cable.