Operation CHARM: Car repair manuals for everyone.
Manuals through 2025 now available!

Our trusted friends have launched a new website named LEMON, which has newer manuals. It also contains all the CHARM manuals.

LEMON is the spiritual successor to CHARM, I recommend you try it!

Link: lemon-manuals.la or lemon-manuals.org.ua

(Some people have issue connecting. LEMON is investigating. For now, use Firefox or change your DNS server)

Or, hide this message: temporarily or permanently

ISAT







ISAT
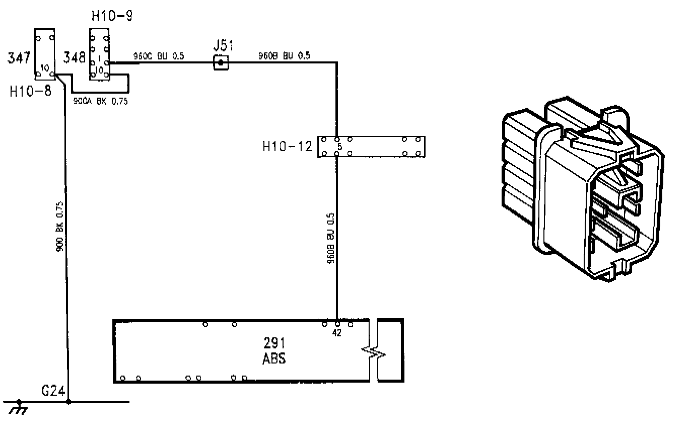
The Electronic Control Unit (ECU) can communicate with the ISAT through pin 42. Lead K.

The communication will be shown as trouble codes and command codes on the ISAT display.

Connect the ISAT to the green connector, right-hand side no.3 Antilock Brake System (ABS)