Operation CHARM: Car repair manuals for everyone.
Manuals through 2025 now available!

Our trusted friends have launched a new website named LEMON, which has newer manuals. It also contains all the CHARM manuals.

LEMON is the spiritual successor to CHARM, I recommend you try it!

Link: lemon-manuals.la or lemon-manuals.org.ua

(Some people have issue connecting. LEMON is investigating. For now, use Firefox or change your DNS server)

Or, hide this message: temporarily or permanently

PSM Control Module Inputs, Outputs, I-Bus




PSM control module inputs







- Power supply +15 (20)
- Power supply +30 (1)
- Grounding (G14)
- Switch unit (367D), seat adjustment
- Position sensor (357De-Dh), seat adjustment
- Memory buttons (357Dj)


PSM control module inputs, I-Bus







- Driver Door (open/closed) from TWICE (632)
- Passenger Door (open/closed) from TWICE (632)
- Power supply +54 from DICE (628)
- Diagnostic communication from DICE (628)

PSM control module outputs







- Motors, seat adjustment (357Da-Dd)


PSM control module outputs, I-Bus







- Acoustic confirmation to SID (541).
- Memory buttons 1-3 to PMM (611), see Recalling memory setting
- Memory Store Button ON/OFF to PSM (611), see Memory Retrieval
- Diagnostic communication to DICE (628)


PCM Control Module












The PSM is located on a bracket under the driver's seat and has three connectors; K1, K2 and K3.
The motors with Hall sensors and switches are powered from the control module.
The control module controls the following functions:
- memory settings for driver's seat position
- movement of driver's seat to memorized position
- communication with diagnostic tool (Tech 2)
- communication with I-bus, see Bus communication.

The driver's seat is adjusted and the settings stored when the ignition is ON (+15 and +54) or when one of the front doors is open. The information on +54 is received by PSM via the bus from DICE, and the information on front door open/closed from TWICE.

When the ignition is ON (+15 or +54), the seat can be adjusted.

When the ignition is OFF and one of the front doors is open, the seat can be adjusted for 20 minutes. If the door is closed and then opened again, a further period of 20 minutes begins.

The seat can also be adjusted for 30 seconds after a door has been closed and the ignition is OFF.

The motors adjust the seat lengthways and in height as well as the change the reclining angle of the backrest Adjustment is continuous with certain limitations. These apply to the motors for lengthways adjustment (357a/e) and height adjustment (c/g rear and b/f front). The following operations cannot be performed.

- Simultaneous adjustment of 357 a/e up and 357 c/g up/down.
- Simultaneous adjustment of 357 a/e forward and 357 b/f up/down.

The control module monitors the current consumption of each motor when it is being operated and counts the pulses from the Hall sensors between the various seat movements. The Hall sensors are fitted in each motor and are connected between pins 3 and 4. When a setting has been stored in memory, SID sounds an acoustic confirmation via the I-bus from PSM. The memory settings are stored in a non-volatile memory, which retains the settings even when the control module is not powered.

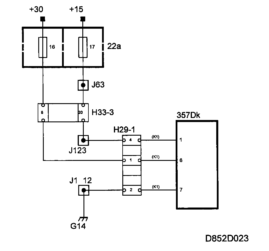
Power supply












+30
Power (+3D circuit) is supplied via fuse 16 to control module pin 6.

+15
Power (+15 circuit) is supplied via fuse 17 to control module pin 1.

Grounding
The control module is grounded via pin 7.

Diagnostics
The control module monitors its internal functions and the components in the PSM system.

In case of an internal control module fault, diagnostic trouble code B1605 will be generated and the seat cannot be adjusted using the switch or memory settings.

If the +30 power supply to the control module is missing, the seat cannot be adjusted in any way.

If the +15 power supply to the control module is missing, the seat can be adjusted if one of the front doors is open.

No diagnostic communication is possible if the power supply is missing.