Operation CHARM: Car repair manuals for everyone.
Manuals through 2025 now available!

Our trusted friends have launched a new website named LEMON, which has newer manuals. It also contains all the CHARM manuals.

LEMON is the spiritual successor to CHARM, I recommend you try it!

Link: lemon-manuals.la or lemon-manuals.org.ua

(Some people have issue connecting. LEMON is investigating. For now, use Firefox or change your DNS server)

Or, hide this message: temporarily or permanently

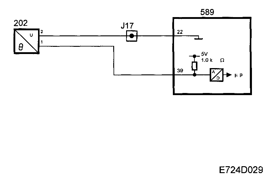
Coolant Temperature Sensor




Coolant Temperature Sensor












The temperature sensor is located on the left-hand end of the cylinder head and is in contact with the engine coolant. The sensor is NTC type.

The Control module measures the engine coolant temperature by supplying the sensor with 5 V through and integrated 1.0 kohm resistor from pin 39. The sensor is grounded via Control module pin 22. The voltage across the resistor in the Control module is proportional to the engine coolant temperature.

Engine coolant temperature is used to:
- calculate the injection duration for pre-injection
- calculate the injection duration while the starter motor is cranking
- calculate after-start enrichment.
- determine when closed loop should be engaged
- correct idling speed.

Diagnostics
- If the sensor voltage is too low, diagnostic trouble code P0117 will be generated.
- If the sensor voltage is too high, diagnostic trouble code P0118 will be generated.
- If the temperature value is implausible, diagnostic trouble code P0116 will be generated.
- If There are any unfeasible changes in sensor voltage, diagnostic trouble code P0119 will be generated.

System reaction to a fault
- A substitute value that equals the intake air temperature at start is selected and then increased with 1°C (1.8°F) for every 60 grams air passing the mass air flow sensor. The substitute temperature is maximized to 90°C.
- Purging blocked.