Operation CHARM: Car repair manuals for everyone.
Manuals through 2025 now available!

Our trusted friends have launched a new website named LEMON, which has newer manuals. It also contains all the CHARM manuals.

LEMON is the spiritual successor to CHARM, I recommend you try it!

Link: lemon-manuals.la or lemon-manuals.org.ua

(Some people have issue connecting. LEMON is investigating. For now, use Firefox or change your DNS server)

Or, hide this message: temporarily or permanently

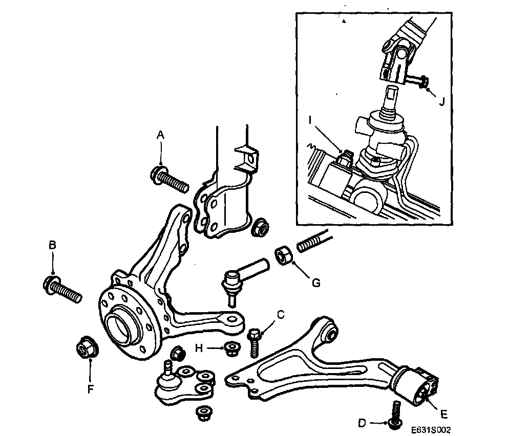
Control Arm

/e8mSourceCode/e28m

Tightening Torque





Rear suspension arm mounting to subframe (tighten when car standing on wheels) D; 120 Nm +90° (88 ft. lbs. +90°)
Rear suspension arm bushing to suspension arm E 75 Nm (55 ft. lbs.)
Front suspension arm mounting on subframe (tighten when car standing on wheels); 110 Nm + 90° (81 ft. lbs. + 90°)

Important Always fit a new hubcentre nut if it has been removed because the clamping force of the lock indentations will be reduced if the old one is refitted.