Operation CHARM: Car repair manuals for everyone.
Manuals through 2025 now available!

Our trusted friends have launched a new website named LEMON, which has newer manuals. It also contains all the CHARM manuals.

LEMON is the spiritual successor to CHARM, I recommend you try it!

Link: lemon-manuals.la or lemon-manuals.org.ua

(Some people have issue connecting. LEMON is investigating. For now, use Firefox or change your DNS server)

Or, hide this message: temporarily or permanently

Front Cross-Member


Tightening Torques
Front

Component Illustration:





Subframe Mounting To Body 100 Nm (75 Ft. Lbs.) + 45°
Subframe Reinforcement 65 Nm (50 Ft. Lbs.)
Anti-Roll Bar To Subframe 25 Nm (20 Ft. Lbs.)

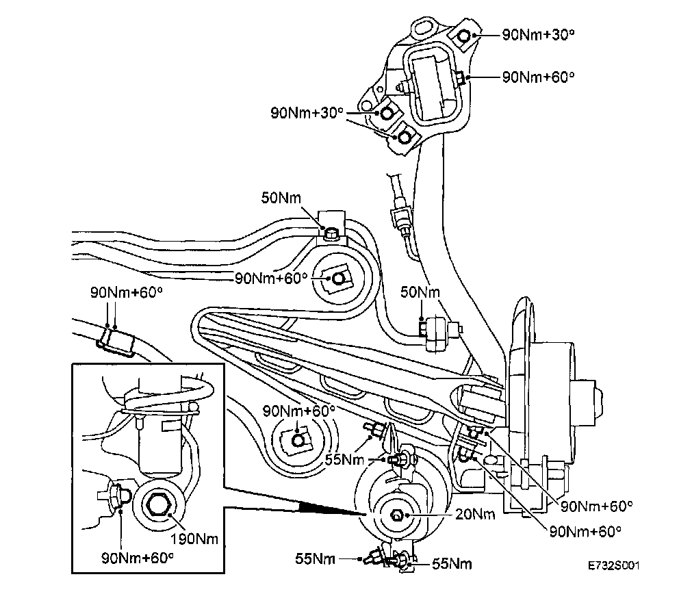
Rear

Component Illustration:





Subframe to car body 90 Nm (70 ft. lbs.) + 60°
Upper Transverse Link To Subframe 90 Nm (70 ft. lbs.) + 60°
Lower Transverse Link To Subframe 90 Nm (70 ft. lbs.) + 60°
Anti-Roll Bar To Subframe 50 Nm (40 ft. lbs.)