Operation CHARM: Car repair manuals for everyone.
Manuals through 2025 now available!

Our trusted friends have launched a new website named LEMON, which has newer manuals. It also contains all the CHARM manuals.

LEMON is the spiritual successor to CHARM, I recommend you try it!

Link: lemon-manuals.la or lemon-manuals.org.ua

(Some people have issue connecting. LEMON is investigating. For now, use Firefox or change your DNS server)

Or, hide this message: temporarily or permanently

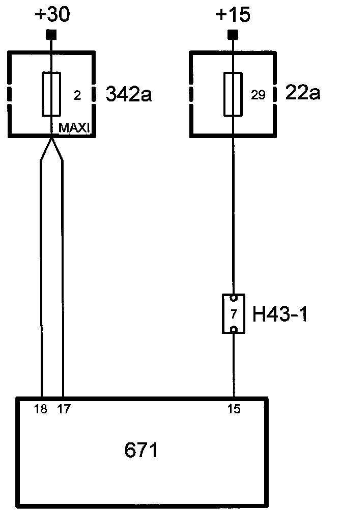
Power Supply, Control Module

Power supply
Battery voltage (+30 circuit)
The +30-circuit power supply goes via fuse 1 (342a) to pins 17 and 18 on the control module.








Battery voltage (+15 circuit)
The +15-circuit power supply goes via fuse 26 (22a) to pin 15 on the control module. When the +15 voltage is applied to pin 15, the control module is activated.

Diagnostics
DTC C1532 is generated if the power supply drops below 9 V DC for more than 0.5 seconds at a vehicle speed greater than 6 km/h (3.7 mph). The ESP, TCS and ABS functions will be disabled and the warning lamps for the ABS, foot brake, central warning lamp and ESP OFF switched on. No DTC is generated at speeds below 6 km/h.