Operation CHARM: Car repair manuals for everyone.
Manuals through 2025 now available!

Our trusted friends have launched a new website named LEMON, which has newer manuals. It also contains all the CHARM manuals.

LEMON is the spiritual successor to CHARM, I recommend you try it!

Link: lemon-manuals.la or lemon-manuals.org.ua

(Some people have issue connecting. LEMON is investigating. For now, use Firefox or change your DNS server)

Or, hide this message: temporarily or permanently

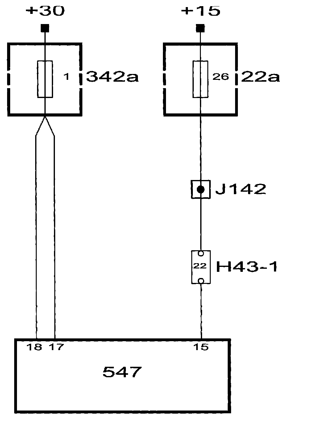
Power Supply, Control Module

Power supply
Battery voltage (+30 circuit)
The +30-circuit power supply goes via fuse 1 (342a) to pins 17 and 18 on the control module.








Battery voltage (+15 circuit)
The +15-circuit power supply goes via fuse 26 (22a) to pin 15 on the control module. When the +15 voltage is applied to pin 15, the control module is activated.

Diagnostics
If the supply drops below 9 V for at least 0.5 s, diagnostic trouble code C1532 will be generated, the ABS warning lamp will come on and the ABS system will be disabled.