Operation CHARM: Car repair manuals for everyone.
Manuals through 2025 now available!

Our trusted friends have launched a new website named LEMON, which has newer manuals. It also contains all the CHARM manuals.

LEMON is the spiritual successor to CHARM, I recommend you try it!

Link: lemon-manuals.la or lemon-manuals.org.ua

(Some people have issue connecting. LEMON is investigating. For now, use Firefox or change your DNS server)

Or, hide this message: temporarily or permanently

Control Module Power Supply



Control Module Power Supply










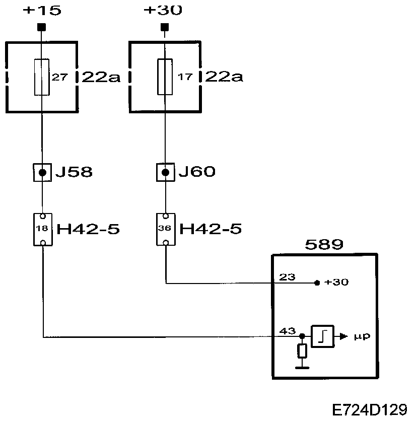
+30
The main relay, fuel pump relay and fuse 17 are supplied with +30 from maxi fuse 2. Control module pin 23 is supplied from fuse 17.

The control module uses +30 for its memory.

+15
Control module pin 43 is supplied with +15 from fuse 27. When +15 is applied to pin 43, the control module will be activated.

Diagnostics
- If +30 or +15 is missing, the engine will not start and the system cannot be contacted using the diagnostic tool.

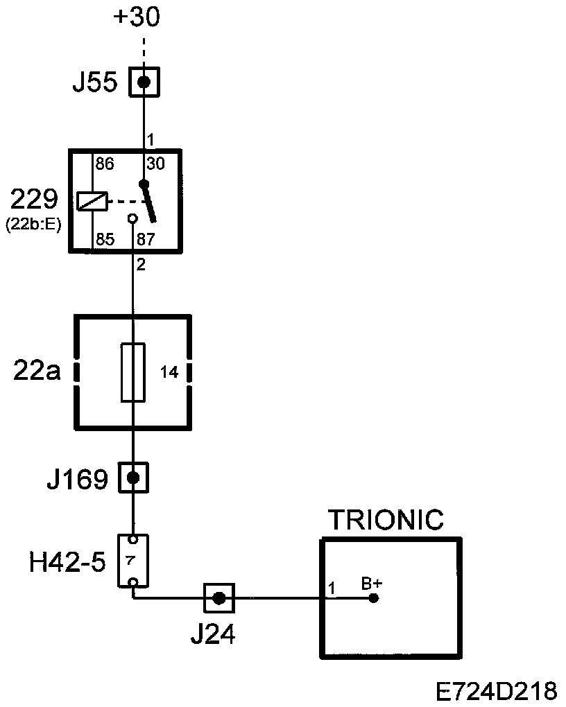
Main relay
When the ignition is in position ON, the main relay will operate.

Control module pin 1 is supplied from main relay pin 87 via fuse 14. This connection is used internally to feed the throttle motor.










Diagnostics
- If the supply from the main relay to the control module is missing, diagnostic trouble code P1640 will be generated, the throttle will close and the engine will stop.