Operation CHARM: Car repair manuals for everyone.
Manuals through 2025 now available!

Our trusted friends have launched a new website named LEMON, which has newer manuals. It also contains all the CHARM manuals.

LEMON is the spiritual successor to CHARM, I recommend you try it!

Link: lemon-manuals.la or lemon-manuals.org.ua

(Some people have issue connecting. LEMON is investigating. For now, use Firefox or change your DNS server)

Or, hide this message: temporarily or permanently

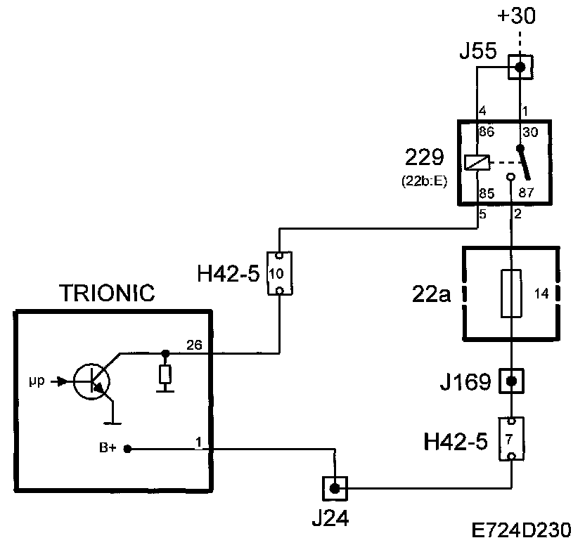
Main Relay (Computer/Fuel System): Description and Operation



Main Relay










The main relay is located in the relay holder under the dashboard by the steering wheel.

When the ignition is in position "ON", +15 will be supplied to control module pin 43. The control module will then ground pin 26 to activate the main relay. From main relay pin 87, the control module will simultaneously receive supply voltage on pin 1. The control module supply is used internally to supply the throttle motor.

When the ignition is turned to the "OFF" position, the main relay will operate for a further 10 seconds to enable adaptation of the throttle valve to fully closed position.

Diagnostics
- If there is an open circuit or short circuit to ground, diagnostic trouble code P1652 will be generated.
- If there is a short circuit to B+, diagnostic trouble code P1653 will be generated.
- If the current to control module pin 1 is missing, diagnostic trouble code P1640 will be generated, the throttle will close and the engine will stop.

NOTE: In Trionic T7, the main relay is always active when the ignition on. The current from the main relay can be read with the diagnostic tool.