Operation CHARM: Car repair manuals for everyone.
Manuals through 2025 now available!

Our trusted friends have launched a new website named LEMON, which has newer manuals. It also contains all the CHARM manuals.

LEMON is the spiritual successor to CHARM, I recommend you try it!

Link: lemon-manuals.la or lemon-manuals.org.ua

(Some people have issue connecting. LEMON is investigating. For now, use Firefox or change your DNS server)

Or, hide this message: temporarily or permanently

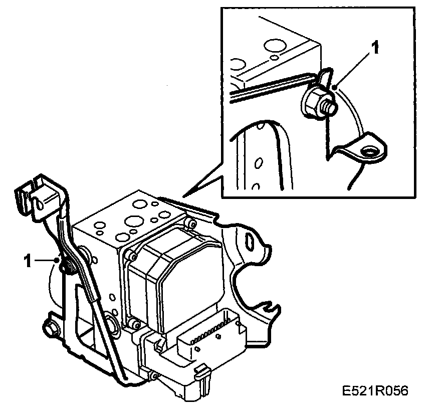
ABS With TCS Only

ABS, TCS and ESP unit with control module
To remove





1. Place a cover over the splash guard to protect it from any brake-fluid spillage.
2. Remove the battery cover and the battery.
3. V6 diesel engine: Remove the turbocharger heat shield.
4. Detach the electrical distribution unit and place to one side.
5. Unplug the connector and place to one side.
6. ESP unit: Unplug the connector from the pressure sensor.





7. Use compressed air to clean the surfaces around the brake-pipe couplings.
8. Dismantle the brake pipe couplings.
9. LHD, manual gearbox: Detach the clutch fluid hose from the brake fluid reservoir, collect the brake fluid.
10. Remove the unit.
It may be necessary to insert a screwdriver between the bracket and the wheel housing and prise carefully in order to reach the outer nut.





To fit
1. Fit the unit
It may be necessary to insert a screwdriver between the bracket and the wheel housing and prise carefully in order to fit the outer nut.





2. ESP unit Plug in the connector for the pressure sensor.





3. Remove the plugs and fit the brake pipes. Tighten the brake pipe unions by hand first and then with a spanner.

Note: Start with the rear brake pipes and tighten one union before starting with the next.

Tightening torque 16 Nm (12 ft. lbs.)
4. LHD, manual gearbox: Attach the clutch fluid hose to the brake fluid reservoir.
Fit the hose clip upwards.
5. Plug in the connector.
6. Fit the electrical distribution unit.





7. V6 diesel engine: Fit the turbocharger heat shield.
8. Fit the battery and the battery cover.
9. Once the unit has been changed, the control module must be configured.
TC/ABS: Configuring TC/ABS.
ESP: Configuring ESP.
10. Bleed the brake system.
11. Test the brakes.