Operation CHARM: Car repair manuals for everyone.
Manuals through 2025 now available!

Our trusted friends have launched a new website named LEMON, which has newer manuals. It also contains all the CHARM manuals.

LEMON is the spiritual successor to CHARM, I recommend you try it!

Link: lemon-manuals.la or lemon-manuals.org.ua

(Some people have issue connecting. LEMON is investigating. For now, use Firefox or change your DNS server)

Or, hide this message: temporarily or permanently

Control Module Power Supply



Control Module Power Supply










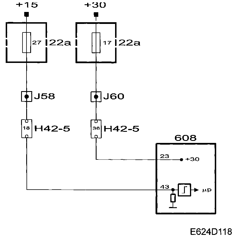
+30
The main relay, fuel pump relay and fuse 17 are supplied with current from the +30 circuit via maxifuse 2. Control module pin 23 is supplied with current from fuse 17.

The control module uses current from the +30 circuit for its memory.

+15
Control module pin 43 is supplied with current from the +15 circuit via fuse 27. The control module is activated when current from the +15 circuit is applied to pin 43.

Diagnostics
- If no current from either the +30 or +15 circuits is present, the engine will not start and the system cannot be contacted with the diagnostic tool.

Main relay
When the ignition is ON, the main relay is operated.

Control module pin 1 is supplied with current from pin 87 of the main relay via fuse 14. This connection is used internally to supply the throttle motor with current.










Diagnostics
- If no current is supplied to the control module from the main relay, diagnostic trouble code P1640 will be generated, the throttle will close and the engine will stop.