Operation CHARM: Car repair manuals for everyone.
Manuals through 2025 now available!

Our trusted friends have launched a new website named LEMON, which has newer manuals. It also contains all the CHARM manuals.

LEMON is the spiritual successor to CHARM, I recommend you try it!

Link: lemon-manuals.la or lemon-manuals.org.ua

(Some people have issue connecting. LEMON is investigating. For now, use Firefox or change your DNS server)

Or, hide this message: temporarily or permanently

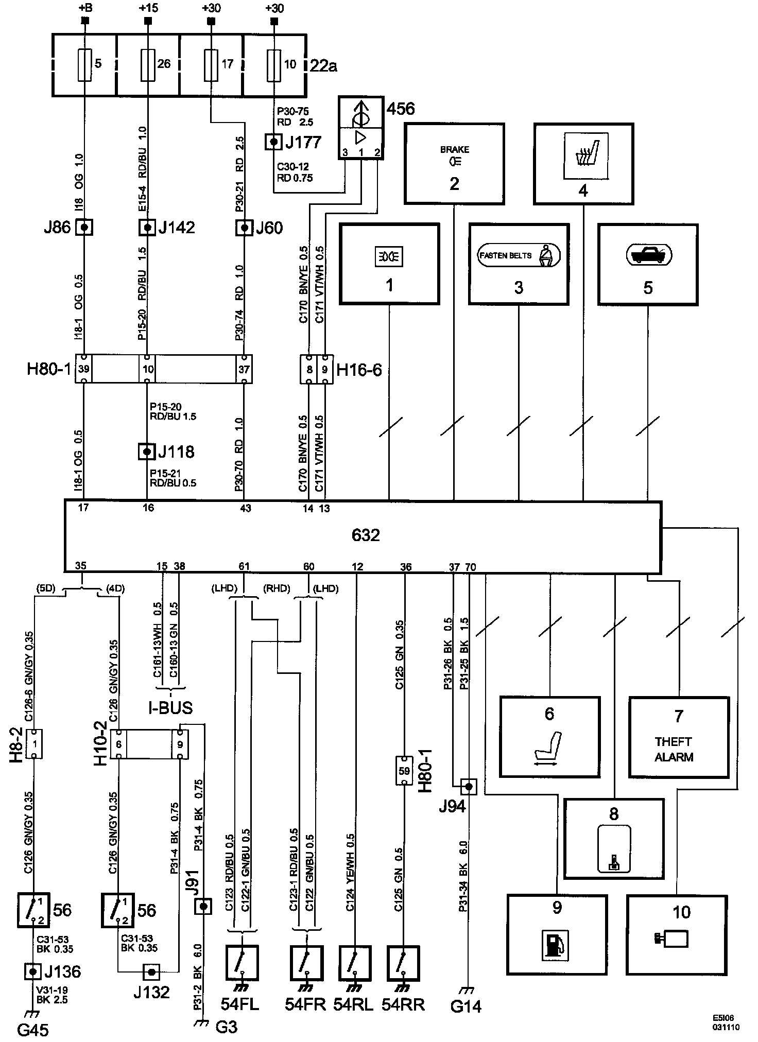
Power Trunk / Liftgate Control Module



TWICE:





1. Parking lights
^ 4D
^ 5D
2. Brake lights
3. Seat belt warning
4. Electrically heated rear seat
5. Electrical opening of boot lid/tailgate
^ 4D
^ 5D
6. Electric powered passenger seat
^ LHD
7. Anti-theft alarm
^ 4D
^ 5D
8. Central locking system
^ LHD
9. Electric filler cap hatch release
10. Starting system with immobilizer

List Of Components (Part 1):




List Of Components (Part 2):




List Of Components (Part 3):




List Of Components (Part 4):





Power Supply Diagrams: The diagrams for the power supplies that may be feeding this system (+30, +15, +54, +X and +B) can be found at Power and Ground Distribution diagrams. Electrical Diagrams