Operation CHARM: Car repair manuals for everyone.
Manuals through 2025 now available!

Our trusted friends have launched a new website named LEMON, which has newer manuals. It also contains all the CHARM manuals.

LEMON is the spiritual successor to CHARM, I recommend you try it!

Link: lemon-manuals.la or lemon-manuals.org.ua

(Some people have issue connecting. LEMON is investigating. For now, use Firefox or change your DNS server)

Or, hide this message: temporarily or permanently

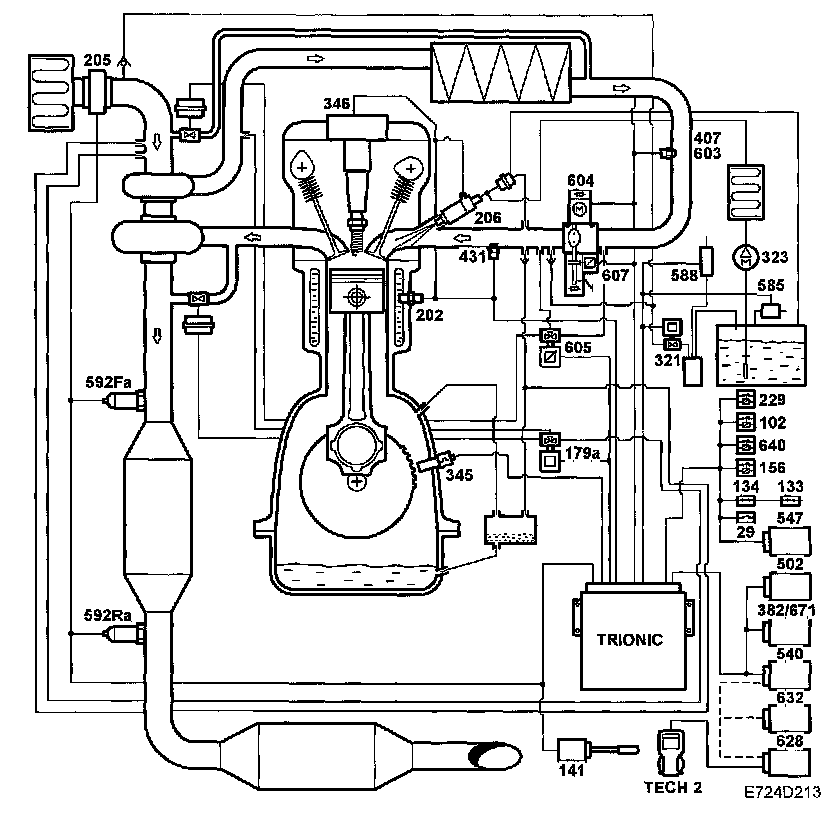
System Overview



System Overview







^ Control module (589)
^ Crankshaft position sensor (345)
^ Mass air flow sensor (205)
^ Manifold absolute pressure sensor (431)
^ Charge air absolute pressure sensor (603)
^ Intake air temperature sensor (407)
^ Engine coolant temperature sensor (202)
^ Throttle body (604)
^ Limp-home solenoid (607)
^ Charge air control valve (179a)
^ Bypass control valve (605)
^ Oxygen sensor 1 (592Fa)
^ Oxygen sensor 2 (592Ra)
^ EVAP canister purge valve (321)
^ EVAP shut-off valve (588)
^ Tank differential pressure sensor (585)
^ Injectors (206)
^ Ignition discharge module (346)
^ Switch, cruise control (141)
Clutch pedal switch (133)
Brake pedal switch (134)
Brake light switch (29)
^ Main relay (229)
Fuel pump relay (102)
Relay, limp-home solenoid (640)
A/C relay (156)
(A/C relay is mounted on the main relay board under the bonnet.)
^ ABS control module (547)
or
TC/ABS control (382)/ESP control module (671)
^ TCM control module (502)
^ Main instrument unit (540B)
^ TWICE control module (632)
^ DICE control module (628)