Operation CHARM: Car repair manuals for everyone.
Manuals through 2025 now available!

Our trusted friends have launched a new website named LEMON, which has newer manuals. It also contains all the CHARM manuals.

LEMON is the spiritual successor to CHARM, I recommend you try it!

Link: lemon-manuals.la or lemon-manuals.org.ua

(Some people have issue connecting. LEMON is investigating. For now, use Firefox or change your DNS server)

Or, hide this message: temporarily or permanently

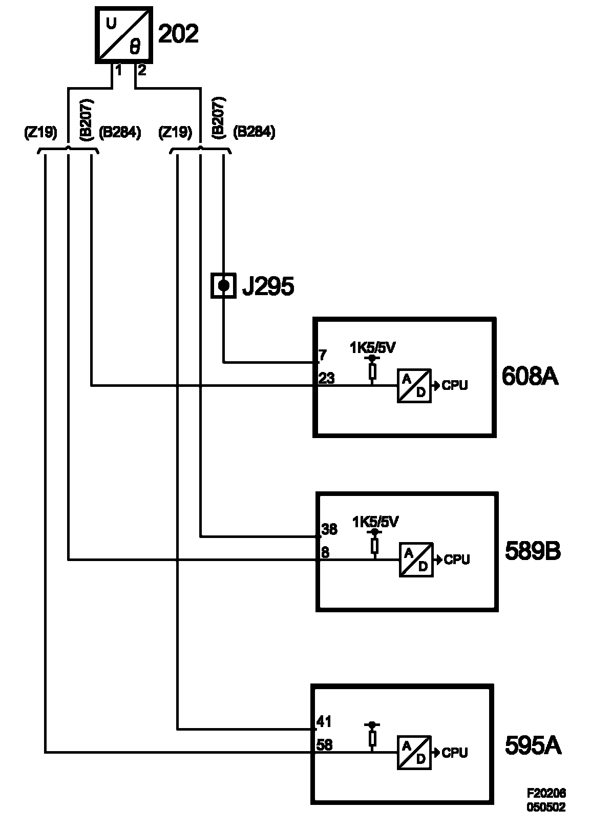
Coolant Temperature Sensor/Switch (For Computer): Description and Operation



Coolant Temperature Sensor (202), ME9





Main task
Informs the control module of current coolant temperature.

The value from the temperature sensor is used for:
^ controlling the radiator fans
^ determining injection duration during preinjection
^ determining injection duration during starter motor cranking
^ after-start enrichment
^ determining when closed loop should be engaged
^ correcting idling speed.

Type
The temperature sensor is of NTC type.

Connection