Manuals through 2025 now available!
Our trusted friends have launched a new website named LEMON, which has newer manuals. It also contains all the CHARM manuals.
LEMON is the spiritual successor to CHARM, I recommend you try it!
Link:
lemon-manuals.la or
lemon-manuals.org.ua
(Some people have issue connecting. LEMON is investigating. For now, use Firefox or change your DNS server)
Or, hide this message:
temporarily or
permanently
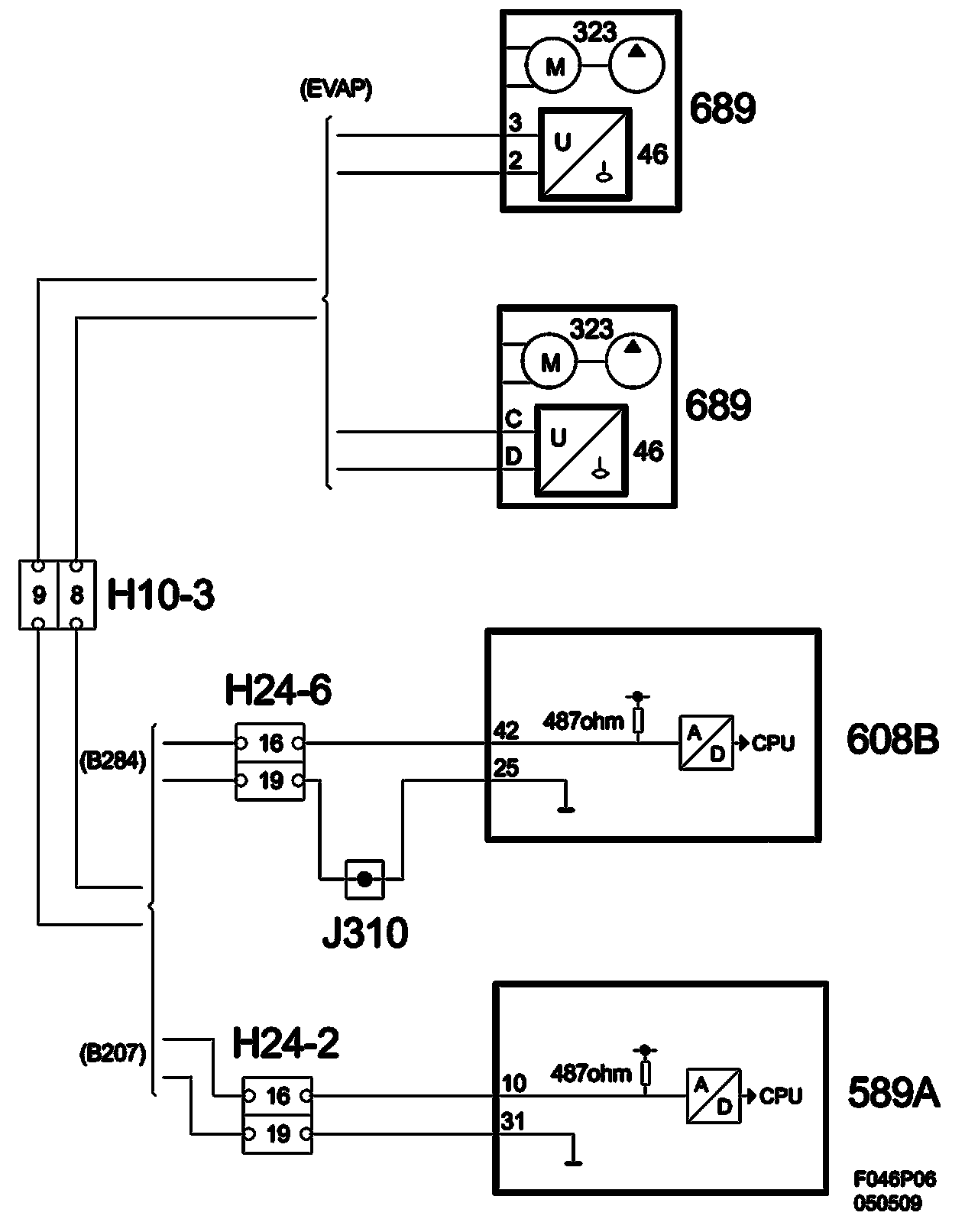
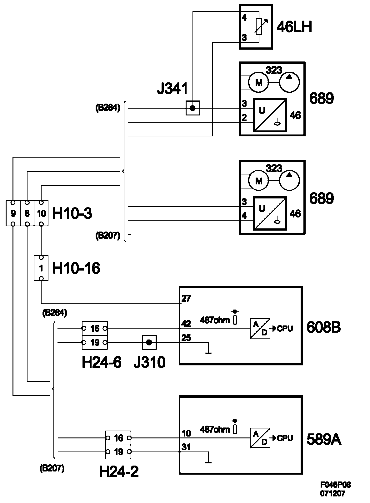
Fuel Level Sensor: Description and Operation
Fuel Level Sensor, (46/46LH), ME9Main taskInforms ECM on how much fuel is in the tank. ECM then sends this information on the bus.
TypeLevel sensor with variable resistance, whose value corresponds to the level at which the sensor float lies in the tank. Feed via pull-up in ECM.
ConnectionDiagram, front-wheel driveDiagram, all-wheel drive: