Operation CHARM: Car repair manuals for everyone.
Manuals through 2025 now available!

Our trusted friends have launched a new website named LEMON, which has newer manuals. It also contains all the CHARM manuals.

LEMON is the spiritual successor to CHARM, I recommend you try it!

Link: lemon-manuals.la or lemon-manuals.org.ua

(Some people have issue connecting. LEMON is investigating. For now, use Firefox or change your DNS server)

Or, hide this message: temporarily or permanently

Oil Pressure Sensor: Service and Repair

Oil pressure switch

To remove

1. Remove the air cleaner cover.





2. Detach the pipe of the mass air flow sensor.





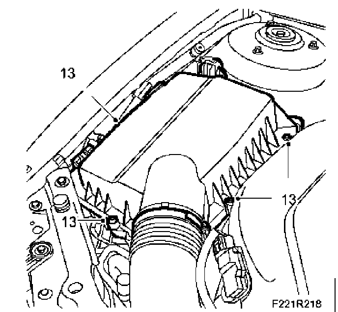
3. Remove the upper engine cover.

4. Remove the upper turbocharger delivery pipe.





5. Remove the bolts of the turbocharger delivery pipe.

6. Raise the car.

7. Detach the turbocharger delivery pipe from the hose and the A/C compressor.

8. Lower the car.

9. Remove the battery cover.

10. Remove the battery coolant pipe.

11. Remove the upper radiator mountings.





12. Press the radiator assembly forward and remove the turbocharger delivery pipe.

13. Unplug the connector from the oil pressure switch.





14. Remove the oil pressure switch using 32 025 062 Crow foot spanner.

To fit

1. Fit the oil pressure switch.





2. Fit the connector.

3. Press the radiator assembly forward and fit the turbocharger delivery pipe. Do not tighten yet.

4. Raise the car.

5. Fit the turbocharger delivery pipe to the A/C compressor and fit the delivery hose.





6. Lower the car.

7. Tighten the delivery pipe bolts.

8. Fit the upper turbocharger delivery pipe.

9. Fit the upper radiator mountings.





10. Fit the battery coolant pipe.

11. Fit the battery cover.

12. Attach the pipe to the mass air flow sensor.





13. Fit the cover on the air cleaner.





14. Fit the upper engine cover.