Operation CHARM: Car repair manuals for everyone.
Manuals through 2025 now available!

Our trusted friends have launched a new website named LEMON, which has newer manuals. It also contains all the CHARM manuals.

LEMON is the spiritual successor to CHARM, I recommend you try it!

Link: lemon-manuals.la or lemon-manuals.org.ua

(Some people have issue connecting. LEMON is investigating. For now, use Firefox or change your DNS server)

Or, hide this message: temporarily or permanently

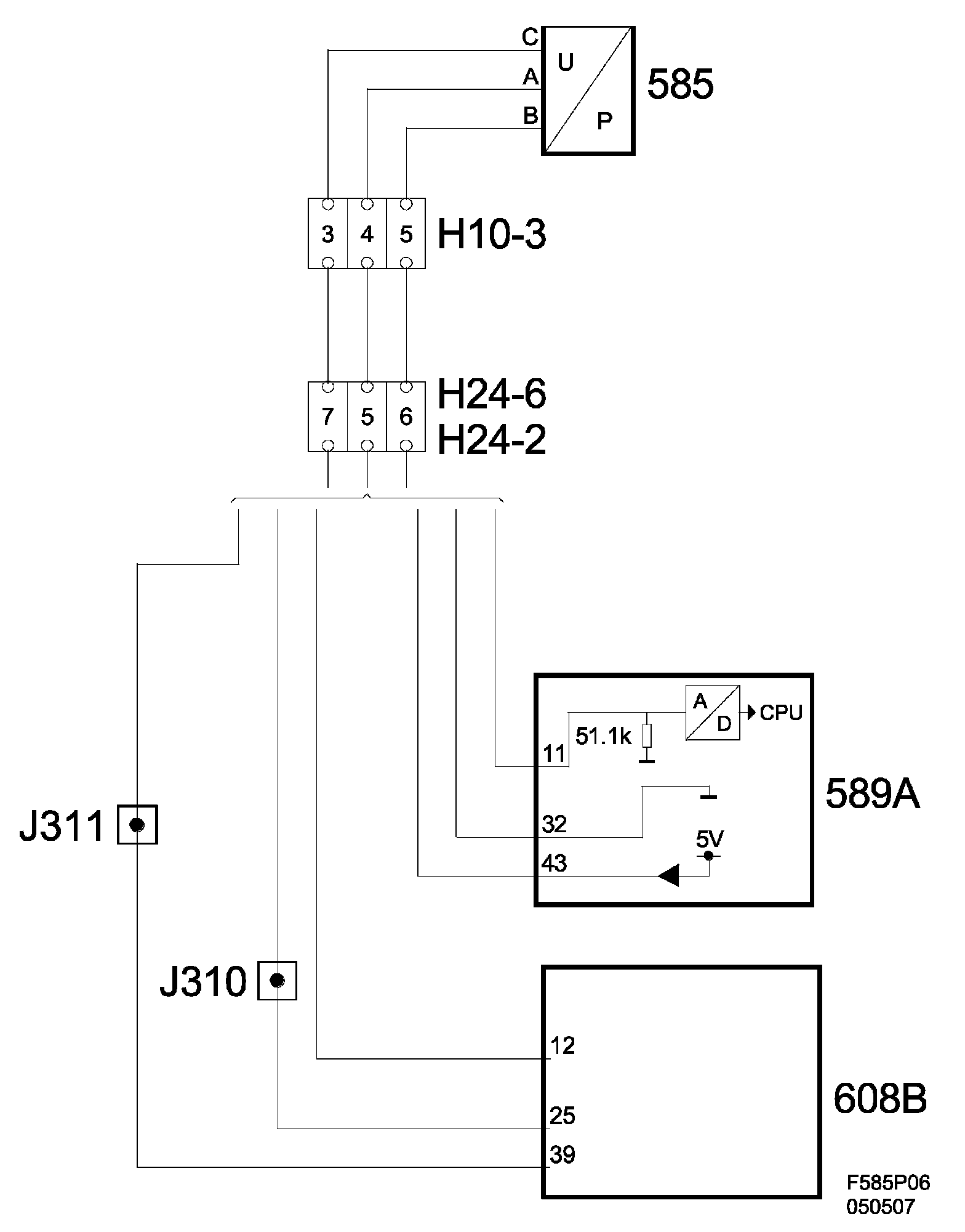
Fuel Tank Pressure Sensor: Description and Operation



Pressure Sensor, EVAP (585)





Main task
The pressure sensor is used for on-board diagnostics to detect leakage in the purge system.

Type





Connection











Based on the pressure difference between the tank and atmosphere, the pressure sensor yields a proportional voltage to control module pin 11(A). The pressure sensor value is adapted to 0 kPa when the ignition is switched on provided coolant temperature is less than 40 degrees C and fuel level is less than 50 liters.