Operation CHARM: Car repair manuals for everyone.
Manuals through 2025 now available!

Our trusted friends have launched a new website named LEMON, which has newer manuals. It also contains all the CHARM manuals.

LEMON is the spiritual successor to CHARM, I recommend you try it!

Link: lemon-manuals.la or lemon-manuals.org.ua

(Some people have issue connecting. LEMON is investigating. For now, use Firefox or change your DNS server)

Or, hide this message: temporarily or permanently

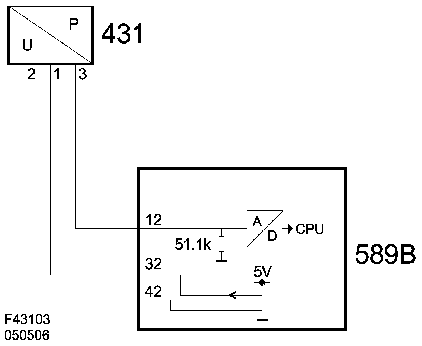
Manifold Pressure/Vacuum Sensor: Description and Operation



Pressure Sensor, Intake Manifold (431)





Main task
During quick load changes, the engine load or air mass/combustion that is calculated based on values from the mass air flow sensor may differ from the actual air mass sucked into the cylinder during the intake stroke. This is caused by the inertia of the large air volume in the intake system. Therefore, intake pressure is used during load changes to correct the air mass/combustion used when calculating fuel quantity.

The pressure is also used to correct purging's PWM ratio. With high intake pressure, a greater PWM ratio is needed to maintain the same purge flow.

The value from the pressure sensor is also used as a substitute value for the mass air flow sensor if the diagnostic system has detected a fault in the mass air flow sensor.

Type
The pressure sensor contains two metal plated ceramic discs mounted in close proximity. The disc located closest to the pressure connection is thinner and bends when subjected to pressure. By this means, capacitance between the metal plating of the discs is changed based on the pressure.

Connection











A circuit integrated in the sensor converts the capacitance to an analogue voltage. The pressure sensor is secured in the engine's intake manifold after the throttle.

Based on the pressure in the intake manifold, the pressure sensor yields a proportional voltage to control module pin 12. At normal atmospheric pressure, 100 kPa, voltage from the sensor is approx. 2.1 V.