Operation CHARM: Car repair manuals for everyone.
Manuals through 2025 now available!

Our trusted friends have launched a new website named LEMON, which has newer manuals. It also contains all the CHARM manuals.

LEMON is the spiritual successor to CHARM, I recommend you try it!

Link: lemon-manuals.la or lemon-manuals.org.ua

(Some people have issue connecting. LEMON is investigating. For now, use Firefox or change your DNS server)

Or, hide this message: temporarily or permanently

SPA Control Module (630), CV



SPA Control Module (630), CV

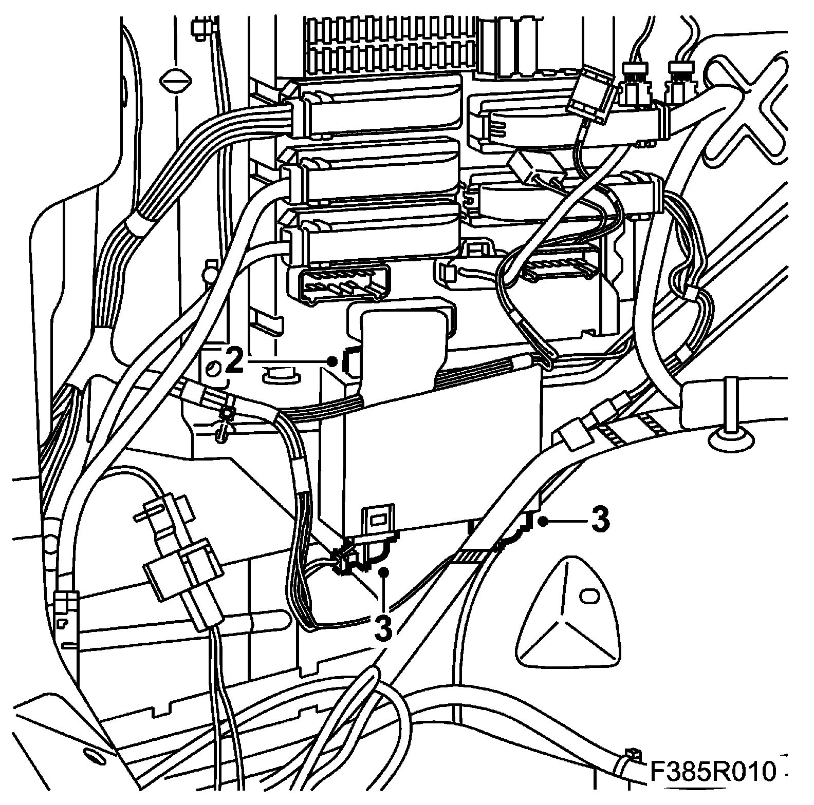
Removal

1. Carry out procedures before removing a control module.
Remove the side trim on the left-hand side of the luggage compartment.
2. Remove the control module from the main fuse box.





IMPORTANT: Take care when releasing the locking mechanism on the connector so as not to damage the connector. Pull the halves straight apart to avoid bending the pins.

3. Unplug the control module connector.

Refitting

IMPORTANT: Take care when plugging in the connector so as not to damage or press out the pins/sleeves in the connector.

1. Plug in the control module connector.





2. Press the control module onto the main fuse box.
3. Fit the side trim on the left-hand side of the luggage compartment.
4. Carry out procedures after changing a control module.