Operation CHARM: Car repair manuals for everyone.
Manuals through 2025 now available!

Our trusted friends have launched a new website named LEMON, which has newer manuals. It also contains all the CHARM manuals.

LEMON is the spiritual successor to CHARM, I recommend you try it!

Link: lemon-manuals.la or lemon-manuals.org.ua

(Some people have issue connecting. LEMON is investigating. For now, use Firefox or change your DNS server)

Or, hide this message: temporarily or permanently

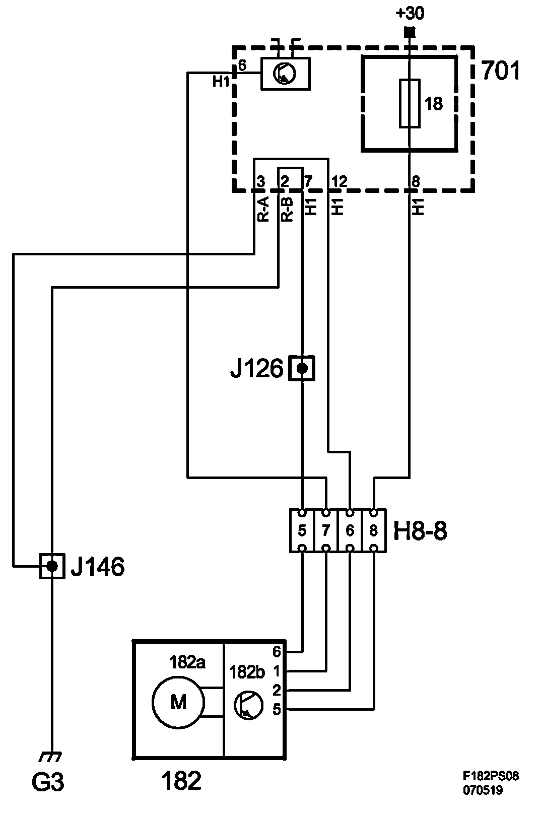
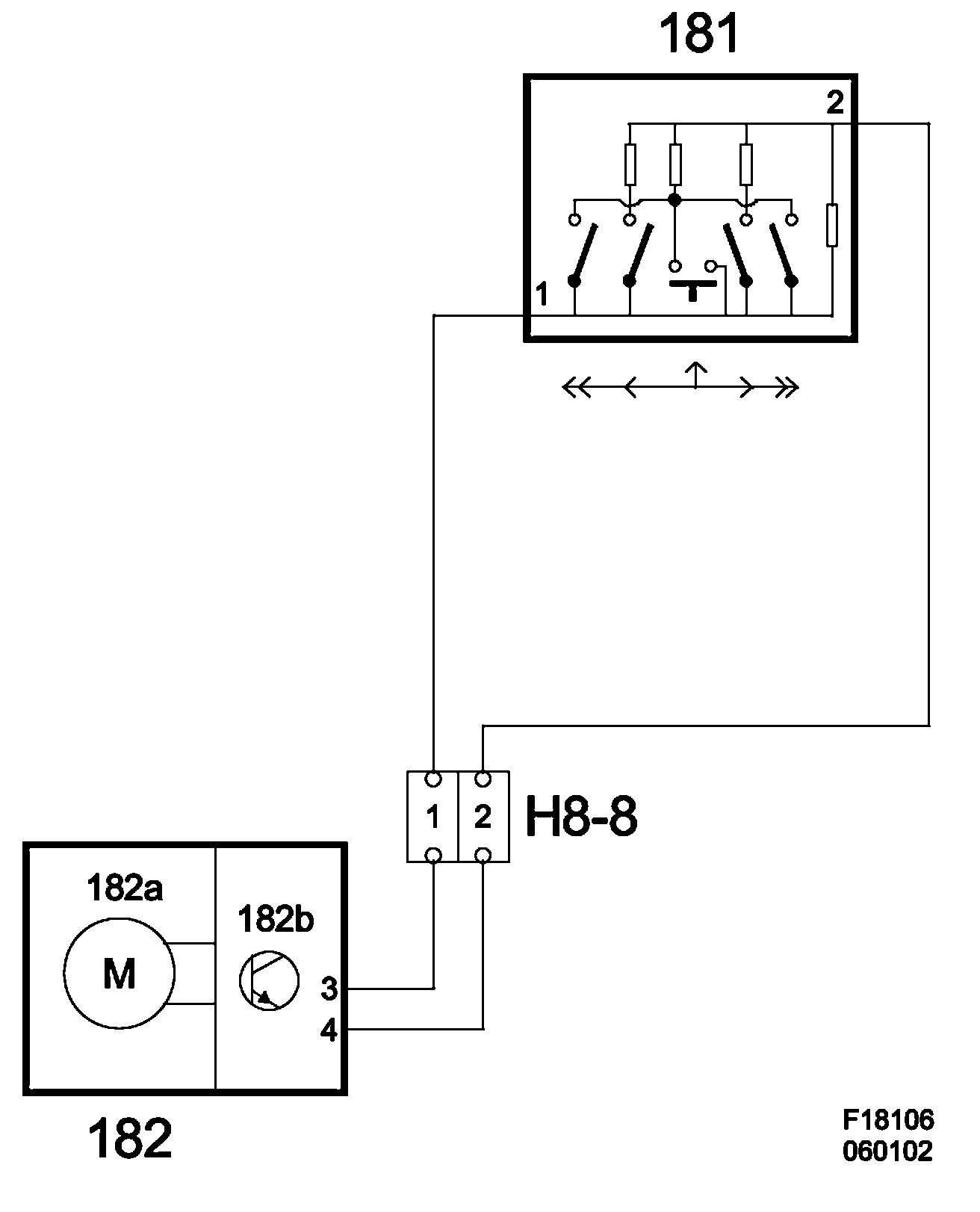
Control Module, Sunroof (182)



Control Module, Sunroof (182)

Main task
Handle open and closing and logic for the sunroof

Type
Combined with motor

Power supply, ground and bus communication
The control module with motor is fed with B+ on pin 5 on the control module, grounding to pin 6 and pin 2 on the control module. Control signal to pins 3 and 4. Bus communication takes place from pin 1.

Wiring diagram, power supply





Wiring diagram, switch