Operation CHARM: Car repair manuals for everyone.
Manuals through 2025 now available!

Our trusted friends have launched a new website named LEMON, which has newer manuals. It also contains all the CHARM manuals.

LEMON is the spiritual successor to CHARM, I recommend you try it!

Link: lemon-manuals.la or lemon-manuals.org.ua

(Some people have issue connecting. LEMON is investigating. For now, use Firefox or change your DNS server)

Or, hide this message: temporarily or permanently

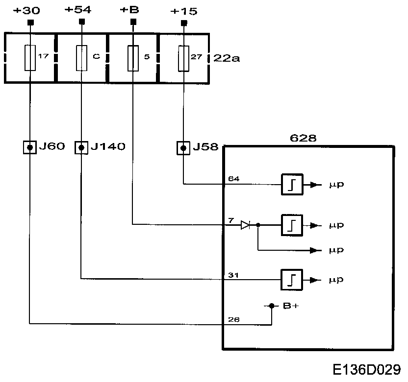
Control Module Power Supply



Control Module Power Supply










Power supply (+B circuit)
From fuse 5 (22a) to control module, pin 7.

Power supply (+15 circuit)
From fuse 27 (22a) to control module, pin 64.

Power supply (+30 circuit)
From fuse 17 (22a) to control module, pin 26.

Power supply (+54 circuit)
From fuse C (22a) to control module, pin 31.