Manuals through 2025 now available!
Our trusted friends have launched a new website named LEMON, which has newer manuals. It also contains all the CHARM manuals.
LEMON is the spiritual successor to CHARM, I recommend you try it!
Link:
lemon-manuals.la or
lemon-manuals.org.ua
(Some people have issue connecting. LEMON is investigating. For now, use Firefox or change your DNS server)
Or, hide this message:
temporarily or
permanently
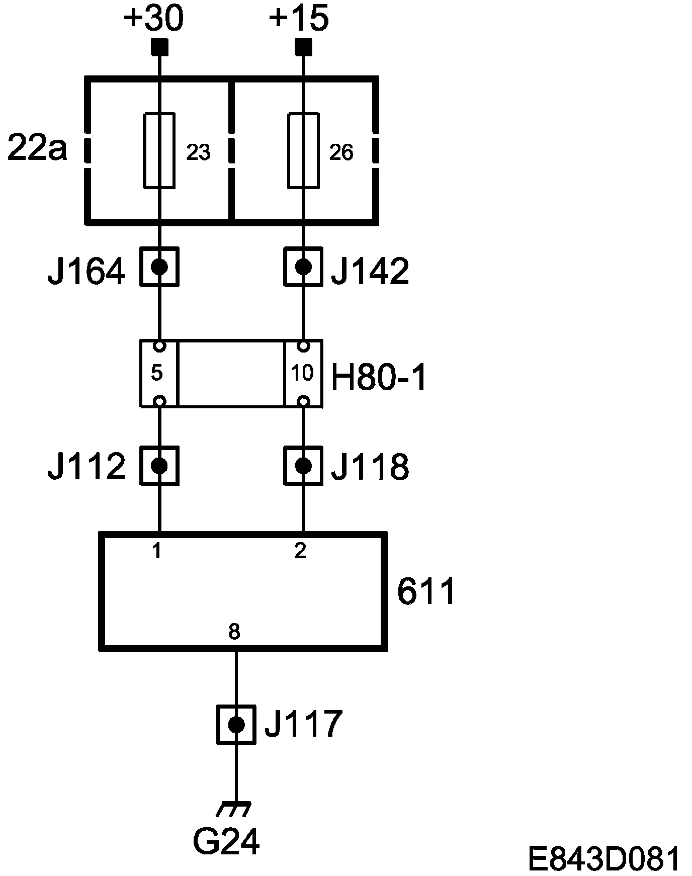
Control Module Power Supply and Ground (PMM)
Control Module Power Supply And Ground (PMM)Battery voltage +30+30 power supply, fed via fuse 23 to control module pin 1.
Battery voltage +15+15 power supply, fed via fuse 26 to control module pin 2.
GroundThe control module is grounded via pin 8 to grounding point G24.