Operation CHARM: Car repair manuals for everyone.
Manuals through 2025 now available!

Our trusted friends have launched a new website named LEMON, which has newer manuals. It also contains all the CHARM manuals.

LEMON is the spiritual successor to CHARM, I recommend you try it!

Link: lemon-manuals.la or lemon-manuals.org.ua

(Some people have issue connecting. LEMON is investigating. For now, use Firefox or change your DNS server)

Or, hide this message: temporarily or permanently

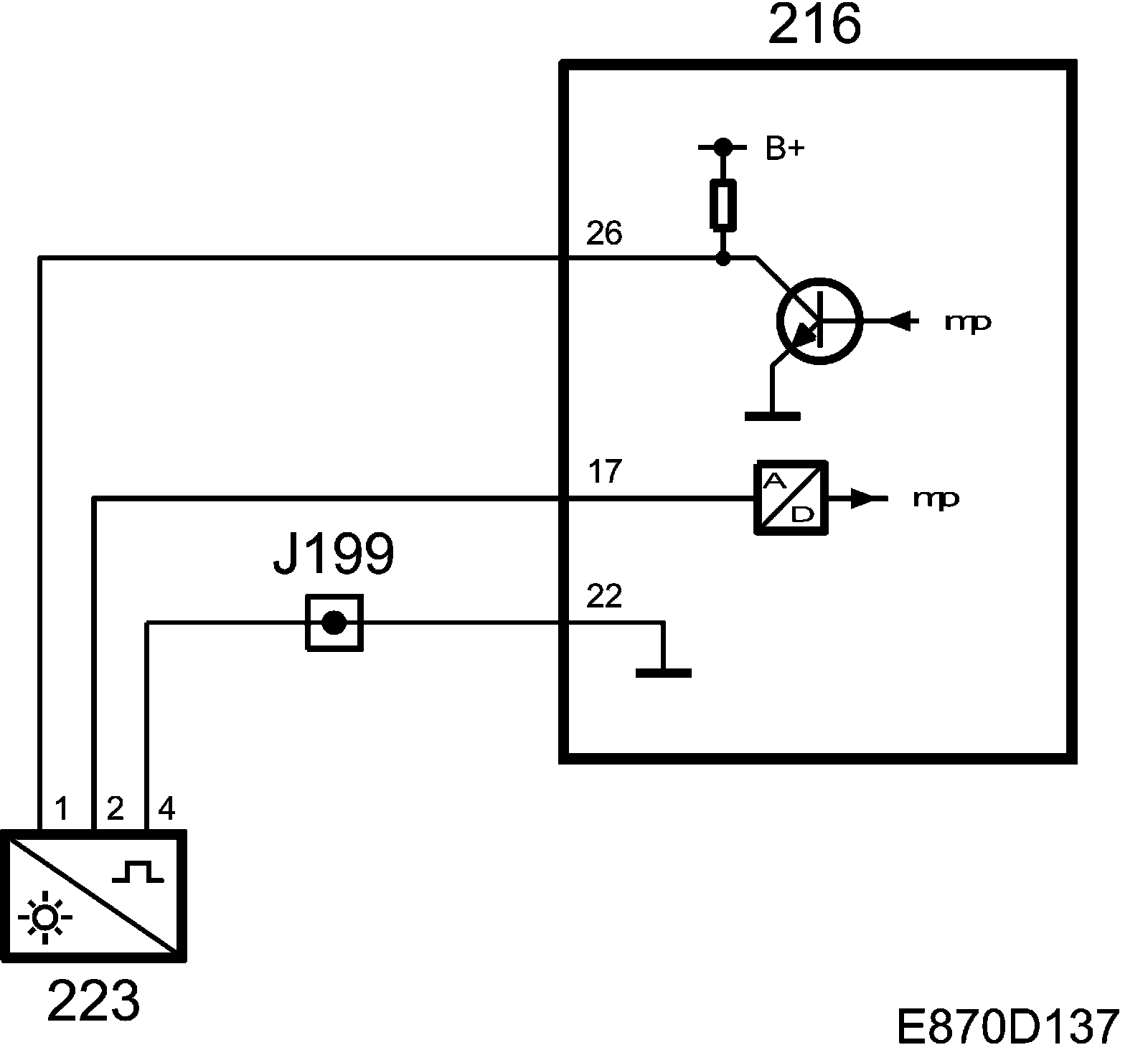
Solar Sensor: Description and Operation



Solar Sensor







The solar sensor, located at the top of the dashboard, contains 5 solar cells: LH, RH, front, rear and top. The plastic housing is coloured so that only infrared light (heat radiation) can penetrate. The solar sensor is fed B+ pulses from K1 pin 26 and is grounded via K1 pin 22. Voltage from the 5 sensor elements is sent in sequence to K1 pin 17 of the ACC unit.

For the control module to be able to identify which solar cell is reporting, each transmission is begun with the pulse pattern 5 V - 0 V - 5 V. The control module synchronises the solar sensor pulse transmissions by sending short ground pulses of 25 Hz from K1 pin 26.

The control module uses the voltage from the 5 solar cells to calculate the sun's intensity, bearing and height.

The values are used to calculate the current temperature at head height for the front seat passenger and driver. The following are also used as default values:
- outside temperature
- time since engine last ran
- time since start
- blended-air temperatures

The calculated temperatures are compared to those the driver and passengers have set on the ACC unit display. The set temperature is adjusted with respect to the outside temperature so that the perceived temperature corresponds with the set temperature.

As soon as a difference occurs, the blended-air temperature must be increased or decreased. The control module turns the air-blending flap in question until the required blended-air temperature is achieved.

Diagnostics
In the event of open circuit or short circuit diagnostic trouble code B1340 is generated. The latest valid value is used as substitute value. When the ignition is switched on 0 W/m2 is used.