Operation CHARM: Car repair manuals for everyone.
Manuals through 2025 now available!

Our trusted friends have launched a new website named LEMON, which has newer manuals. It also contains all the CHARM manuals.

LEMON is the spiritual successor to CHARM, I recommend you try it!

Link: lemon-manuals.la or lemon-manuals.org.ua

(Some people have issue connecting. LEMON is investigating. For now, use Firefox or change your DNS server)

Or, hide this message: temporarily or permanently

Crankshaft Position Sensor: Description and Operation



Crankshaft Position Sensor





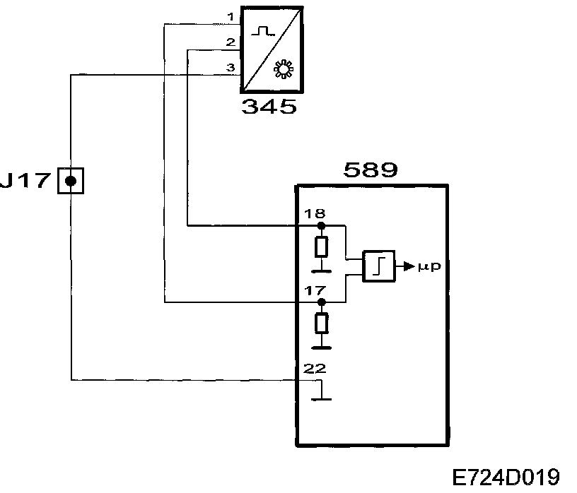
Diagram:






The control module receives information on the position and speed of the crankshaft on pins 17 and 18 from the crankshaft position sensor.

There is a slotted ring with 58 ribs on the crankshaft. The sensor is of the inductive type and is fitted to the wall of the engine crankcase. The distance between the sensor and the slotted ring is between 0.4-1.3 mm and is not adjustable.

The sensor functions like a generator and delivers a sinus-wave alternating voltage. By measuring the frequency, the control module can determine the engine speed. There are 2 ribs missing after the 58th one. When rib 1 then passes the sensor, the control module knows that the crankshaft is 117 degree before top dead centre (BTDC).

The voltage from the crankshaft position sensor varies with the engine speed. At idling speed, the voltage is 5-10 V (AC) and at 2500 rpm, 15-20 V (AC). However, it is the frequency and not the voltage that is of interest to the control module.

As soon as the control module receives pulses from the crankshaft position sensor, it will ground the fuel pump relay.

Sensor resistance is 860 ±90 ohms.

Engine speed is used to:
^ Indicate the engine operating point in conjunction with the engine load. The operating point indicates the values to be used in matrices and tables.
^ Regulate the idling speed.

The crankshaft angle is used to calculate when angle-related functions should be activated, such as ignition, injection and knock detection.

Diagnostics
^ If the crankshaft position sensor is defective during starter motor cranking, diagnostic trouble code P0337 will be generated.
^ If the control module loses track of the crankshaft position while the engine is running, diagnostic trouble code P0336 will be generated.

System reaction to a fault
^ There is no substitute value for the crankshaft position sensor.