Operation CHARM: Car repair manuals for everyone.
Manuals through 2025 now available!

Our trusted friends have launched a new website named LEMON, which has newer manuals. It also contains all the CHARM manuals.

LEMON is the spiritual successor to CHARM, I recommend you try it!

Link: lemon-manuals.la or lemon-manuals.org.ua

(Some people have issue connecting. LEMON is investigating. For now, use Firefox or change your DNS server)

Or, hide this message: temporarily or permanently

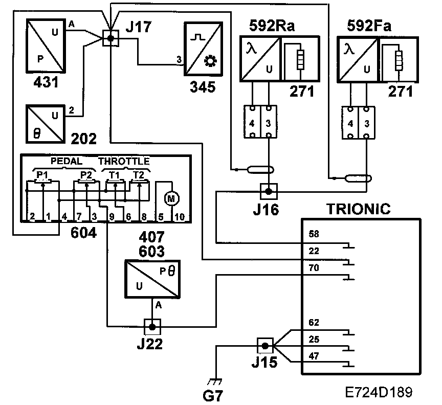
Ground



Ground







Power ground
The following are grounded to grounding point G7:
^ control module pins 25, 47 and 62
^ mass air flow sensor
^ ignition discharge module.

Sensor ground
The following sensors are grounded from control module pins 22 and 70. The two supplies are internally coupled together in the throttle body.







^ Crankshaft position sensor and its screen
^ Manifold absolute pressure sensor
^ Charge air absolute pressure sensor
^ Differential pressure sensor, tank
^ Intake air temperature sensor
^ Temperature sensor, engine coolant
^ Oxygen sensor screens
^ Pedal position sensors
^ Throttle position sensor

Reference ground
Oxygen sensors 1 and 2 are grounded from control module pin 58.

Diagnostics
^ The engine will not start if the power ground is missing and the diagnostic tool will not be able to make contact with the system.
^ The engine will not start if the sensor ground is missing and the throttle will go into limp-home mode. As the two sensor ground outputs are coupled together internally in the throttle body, there will be no symptoms if a break should occur in only one of them.
^ If the reference ground is missing, diagnostic trouble code P0134 will be generated.