Operation CHARM: Car repair manuals for everyone.
Manuals through 2025 now available!

Our trusted friends have launched a new website named LEMON, which has newer manuals. It also contains all the CHARM manuals.

LEMON is the spiritual successor to CHARM, I recommend you try it!

Link: lemon-manuals.la or lemon-manuals.org.ua

(Some people have issue connecting. LEMON is investigating. For now, use Firefox or change your DNS server)

Or, hide this message: temporarily or permanently

Fuel Tank Pressure Sensor: Description and Operation



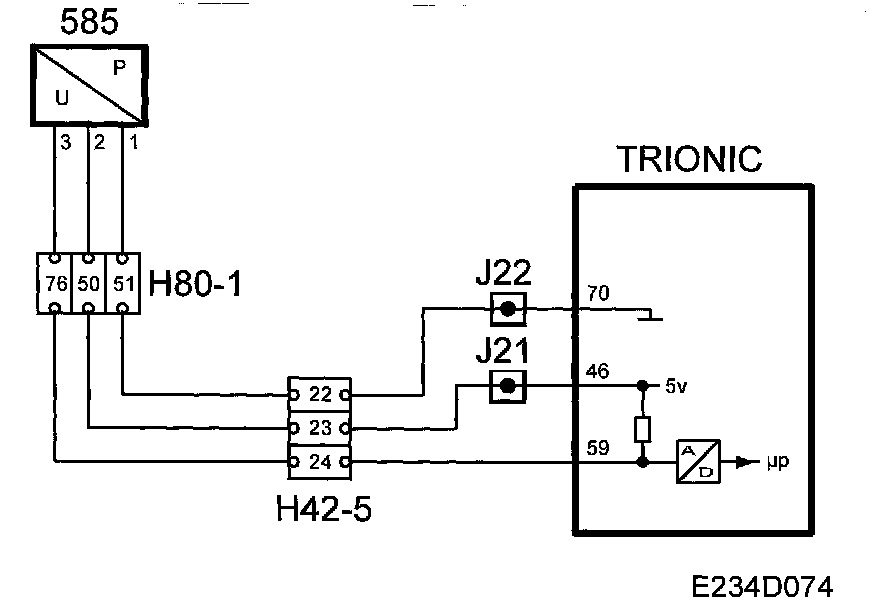
EVAP Pressure Sensor (585)

A differential pressure sensor is fitted on the tank. The pressure sensor compares the pressure in the tank with the barometric pressure.

The pressure sensor is powered with 5V from Trionic pin 46 and is grounded on pin 70.

The pressure sensor delivers a voltage to Trionic pin 59, the magnitude of which is proportional to the difference between the pressure in the tank and the barometric pressure.

When there is no difference, the voltage from the pressure sensor is approx. 2.5V.

The pressure sensor is used during the OBD II diagnosis. (Does not apply to ORVR without tank integrity diagnosis as this variant does not have a tank pressure sensor)







Diagnostics
If the sensor voltage is too low, diagnostic trouble code P0452 will be generated.

If the sensor voltage is too high, diagnostic trouble code P0453 will be generated.

If the pressure value is implausible, diagnostic trouble codes P1451, P1452, P1453 will be generated.