Operation CHARM: Car repair manuals for everyone.
Manuals through 2025 now available!

Our trusted friends have launched a new website named LEMON, which has newer manuals. It also contains all the CHARM manuals.

LEMON is the spiritual successor to CHARM, I recommend you try it!

Link: lemon-manuals.la or lemon-manuals.org.ua

(Some people have issue connecting. LEMON is investigating. For now, use Firefox or change your DNS server)

Or, hide this message: temporarily or permanently

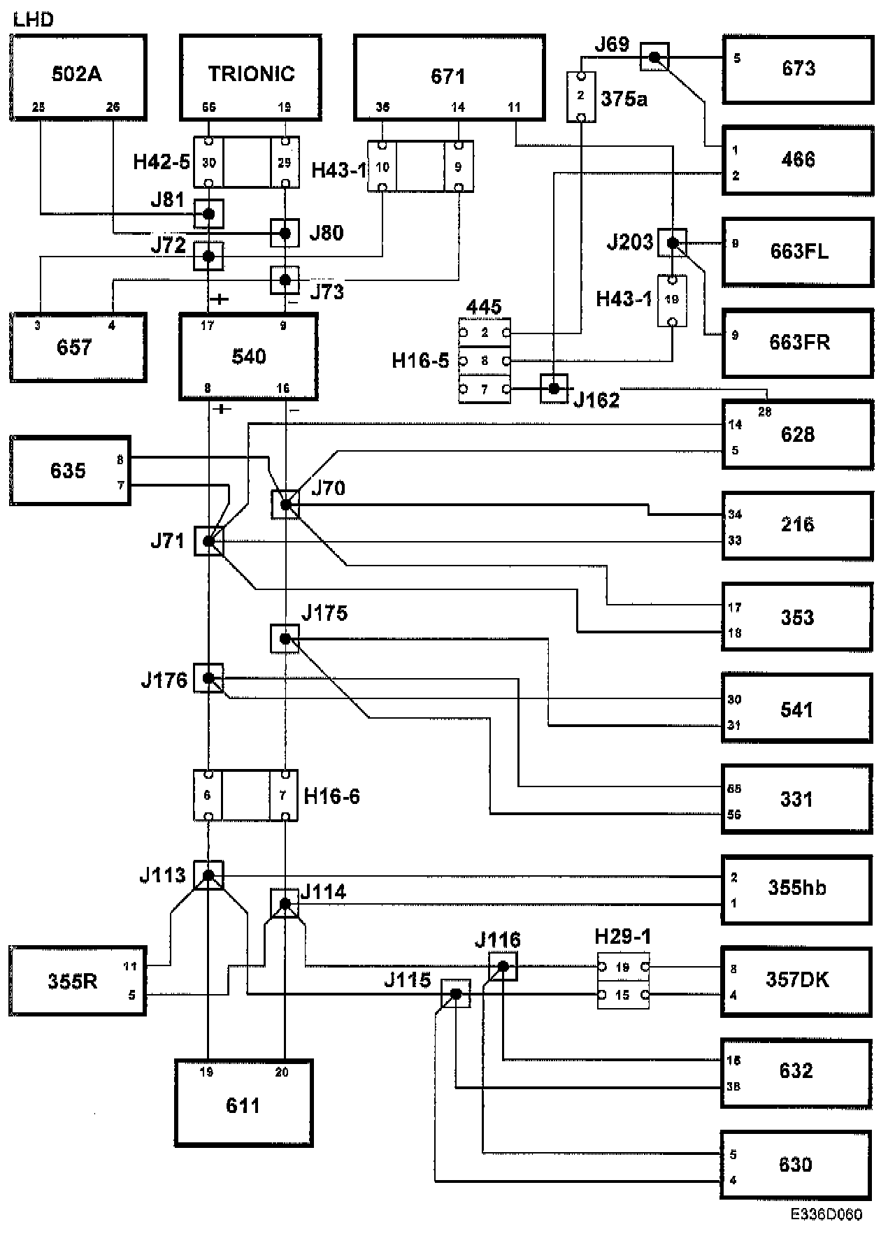
Bus and Diagnostics Communication



System Overview, Bus And Diagnostics Communication, Petrol

System Overview, Function






For further information, see the following:

P-bus and I-bus
P Bus and I Bus
Bus diagnosis
Bus Diagnosis
System overview, components connected to K-lead
Components Connected to K-Lead

System Overview, Components






1. Trionic, engine management system, ECM (430/589)
2. TCM (Transmission Control Module), control module for automatic gearbox (502)
3. ESP (Stabilizer system) (671)
4. Steering angle sensor, SAS (657)
5. P-bus (Powertrain bus)
6. MIU (Main Instrument Unit) (540)
7. I-bus (Instrument bus)
8. SID (Saab Information Display) (541)
9. TWICE (Theft Warning Integrated Central Electronics) (632)
10. ACC (Automatic Climate Control) (216)
11. Audio system, head unit (353)
12. CDC (CD changer) (355)
13. PSM (Power Seat Memory) (357Dk)
14. PMM (Power Mirror Memory), door mirror memory (611)
15. DICE (Dashboard Integrated Central Electronics) (628)
16. Airbag (SRS) (331)
17. SPA (Saab Parking Assistance) (630)